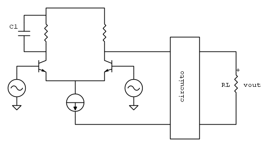
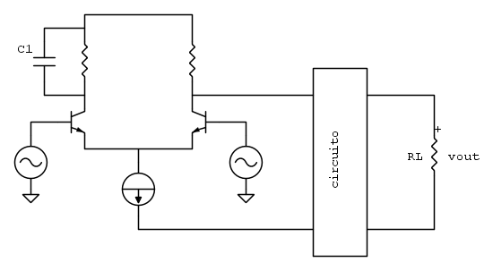
buongiorno, mi è venuto un altro dubbio relativo agli amplificatori differenziali. Supponendo di avere un circuito del genere :
Nell'analisi in bassa frequenza, per determinare il taglio di frequenza inferiore, la capacità C1 (di bypass) deve essere considerata nell'analisi o no? Solitamente splitto il circuito in due semicircuiti (ponendo gli emettitori a massa - analisi differenziale) e studio soltanto il semi-circuito che contiene il carico. In tal caso andrei a studiare il circuito "a destra" però la capacità di bypass si trova nel semi-circuito a sinistra..va considerata o no? Grazie
amplificatore differenziale con capacità di bypass
Moderatori:
carloc,
g.schgor,
BrunoValente,
IsidoroKZ
1 messaggio
• Pagina 1 di 1
1 messaggio
• Pagina 1 di 1
Chi c’è in linea
Visitano il forum: Nessuno e 171 ospiti

Elettrotecnica e non solo (admin)
Un gatto tra gli elettroni (IsidoroKZ)
Esperienza e simulazioni (g.schgor)
Moleskine di un idraulico (RenzoDF)
Il Blog di ElectroYou (webmaster)
Idee microcontrollate (TardoFreak)
PICcoli grandi PICMicro (Paolino)
Il blog elettrico di carloc (carloc)
DirtEYblooog (dirtydeeds)
Di tutto... un po' (jordan20)
AK47 (lillo)
Esperienze elettroniche (marco438)
Telecomunicazioni musicali (clavicordo)
Automazione ed Elettronica (gustavo)
Direttive per la sicurezza (ErnestoCappelletti)
EYnfo dall'Alaska (mir)
Apriamo il quadro! (attilio)
H7-25 (asdf)
Passione Elettrica (massimob)
Elettroni a spasso (guidob)
Bloguerra (guerra)

