ciao
menu.
Se sei sicuro che il circuito è quello che ti serve, visto che hai un contatto libero da tensione normalmente aperto, anche se non è il massimo per una sirena antifurto che dovrebbe intervenire a mancanza di tensione o se il contatto si apre e non se si chiude,
Comunque, se quel circuito ti va bene, puoi togliere senza problemi le piccole bagagne evidenziate da
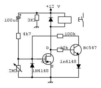
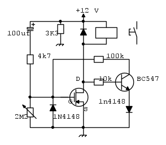
obiuanBasta aggiungere un BJT NPN ( non ha importanza che tipo, basta che sia di piccola potenza) e collegare il tutto così
In questo modo, il mosfet non starà in zona lineare , ne senso che appena esce dalla saturazione, la reazione positiva che il BJT riportata sul gate del MOS lo manderà immediatamente in interdizione togliendo subito la tensione al relé
menu ha scritto:.. si ho appurato che occorrono una decina di secondi anche più...questo costituisce un po' una limitazione.
Questo il male minore.
Diminuiscila resistenza da 15k con una di valore inferiore ( nello schema l' ho messa da 4k7 e già così il ripristino è molto veloce) , ma puoi diminuirla ancora.
P.S nello schema dove non c'è il punto, non c'è collegamento.
La resistenza da 100k non è collegata al drain del mosfet, ma solo al gate.
Anche tu quando fai gli schemi metti i punti sui nodi, altrimenti se il circuito è complesso è difficile poi comprenderlo.
A parità di regolazione del trimmer adesso il tempo sarà inferiore,perché non ai più quei secondi che il mosfet stava in zona lineare, perciò se non ti bastano, aumenta la capacità del condensatore o inserisci in serie alla trimmer una resistenza da qualche centinaia di migliaia di ohm
