Sto vedendo come si comporta il guadagno di modo comune di un amplificatore differenziale in alta frequenza.
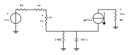
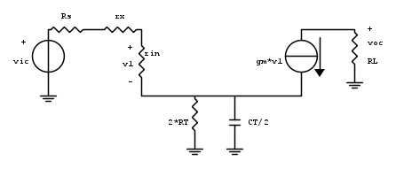
Essendo tutto bilanciato per ipotesi utilizzo il mezzo circuito equivalente che diventa (sia per bipolare che MOS):
A questo punto il testo (Grey Meyer - 5 edizione inglese - capitolo 7 - pagina 501) dice che vuole approssimare il calcolo del guadagno.
Parte dicendo che
è dell'ordine di
in quanto resistenza di uscita di un generatore di corrente (che neanche mette nel modello, immagino perché assume che il carico sia molto più piccolo di
) assumendola di circa
, e va bene.Assume anche
dicendo che in questo caso è l'unica capacità significativa... avrei dovuto capirlo da solo se mi fosse capitato davanti? Io non vedo perché dovrebbe essere così.Comunque se ammettiamo per buono questo, il circuito diventa così:
dice che poiché
è piccola la tensione
la ritrovo quasi completamente su
(parallelo tra l'impedenza di
e di
), ma per dire questo allora sto dicendo anche che sono piccole
e
, oltre a non considerare gli effetti della corrente che proviene dal generatore controllato, no?In ogni caso con questa considerazione conclude immediatamente la seguente approssimazione:

perché?
Io ci arrivo solo se faccio i calcoli, mica sta cosa si vede a occhio?
Grazie in anticipo.

Elettrotecnica e non solo (admin)
Un gatto tra gli elettroni (IsidoroKZ)
Esperienza e simulazioni (g.schgor)
Moleskine di un idraulico (RenzoDF)
Il Blog di ElectroYou (webmaster)
Idee microcontrollate (TardoFreak)
PICcoli grandi PICMicro (Paolino)
Il blog elettrico di carloc (carloc)
DirtEYblooog (dirtydeeds)
Di tutto... un po' (jordan20)
AK47 (lillo)
Esperienze elettroniche (marco438)
Telecomunicazioni musicali (clavicordo)
Automazione ed Elettronica (gustavo)
Direttive per la sicurezza (ErnestoCappelletti)
EYnfo dall'Alaska (mir)
Apriamo il quadro! (attilio)
H7-25 (asdf)
Passione Elettrica (massimob)
Elettroni a spasso (guidob)
Bloguerra (guerra)



dipende da come viene realizzato lo specchio di corrente di coda, ma qui, evidentemente, viene supposta essere più grande.




è infinito.
è il parallelo tra le capacità e la resistenza sull'emettitore.
è quello che vedi dalla base.
è :
, quindi la tensione all'uscita è:
.