wall87 ha scritto:Puoi pubblicare tutti i circuiti che vuoi, non devi preoccuparti nel farlo.
Magari prova a mettere direttamente un esercizio con dei veri valori, così si può ragionare su qualche cosa di concreto e non solo teorico.
Sto seguendo pure io con interesse la discussione![]()
Grazie innanzitutto per l'aiuto di tutti.
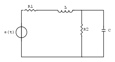
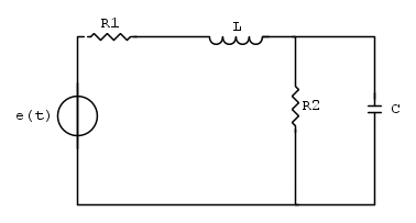
Inizio con un circuito ad alimentazione costante e dopo metto uno ad alimentazione sinusoidale per vedere come cambia.
R1=4 OHM
L=1 H
R2= 2 OHM
C= 0,5 F
e(t)=12 V
So che:
1) la tensione al tempo v(0-)=12 V
2) la corrente al tempo i(0-)=0 A
______________________________________________________________________
ragionamento:
Avendo sia l'induttore che il condensatore , abbiamo due dispositivi , capaci di immagazzinare energia.
Avendo però corrente = 0 nel circuito e tensione a 12 volt posso immaginare di avere una caduta di tensione quindi il circuito era alimentato un istante prima di 0- e di colpo viene aperto il circuito.
Giusto il ragionamento??
______________________________________________________________________
Come procedo:
innanzitutto la matrice di stato x sarà
x=[v,i]
poiché la corrente e la tensione non possono variare istantaneamente la v(0+) e la i(0+) saranno uguali a v(0-) e i(0-).
adesso dovrei trovare l'equazione differenziale di secondo ordine avendo due elementi capaci di immagazzinare , ma come dovrei procedere?

Elettrotecnica e non solo (admin)
Un gatto tra gli elettroni (IsidoroKZ)
Esperienza e simulazioni (g.schgor)
Moleskine di un idraulico (RenzoDF)
Il Blog di ElectroYou (webmaster)
Idee microcontrollate (TardoFreak)
PICcoli grandi PICMicro (Paolino)
Il blog elettrico di carloc (carloc)
DirtEYblooog (dirtydeeds)
Di tutto... un po' (jordan20)
AK47 (lillo)
Esperienze elettroniche (marco438)
Telecomunicazioni musicali (clavicordo)
Automazione ed Elettronica (gustavo)
Direttive per la sicurezza (ErnestoCappelletti)
EYnfo dall'Alaska (mir)
Apriamo il quadro! (attilio)
H7-25 (asdf)
Passione Elettrica (massimob)
Elettroni a spasso (guidob)
Bloguerra (guerra)




...ti invito a fare anche tu sti conti per correggermi eventualmente 


è la corrente che circola su
con verso dall' alto verso il basso .
nella prima equazione e
, facendo due conti si arriva a
si sostituisce e si ottiene l' equazione differenziale di secondo ordine in 
