Il mio problema è questo :sto progettando un sistema con caldaia e pompa di calore
vorrei che una volta ragginta una certa temperatura (qunado non risulta più conveniente)
in automaticosi passi dalla pompa di calore alla generazione con caldaia a gas...
scelta doppio generatore
Moderatori:
SandroCalligaro,
mario_maggi,
fpalone
6 messaggi
• Pagina 1 di 1
0
voti
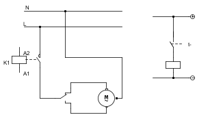
che ne dite se provassi usando questo termostato:
Il blog degli impianti
di enea pacini - firenze
di enea pacini - firenze
0
voti
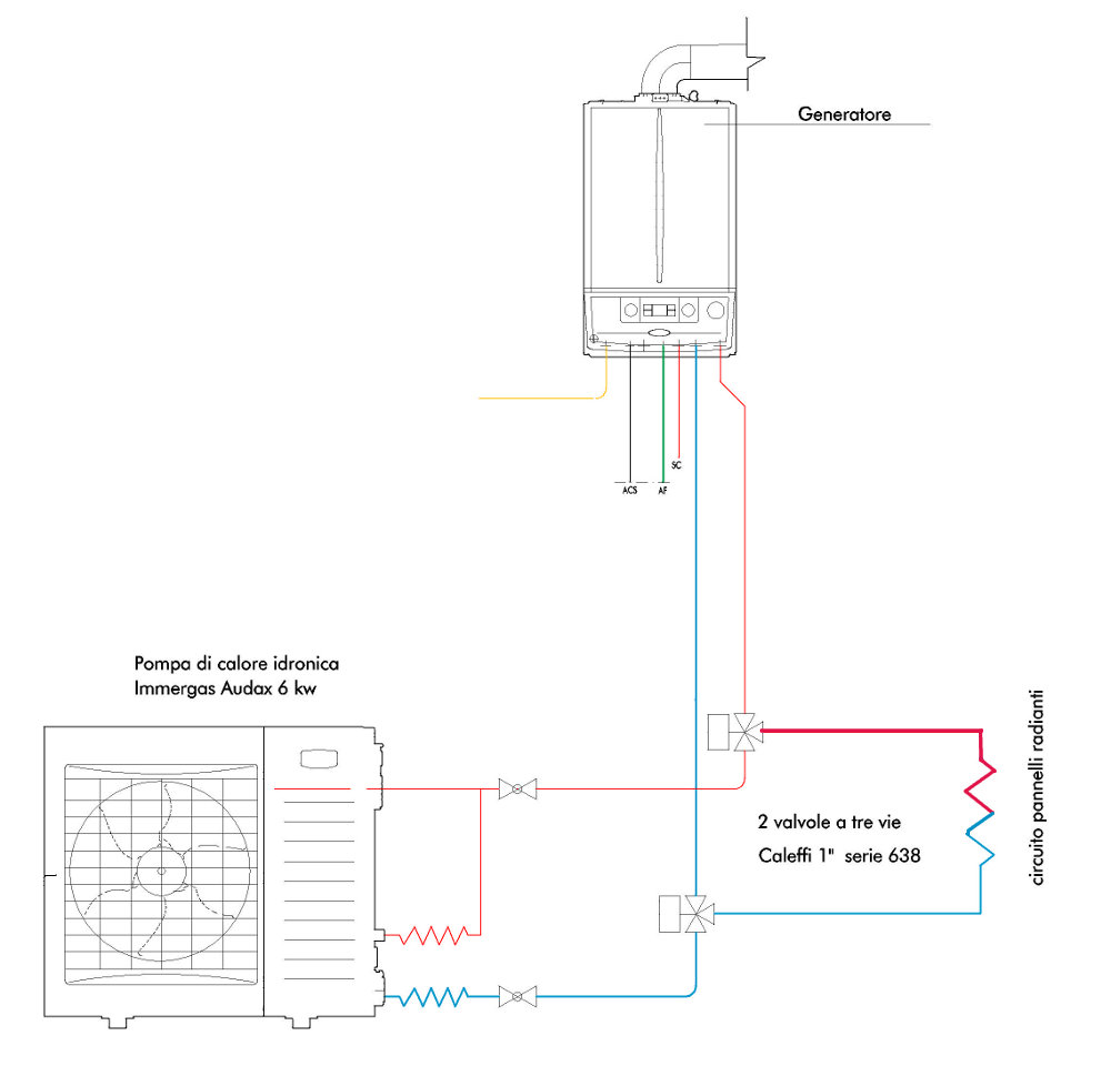
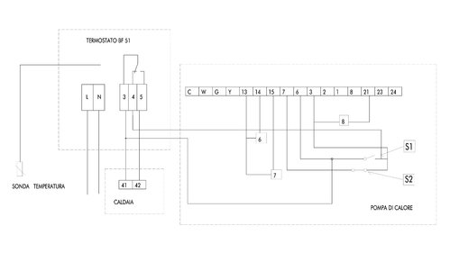
provando a fare questi collegamenti, che ne dite?
Il blog degli impianti
di enea pacini - firenze
di enea pacini - firenze
0
voti
Ho visto che la pompa di calore è Immergas. Immergas per i sistemi ibridi dispone di un dispositivo, che chiamano "dispositivo di sistema" ( o forse "gestore di sistema", non ricordo bene), con il quale puoi gestire più pompe di calore, caldaia, bollitore ACS, ecc. Con una serie di funzioni che arrivano a programmare la gestione dell'impianto in funzione delle condizioni climatiche e anche in funzione del costo delle diverse fonti energetiche.
Ho giusto progettato l'impianto di un piccolo condominio lo scorso anno con questo sistema, è in fase di installazione proprio in questi giorni. Ora non ho tempo di controllare, rispetto a quella da me adottata, mi pare che sia stata presentata una nuova versione in occasione della mostra MCE che si è tenuta la scorsa settimana in fiera a Milano. Dovresti trovare tutto sul sito Immergas.
Ho giusto progettato l'impianto di un piccolo condominio lo scorso anno con questo sistema, è in fase di installazione proprio in questi giorni. Ora non ho tempo di controllare, rispetto a quella da me adottata, mi pare che sia stata presentata una nuova versione in occasione della mostra MCE che si è tenuta la scorsa settimana in fiera a Milano. Dovresti trovare tutto sul sito Immergas.
0
voti
Si , effettivamente penso di possa fare con il gestore di sistema.... ma di listino ho visto che costa più di 750 euro....mi chiedevo se poteva essere risolto con questo sistema più grezzo ma con un costo del termostato di 150 uero e contattore di prezzo minimo 

Il blog degli impianti
di enea pacini - firenze
di enea pacini - firenze
0
voti
Ovviamente lontano da me la presunzione di giudicare scelte diverse, soprattutto se alla base vi sono considerazioni di tipo economico. Terrei però presente che a fronte di una soluzione "artigianale", che comunque avrà un costo, che va oltre la semplice somma di acquisto dei componenti, l'adozione del "pacchetto" Immergas, oltre ad offrirti servizi e possibilità di controllo che vanno oltre la semplice commutazione al punto di bivalenza, costituisce un "pacchetto" testato e certificato.
6 messaggi
• Pagina 1 di 1
Chi c’è in linea
Visitano il forum: Nessuno e 5 ospiti

Elettrotecnica e non solo (admin)
Un gatto tra gli elettroni (IsidoroKZ)
Esperienza e simulazioni (g.schgor)
Moleskine di un idraulico (RenzoDF)
Il Blog di ElectroYou (webmaster)
Idee microcontrollate (TardoFreak)
PICcoli grandi PICMicro (Paolino)
Il blog elettrico di carloc (carloc)
DirtEYblooog (dirtydeeds)
Di tutto... un po' (jordan20)
AK47 (lillo)
Esperienze elettroniche (marco438)
Telecomunicazioni musicali (clavicordo)
Automazione ed Elettronica (gustavo)
Direttive per la sicurezza (ErnestoCappelletti)
EYnfo dall'Alaska (mir)
Apriamo il quadro! (attilio)
H7-25 (asdf)
Passione Elettrica (massimob)
Elettroni a spasso (guidob)
Bloguerra (guerra)


