in ultimo ci terrei a dirvi grazie per la pazienza e l'aiuto che mi state dando, molti non hanno la vostra disponibilità e, se pur coscente della mia ignoranza, sto capendo moltissime cose grazie alle vostre risposte.
Strobo con luce a led
Moderatori:
carloc,
g.schgor,
BrunoValente,
IsidoroKZ
44 messaggi
• Pagina 3 di 5 • 1, 2, 3, 4, 5
1
voti
in ultimo ci terrei a dirvi grazie per la pazienza e l'aiuto che mi state dando, molti non hanno la vostra disponibilità e, se pur coscente della mia ignoranza, sto capendo moltissime cose grazie alle vostre risposte.
0
voti
ledo ha scritto:per ognuno di loro dovrei inserire un dissipatore di calore grande come una moneta da 2 € e quindi la mia piccola luce strobo (che dovrebbe avere una forma a torcia), finirebbe per diventare troppo grande
Il compito del dissipatore è quello di cedere il calore che gli è trasmesso dal led all'ambiente, per convezione naturale o forzata, ma se lo chiudi nel corpo di una torcia, la sua efficacia sarà quasi nulla.
Nelle torce, i led vengono fatti dissipare dal corpo stesso della torcia che non a caso è sempre di alluminio e spesso hanno delle alettature nella zona più calda.
Nel tuo caso la potenza dissipata dal led è modesta, non arriva a 2,5W in funzionamento continuo ma comunque se riesci a collegare meccanicamente e termicamente la piastrina di alluminio dov' è saldato (senza bisogno di aggiungere un dissipatore) al corpo della torcia, sarebbe molto meglio (ovviamente il corpo della torcia deve essere di alluminio o quantomeno di metallo).
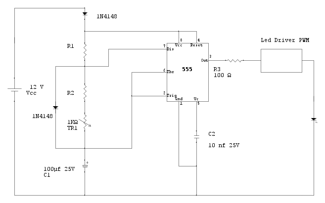
Inoltre per regolare la corrente del led evitando la resistenza di caduta, che spreca energia e scalda come una stufa, sarebbe da valutare di pilotare con l' NE555 direttamente un regolatorino switching con ingresso PWM (non per dimmerarlo ma semplicemente come controllo ON/OFF) come questo:
http://www.ebay.it/itm/LED-DRIVER-3w-700mA-PWM-Dimmer-DC-DC-Stepdown-Converter-24W-/152022458797?hash=item23653ea1ad:g:xKgAAOSwZ8ZW4Y~h
Datasheet IC:
https://people.xiph.org/~xiphmont/thinkpad/PT4115E.pdf
non mi serve una potenza superiore dato che 200 lumens di emissione sono più che sufficienti;
Non conosco la tua applicazione, ma non pensare che 200 lumen siano un granché, specie con una sorgente che irradia almeno con un angolo di 90°(@
) come sono i led che andresti ad usare. Se vuoi un fascio di luce più stretto, e quindi un flusso luminoso maggiore perché più concentrato, devi prevedere una lente o una parabola riflettente ma ricordati che rubano un 10-20% di luminosità.
http://www.progettazioneottica.it/lenti-e-riflettori/952
p.s. Con tutte queste cose spero di non averti messo in crisi

Alberto
La vita è come una bicicletta, devi sempre pedalare per rimanere in equilibrio
Annuncio sempre valido: http://www.electroyou.it/forum/viewtopic.php?f=10&t=62668
La vita è come una bicicletta, devi sempre pedalare per rimanere in equilibrio
Annuncio sempre valido: http://www.electroyou.it/forum/viewtopic.php?f=10&t=62668
-

AlbertoBianchi
2.009 3 5 - Master

- Messaggi: 836
- Iscritto il: 4 dic 2014, 18:30
- Località: Lastra a Signa (FI)
0
voti
più che in crisi, ho visto la luce ahahahahah (scusa non ho resistito), in pratica questo "controller" andrebbe piazzato tra l'uscita 3 dell'NE555 ed il led che vorrei applicare così che sia lui a gestire potenza e tutto il resto giusto? mentre il resto del proggetto resterebbe uguale e potrei utilizzare l'alimentazione a 12V.
vorrei chiederti un'informazione, quando sono andato in negozio per prendere un po' di materiale il commesso, sentendo del mio progetto, ha insistito perché prendessi questo:
1) http://www.tecnoaffiliazioni.it/home/pr ... 00k-240lm/
e questo( che però mi ha regalato perché era una rimanenza di magazzino) : http://www.dx.com/p/7000k-3w-200-lumen- ... vbUl-bMiJ4
mi ha detto che sono led SMD e che si adattano alla corrente che ricevono dai 3 ai 15 V e che quindi sono ideali per lavorarci perché sono difficili da bruciare e mi permettono di utilizzare meno componenti. non so se è vero o voleva solo toglierseli di mezzo (
0
voti
in pratica questo "controller" andrebbe piazzato tra l'uscita 3 dell'NE555 ed il led che vorrei applicare così che sia lui a gestire potenza e tutto il resto giusto? mentre il resto del proggetto resterebbe uguale e potrei utilizzare l'alimentazione a 12 V.
Si esatto, il pin 3 dovrebbe esser collegato all'ingresso PWM (limitando il livello a 6V max).
L'alimentazione minima è 6-7V, con un solo led potresti adoperare 2-3 celle li-ion in serie.
...quando sono andato in negozio per prendere un po' di materiale il commesso, sentendo del mio progetto, ha insistito perché prendessi questo:
1) http://www.tecnoaffiliazioni.it/home/pr ... 00k-240lm/
Guardando le foto, credo che dietro abbia montato lo stesso circuito di cui parlavamo sopra, però il segnale PWM non' è accessibile, quindi per usarlo bisognerebbe togliere i 4 diodi rettificatori e tirar fuori il segnale saldando un filo all pin dell' integratino...
E' montato su un dischetto di vetronite non su alluminio, non so quanto sia realmente valido.
mi ha detto che sono led SMD e che si adattano alla corrente (non corrente, TENSIONE) che ricevono dai 3 ai 15 V e che quindi sono ideali per lavorarci perché sono difficili da bruciare
Da un certo punto di vista può anche essere vero, però se non vengono modificati non sono per niente adatti a quello che vuoi fare tu.
Dovessi farlo io lo strobo, userei questo led (molto più efficiente)
http://www.ebay.it/itm/10W-5W-3W-CREE-XM-L2-XML2-Neutral-White-5000K-U2-T6-3B-LED-20mm-star-heatsink-/251761753814?var=&hash=item3a9e2b7ed6:m:mcb5AtGJmD2A6PhSNAobK4w
driver 1200mA (circa 500-550 lumen)
http://www.ebay.it/itm/Mean-Well-DC-LDD-1200L-LDD-L-Constant-Current-LED-Driver-1200mA-1-2A-/261484621290?hash=item3ce1b2adea
Lenti:
http://www.ebay.it/itm/5-x-LENTE-CHIP-LED-1W-3W-5W-PARA-LED-CREE-XPE-/162014761380?hash=item25b8d511a4:g:vpAAAOSwd0BV7BUD
Alberto
La vita è come una bicicletta, devi sempre pedalare per rimanere in equilibrio
Annuncio sempre valido: http://www.electroyou.it/forum/viewtopic.php?f=10&t=62668
La vita è come una bicicletta, devi sempre pedalare per rimanere in equilibrio
Annuncio sempre valido: http://www.electroyou.it/forum/viewtopic.php?f=10&t=62668
-

AlbertoBianchi
2.009 3 5 - Master

- Messaggi: 836
- Iscritto il: 4 dic 2014, 18:30
- Località: Lastra a Signa (FI)
0
voti
Ciao Ragazzi;
credo di aver trovato il giusto schema per giungere il mio obiettivo, prendendo spunto dall'idea del gentilissimo
AlbertoBianchi, ho deciso di aggiungere un led driver per poter comandare il led in maniera ottimale.
ovviamente ora c'è da fare i calcoli per il duty cycle, e per le varie resistenze ma credo di essere sulla buona strada.
p.s.
AlbertoBianchi, prendendo sempre spunto dal tuo ultimo post credo che mi darò un'occhiata all'intera gamma dei led di quella marca con relativi driver.
credo di aver trovato il giusto schema per giungere il mio obiettivo, prendendo spunto dall'idea del gentilissimo
ovviamente ora c'è da fare i calcoli per il duty cycle, e per le varie resistenze ma credo di essere sulla buona strada.
p.s.
1
voti
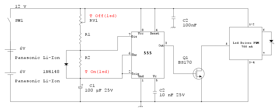
Ti ho fatto uno schema più dettagliato.
L'introduzione di Q1 per pilotare il driver mi ha costretto a ribaltare la logica dei tempi ON/OFF dell' NE555
Adesso il tempo di scarica del condensatore C1, determinato da R2, corrisponde al tempo (fisso) di accensione del led, invece Il tempo di carica, determinato da RV1+R1, determina il tempo (variabile) di spengimento del led.
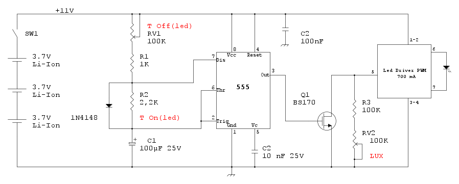
RV2 ed R3 sono opzionali e determinano la massima luminosità del led, variabile tra 50% e 100% tramite RV2.
L'alimentazione è realizzata con 3 celle litio formato 18650 (comunissime) che erogano da 8V (scariche) a 12V (cariche). Le puoi reperire con capacità di 2600-3000 mA/h
L'introduzione di Q1 per pilotare il driver mi ha costretto a ribaltare la logica dei tempi ON/OFF dell' NE555
Adesso il tempo di scarica del condensatore C1, determinato da R2, corrisponde al tempo (fisso) di accensione del led, invece Il tempo di carica, determinato da RV1+R1, determina il tempo (variabile) di spengimento del led.
RV2 ed R3 sono opzionali e determinano la massima luminosità del led, variabile tra 50% e 100% tramite RV2.
L'alimentazione è realizzata con 3 celle litio formato 18650 (comunissime) che erogano da 8V (scariche) a 12V (cariche). Le puoi reperire con capacità di 2600-3000 mA/h
Alberto
La vita è come una bicicletta, devi sempre pedalare per rimanere in equilibrio
Annuncio sempre valido: http://www.electroyou.it/forum/viewtopic.php?f=10&t=62668
La vita è come una bicicletta, devi sempre pedalare per rimanere in equilibrio
Annuncio sempre valido: http://www.electroyou.it/forum/viewtopic.php?f=10&t=62668
-

AlbertoBianchi
2.009 3 5 - Master

- Messaggi: 836
- Iscritto il: 4 dic 2014, 18:30
- Località: Lastra a Signa (FI)
0
voti
in realtà non mi è chiara la presenza di Q1, da quello che mi pareva di aver letto bastava alimentare il led driver con la corrente, e poi avrebbe provveduto lui a fornire la "potenza" necessaria al led per funzionare al meglio. inoltre da quell'articolo che mi hai postato, quello di una mini strobo, di Seba Serafini, la prima resistenza indica la durata del flash accesso, e le altre due resistenze individuano l'intervallo tra una accensione e l'altra. Configurando le resistenze in questo modo è la stessa cosa?
0
voti
Grazie Alberto, se non mi avessi dato una mano tu, forse starei ancora perdendo tempo a cercare il led.
0
voti
Mi ero un attimo dimenticato di questo post, scusami.
In effetti è così, però per com' è congegnato il driver al suo interno, il pilotaggio migliore è quello fatto con un uscita open collector e non con una di tipo push-pull com'è invece quella dell' NE555 che fornirebbe anche una tensione troppo alta per il pin PWM del driver.
Per questo motivo ho dovuto introdurre Q1, che però ha come controindicazione quella di invertire le fasi on/off del driver e di conseguenza costringe ad invertire la funzione logica luce/buio delle due resistenze di carica e scarica, ma in definitiva, all' atto pratico, non cambia nulla.
Di nulla, figurati...
Però aspettiamo tutti di vederlo realizzato !

ledo ha scritto:in realtà non mi è chiara la presenza di Q1, da quello che mi pareva di aver letto bastava alimentare il led driver con la corrente, e poi avrebbe provveduto lui a fornire la "potenza" necessaria al led...
...la prima resistenza indica la durata del flash accesso, e le altre due resistenze individuano l'intervallo tra una accensione e l'altra. Configurando le resistenze in questo modo è la stessa cosa?
In effetti è così, però per com' è congegnato il driver al suo interno, il pilotaggio migliore è quello fatto con un uscita open collector e non con una di tipo push-pull com'è invece quella dell' NE555 che fornirebbe anche una tensione troppo alta per il pin PWM del driver.
Per questo motivo ho dovuto introdurre Q1, che però ha come controindicazione quella di invertire le fasi on/off del driver e di conseguenza costringe ad invertire la funzione logica luce/buio delle due resistenze di carica e scarica, ma in definitiva, all' atto pratico, non cambia nulla.
ledo ha scritto:Grazie Alberto, se non mi avessi dato una mano tu, forse starei ancora perdendo tempo a cercare il led.
Di nulla, figurati...
Però aspettiamo tutti di vederlo realizzato !

Alberto
La vita è come una bicicletta, devi sempre pedalare per rimanere in equilibrio
Annuncio sempre valido: http://www.electroyou.it/forum/viewtopic.php?f=10&t=62668
La vita è come una bicicletta, devi sempre pedalare per rimanere in equilibrio
Annuncio sempre valido: http://www.electroyou.it/forum/viewtopic.php?f=10&t=62668
-

AlbertoBianchi
2.009 3 5 - Master

- Messaggi: 836
- Iscritto il: 4 dic 2014, 18:30
- Località: Lastra a Signa (FI)
0
voti
Ciao
ledo,
se vuoi imparare con un percorso più organizzato l'elettronica, proprio passando per i vari componenti e creando progettini concreti nel mentre, mi permetto di consigliarti il miglior libro che ho trovato:
http://www.amazon.it/Make-Electronics-L ... lectronics
è in inglese, ma un inglese davvero basilare. Bada di prendere la seconda edizione che è uscita a settembre 2015.
Prendilo e non rimarrai deluso!

se vuoi imparare con un percorso più organizzato l'elettronica, proprio passando per i vari componenti e creando progettini concreti nel mentre, mi permetto di consigliarti il miglior libro che ho trovato:
http://www.amazon.it/Make-Electronics-L ... lectronics
è in inglese, ma un inglese davvero basilare. Bada di prendere la seconda edizione che è uscita a settembre 2015.
Prendilo e non rimarrai deluso!

Più so e più mi accorgo di non sapere.
Qualsiasi cosa abbia scritto, tieni presente che sono ancora al mio primo rocchetto di stagno.
Qualsiasi cosa abbia scritto, tieni presente che sono ancora al mio primo rocchetto di stagno.
44 messaggi
• Pagina 3 di 5 • 1, 2, 3, 4, 5
Chi c’è in linea
Visitano il forum: Nessuno e 31 ospiti

Elettrotecnica e non solo (admin)
Un gatto tra gli elettroni (IsidoroKZ)
Esperienza e simulazioni (g.schgor)
Moleskine di un idraulico (RenzoDF)
Il Blog di ElectroYou (webmaster)
Idee microcontrollate (TardoFreak)
PICcoli grandi PICMicro (Paolino)
Il blog elettrico di carloc (carloc)
DirtEYblooog (dirtydeeds)
Di tutto... un po' (jordan20)
AK47 (lillo)
Esperienze elettroniche (marco438)
Telecomunicazioni musicali (clavicordo)
Automazione ed Elettronica (gustavo)
Direttive per la sicurezza (ErnestoCappelletti)
EYnfo dall'Alaska (mir)
Apriamo il quadro! (attilio)
H7-25 (asdf)
Passione Elettrica (massimob)
Elettroni a spasso (guidob)
Bloguerra (guerra)




