Buongiorno a tutti,
avrei bisogno di un aiuto per capire se è possibile risolvere un problema.
Ho la necessità di dover asciugare un'utensile in acciaio con un getto di aria ed ho realizzato un circuito che tramite un sensore di prossimità induttivo, aziono un'elettrovalvola.
Il sensore che utilizzo ha una distanza minima di attivazione di circa 5mm.
Tutto bene se l'utensile è quasi a contatto e lo si tiene ben fermo davanti al sensore, ma appena lo si sposta anche di poco l'elettrovalvola si attiva e disattiva rendendone l'utilizzo non proprio ottimale.
Dovrei quindi "inserire" un po' di isteresi, ed avevo pensato di utilizzare un condensatore + resistenza per creare un minimo ritardo alla disattivazione, ma mi sembra che ciò non sia possibile senza sostituire il sensore con uno di tipo diverso (dal costo quasi doppio...)
Mi chiedevo se invece, (viste le mie limitate conoscenze di questa materia) non ci sia un modo di modificare il circuito ed ottenere quanto desiderato in maniera semplice.
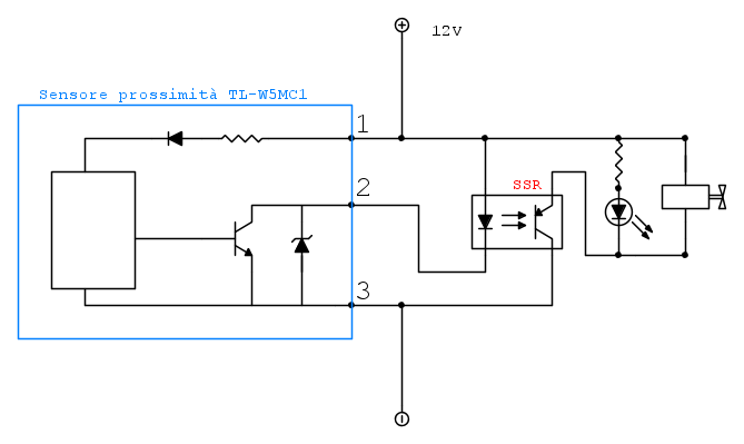
questo il circuito:
ho evidenziato in azzurro il circuito contenuto nel sensore.
Il sensore comanda un relè SSR che aziona l'elettrovalvola
Il sensore è un OMRON TL-W5MC1, qui la scheda tecnica.
http://www.fa.omron.com.cn/data_pdf/cat ... pdf?id=460
Si può fare ? o devo cambiare sensore (tipo il TL-W5E1)?
Inserire isteresi ad un sensore di prossimità
Moderatori:
carloc,
g.schgor,
BrunoValente,
IsidoroKZ
7 messaggi
• Pagina 1 di 1
2
voti
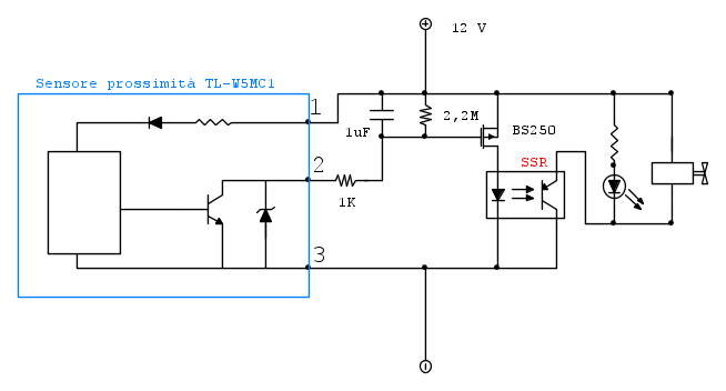
Si può introdurre un ritardo alla diseccitazione di qualche secondo con un mosfet (mi sembra la strada più semplice).
Se il tempo non basta, aumenta il condensatore.
Se il tempo non basta, aumenta il condensatore.
Alberto
La vita è come una bicicletta, devi sempre pedalare per rimanere in equilibrio
Annuncio sempre valido: http://www.electroyou.it/forum/viewtopic.php?f=10&t=62668
La vita è come una bicicletta, devi sempre pedalare per rimanere in equilibrio
Annuncio sempre valido: http://www.electroyou.it/forum/viewtopic.php?f=10&t=62668
-

AlbertoBianchi
2.009 3 5 - Master

- Messaggi: 836
- Iscritto il: 4 dic 2014, 18:30
- Località: Lastra a Signa (FI)
0
voti
Grazie Alberto, mi procuro un PMosfet e faccio una prova
Quindi, se ho capito bene, quando il sensore è inattivo, il gate è alimentato grazie alla R da 2,2Mohm e tra S e D non scorre tensione
Quando il sensore è attivo la tensione al gate scende a 0 (+ o -) e tra S e D scorre tensione attivando il relè.
Non mi è chiaro cosa succede quando il sensore si disattiva. Il condensatore a questo punto dovrebbe fornire una tensione al Gate, e quindi il relè si disattiva comunque subito.
Mi sà che non ho capito niente....
Quindi, se ho capito bene, quando il sensore è inattivo, il gate è alimentato grazie alla R da 2,2Mohm e tra S e D non scorre tensione
Quando il sensore è attivo la tensione al gate scende a 0 (+ o -) e tra S e D scorre tensione attivando il relè.
Non mi è chiaro cosa succede quando il sensore si disattiva. Il condensatore a questo punto dovrebbe fornire una tensione al Gate, e quindi il relè si disattiva comunque subito.
Mi sà che non ho capito niente....
0
voti
bigjump ha scritto:Grazie Alberto, mi procuro un PMosfet e faccio una prova
se non usi il BS250 controlla bene il datasheet.
Quindi, se ho capito bene, quando il sensore è inattivo, il gate è alimentato grazie alla R da 2,2Mohm e tra S e D non scorre tensione
Si, C è scarico (o si è scaricato tramite R) e la Vgs è pari a 0V quindi il mosfet è interdetto.
Quando il sensore è attivo la tensione al gate scende a 0 (+ o -) e tra S e D scorre tensione attivando il relè.
A parte che tra S e D scorre corrente e non tensione, per il resto è così...
Non mi è chiaro cosa succede quando il sensore si disattiva. Il condensatore a questo punto dovrebbe fornire una tensione al Gate, e quindi il relè si disattiva comunque subito.
Mi sà che non ho capito niente....
Si, il condensatore si è caricato (Vgs ~= -Vsupply) e quando il transistor del sensore si interdice, comincia a scaricarsi su R ma è in grado di mantiene un potenziale di Vgs sufficiente a mantenere in conduzione il mosfet ancora per un po' di tempo e ritardando così la diseccitazione del SSR.
La R da 1K è praticamente ininfluente, l'ho messa solo per evitare danni al sensore in caso di guasto o pasticci vari.
Alberto
La vita è come una bicicletta, devi sempre pedalare per rimanere in equilibrio
Annuncio sempre valido: http://www.electroyou.it/forum/viewtopic.php?f=10&t=62668
La vita è come una bicicletta, devi sempre pedalare per rimanere in equilibrio
Annuncio sempre valido: http://www.electroyou.it/forum/viewtopic.php?f=10&t=62668
-

AlbertoBianchi
2.009 3 5 - Master

- Messaggi: 836
- Iscritto il: 4 dic 2014, 18:30
- Località: Lastra a Signa (FI)
0
voti
Ciao Alberto,
grazie mille per la spiegazione, adesso mi è chiaro il funzionamento.
Ho provato il circuito con un BS250 e funziona perfettamente. Ho utilizzato un C da 0,22 perché con 1 uF il tempo era di alcuni secondi.
Eventualmente posso mettere un C un po' più grande e poi fare una taratura "fine" con un trimmer al posto della resistenza da 2,2Mhom?
Grazie di nuovo per il prezioso aiuto
grazie mille per la spiegazione, adesso mi è chiaro il funzionamento.
Ho provato il circuito con un BS250 e funziona perfettamente. Ho utilizzato un C da 0,22 perché con 1 uF il tempo era di alcuni secondi.
Eventualmente posso mettere un C un po' più grande e poi fare una taratura "fine" con un trimmer al posto della resistenza da 2,2Mhom?
Grazie di nuovo per il prezioso aiuto
1
voti

"Non farei mai parte di un club che accettasse la mia iscrizione" (G. Marx)
-

claudiocedrone
21,3k 4 7 9 - Master EY

- Messaggi: 15302
- Iscritto il: 18 gen 2012, 13:36
0
voti
Continuo ad avere disservizi con internet e mi scuso del ritardo con cui pervengo alle risposte.
Mi fa piacere che hai risolto, come ti ha già suggerito
claudiocedrone puoi benissimo aggiungere un trimmer e variare il condensatore per aggiustarti il tempo, non ci sono controindicazioni.
Ciao
Mi fa piacere che hai risolto, come ti ha già suggerito
Ciao

Alberto
La vita è come una bicicletta, devi sempre pedalare per rimanere in equilibrio
Annuncio sempre valido: http://www.electroyou.it/forum/viewtopic.php?f=10&t=62668
La vita è come una bicicletta, devi sempre pedalare per rimanere in equilibrio
Annuncio sempre valido: http://www.electroyou.it/forum/viewtopic.php?f=10&t=62668
-

AlbertoBianchi
2.009 3 5 - Master

- Messaggi: 836
- Iscritto il: 4 dic 2014, 18:30
- Località: Lastra a Signa (FI)
7 messaggi
• Pagina 1 di 1
Chi c’è in linea
Visitano il forum: Nessuno e 59 ospiti

Elettrotecnica e non solo (admin)
Un gatto tra gli elettroni (IsidoroKZ)
Esperienza e simulazioni (g.schgor)
Moleskine di un idraulico (RenzoDF)
Il Blog di ElectroYou (webmaster)
Idee microcontrollate (TardoFreak)
PICcoli grandi PICMicro (Paolino)
Il blog elettrico di carloc (carloc)
DirtEYblooog (dirtydeeds)
Di tutto... un po' (jordan20)
AK47 (lillo)
Esperienze elettroniche (marco438)
Telecomunicazioni musicali (clavicordo)
Automazione ed Elettronica (gustavo)
Direttive per la sicurezza (ErnestoCappelletti)
EYnfo dall'Alaska (mir)
Apriamo il quadro! (attilio)
H7-25 (asdf)
Passione Elettrica (massimob)
Elettroni a spasso (guidob)
Bloguerra (guerra)

