brunosso ha scritto:Quindi devo limitare la corrente, imponendo al gate una ben definita tensione Vgs...
Vedo che stai mettendo a fuoco le cose
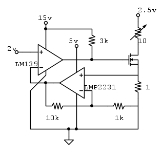
cominciamo ad usare il datasheet di un componente reale, l' IRF1324S che ti hanno suggerito.
Come puoi vedre dalle curve delle caratteristiche di output, (in queso dispositivo la regione lineare e quella di saturazione sono molto più sfumate), sembrerebbe che bastasse imporre una Vgs di 4,8V per limitare la corrente a circa 50A, ma bisogna fare i conti con diversi aspetti che non ci vengono incontro:
i) le curve rappresentano valori tipici che possono essere leggermente diversi da esemplare ad esemplare.
ii) la leggera pendenza delle curve mette in evidenza che per variazioni di Vds, nella regione tra 1 e 3V avremo delle variazioni della Ids e quindi la corrente non sarebbe costante.
iii) cosa molto importante, che puoi evincere confrontando i due grafici, con l'aumento di temperatura del die a parità di Vgs e Vds la Ids sale sensibilmente.
Ne deriva quindi che dobbiamo mettere in piedi un sistema controreazionato che provvede a diminuire la tensione di gate quando la corrente Ids tenderebbe a salire oltre il setpoint e l'aumenta quando la corrente tenderebbe a scendere sotto.
Da questi garfici ti renderai anche conto che per gestire correnti di 40-50A serve una Vgs che va ben oltre quella che ti può fornire il solo supercap
A te la palla....

Elettrotecnica e non solo (admin)
Un gatto tra gli elettroni (IsidoroKZ)
Esperienza e simulazioni (g.schgor)
Moleskine di un idraulico (RenzoDF)
Il Blog di ElectroYou (webmaster)
Idee microcontrollate (TardoFreak)
PICcoli grandi PICMicro (Paolino)
Il blog elettrico di carloc (carloc)
DirtEYblooog (dirtydeeds)
Di tutto... un po' (jordan20)
AK47 (lillo)
Esperienze elettroniche (marco438)
Telecomunicazioni musicali (clavicordo)
Automazione ed Elettronica (gustavo)
Direttive per la sicurezza (ErnestoCappelletti)
EYnfo dall'Alaska (mir)
Apriamo il quadro! (attilio)
H7-25 (asdf)
Passione Elettrica (massimob)
Elettroni a spasso (guidob)
Bloguerra (guerra)





