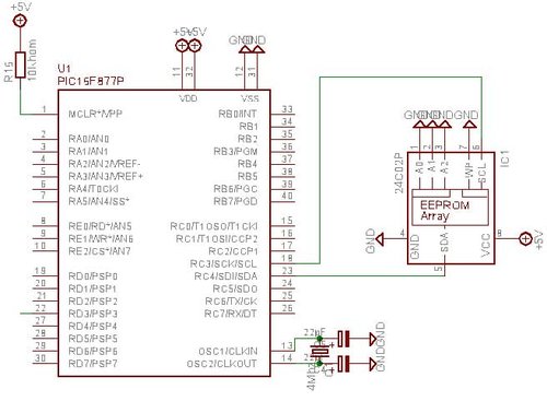
? uso mikrobasic, ho necessità di scrivere dei dati su una eeprom esterna 24c02 tramite un pic16f84. è un mese che ci sbatto la testa e sono ferma Il codice che riporto sotto l'ho preso dal mio libricino "programmazione basic per PIC", ma al momento di compilare il programma mi da errore (come se le istruzioni esate sono estranee a mikrobasic) . allego anchela foto dell'errore
- Codice: Seleziona tutto
program i2c01
trisb=0 'porta b come uscita
portb=0 'azzero porta b
delay_ms(2000) 'pausa 2 sec
soft_i2c_config(porta, 0, 1) 'configura eeprom su porta, sda su ra0 e scl su ra1
soft_i2c_start 'segnale di start via i2c
soft_i2c_write($a0) ' invia un comando alla eeprom
soft_i2c_write(0) 'invia indirizzo di memorizzazione
soft_i2c_write(83) 'invio dato lettera S alla eeprom
soft_i2c_stop 'invia segnale di stop via i2c
delay_ms(2000) 'pausa 2 sec
end.

Elettrotecnica e non solo (admin)
Un gatto tra gli elettroni (IsidoroKZ)
Esperienza e simulazioni (g.schgor)
Moleskine di un idraulico (RenzoDF)
Il Blog di ElectroYou (webmaster)
Idee microcontrollate (TardoFreak)
PICcoli grandi PICMicro (Paolino)
Il blog elettrico di carloc (carloc)
DirtEYblooog (dirtydeeds)
Di tutto... un po' (jordan20)
AK47 (lillo)
Esperienze elettroniche (marco438)
Telecomunicazioni musicali (clavicordo)
Automazione ed Elettronica (gustavo)
Direttive per la sicurezza (ErnestoCappelletti)
EYnfo dall'Alaska (mir)
Apriamo il quadro! (attilio)
H7-25 (asdf)
Passione Elettrica (massimob)
Elettroni a spasso (guidob)
Bloguerra (guerra)





