Cos'è ElectroYou | Login Iscriviti

ElectroYou - la comunità dei professionisti del mondo elettrico

Problemi con oscillatore di Pierce

Elettronica lineare e digitale: didattica ed applicazioni

Moderatori: Foto Utentecarloc, Foto Utenteg.schgor, Foto UtenteBrunoValente, Foto UtenteIsidoroKZ

0
voti

[21] Re: Problemi con oscillatore di Pierce

Messaggioda Foto UtenteAlbertoBianchi » 4 apr 2016, 19:48

Ciao, ma state tirando numeri a caso? ?% ?% ?%
Il datasheet del quarzo riporta la "load capacitance" tipica, e quella va rispettata :!: :!: :!:
Esempio:

The following formula may be used to calculate a parallel resonant crystal's external load capacitors:
CL = ((CX1 x CX2) / (CX1 + CX2)) + Cstray
where:
CL = the crystal load capacitance
Cstray = the stray capacitance in the oscillator circuit, which will normally be in the 2pF to 5pF range.

Assuming that CX1=CX2 then the equation becomes:
CL = ((CX1 x CX1) / (2 x CX1)) + Cstray
CL = (CX1 / 2) + Cstray
Rearranging the equation, we can find the external load capacitor value:
CX1 = 2(CL - Cstray)

For example, if the crystal load capacitance is 15pF, and assuming Cstray=2pF, then:
CX1 = CX2 = 2(15pF - 2pF) = 26pF
Alberto
La vita è come una bicicletta, devi sempre pedalare per rimanere in equilibrio

Annuncio sempre valido: http://www.electroyou.it/forum/viewtopic.php?f=10&t=62668
Avatar utente
Foto UtenteAlbertoBianchi
2.009 3 5
Master
Master
 
Messaggi: 836
Iscritto il: 4 dic 2014, 18:30
Località: Lastra a Signa (FI)

0
voti

[22] Re: Problemi con oscillatore di Pierce

Messaggioda Foto UtenteJno » 4 apr 2016, 19:59

Se il quarzo funziona, l'unica cosa che non mi piace sono le connessioni troppo lunghe. :?
(assumendo Cstray=4pF i 22 pF usati dovrebbero andare...)

Usando una millefori a saldare con zoccoli per gli integrati ?
(che se gli integrati costano poco, magari saldi il tutto ... :roll: )

Gambette componenti ridotte al minimo e via così....
Per la alimentazione durante le prove usa una pila.
O_/
Avatar utente
Foto UtenteJno
481 1 4
New entry
New entry
 
Messaggi: 61
Iscritto il: 7 mar 2016, 0:50

1
voti

[23] Re: Problemi con oscillatore di Pierce

Messaggioda Foto Utenteenbarberis » 4 apr 2016, 21:17

Usando queste formule avevo calcolato circa 20pF.
Purtroppo con quel valore l'oscillazione non parte sempre, e se parte, parte con frequenze molto variabili.

Ora ho verificato empiricamente che con 100pF e 1nF va alla perfezione, forse è dovuto ai fili lunghi e alla breadboard. Quando trasferirò il circuito su millefori vedrò se le cose cambieranno.

Ancora grazie a tutti per l'aiuto :)
Avatar utente
Foto Utenteenbarberis
48 1 3
 
Messaggi: 21
Iscritto il: 29 dic 2015, 20:16

3
voti

[24] Re: Problemi con oscillatore di Pierce

Messaggioda Foto UtenteBrunoValente » 4 apr 2016, 22:42

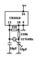
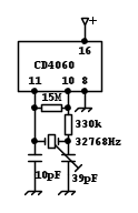
Questo è il circuito che utilizzo con il CD4060 e che funziona bene. Con il CD4011 dovrebbe funzionare con gli stessi valori.

Avatar utente
Foto UtenteBrunoValente
39,6k 7 11 13
G.Master EY
G.Master EY
 
Messaggi: 7796
Iscritto il: 8 mag 2007, 14:48

0
voti

[25] Re: Problemi con oscillatore di Pierce

Messaggioda Foto Utenteclaudiocedrone » 6 apr 2016, 0:53

IsidoroKZ ha scritto: ...ancora meglio serie 4000U (unbuffered)...

:-) Questa affermazione mi incuriosisce anche perché l'OP non la ha recepita e sta usando un BE (buffered) ho quindi pensato che si viene ad aggiungere un buffer nella rete di reazione :? che sia questa differenza circuitale che sballa tutti i conti ? Da 22 pF o 39 pF a 1 nF c'è una bella differenza :roll:
Foto UtenteBrunoValente, i 4060 che hai usato erano U o B ? O_/
"Non farei mai parte di un club che accettasse la mia iscrizione" (G. Marx)
Avatar utente
Foto Utenteclaudiocedrone
21,3k 4 7 9
Master EY
Master EY
 
Messaggi: 15302
Iscritto il: 18 gen 2012, 13:36

0
voti

[26] Re: Problemi con oscillatore di Pierce

Messaggioda Foto UtenteBrunoValente » 6 apr 2016, 12:08

claudiocedrone ha scritto: i 4060 che hai usato erano U o B ?

Non mi ricordo, anzi proprio non ho badato a questo ma non dovrebbe comportare tanta differenza.
Avatar utente
Foto UtenteBrunoValente
39,6k 7 11 13
G.Master EY
G.Master EY
 
Messaggi: 7796
Iscritto il: 8 mag 2007, 14:48

Precedente

Torna a Elettronica generale

Chi c’è in linea

Visitano il forum: Google [Bot], Google Adsense [Bot] e 45 ospiti