Cos'è ElectroYou | Login Iscriviti

ElectroYou - la comunità dei professionisti del mondo elettrico

Banco di supercondensatori e circuiti di balancing

Elettronica lineare e digitale: didattica ed applicazioni

Moderatori: Foto Utentecarloc, Foto Utenteg.schgor, Foto UtenteBrunoValente, Foto UtenteIsidoroKZ

0
voti

[31] Re: Banco di supercondensatori e circuiti di balancing

Messaggioda Foto Utentebrunosso » 2 apr 2016, 0:33

AlbertoBianchi ha scritto:Non sono d'accordo, ma se sei convinto tu, non ho niente da ridire.
Mentre aspetti la risposta da Maxwell, potresti trovare qualcosa d' interessante in questo documento:
https://hal.archives-ouvertes.fr/hal-00411482/document


avevo già letto quel pdf, e da li prenderò spunto per proporre il sistema di balancing che prevede l'uso di convertitori DC-DC forward, che è il più veloce e meno dissipativo...ovviamente più costoso :)... vediamo un po'..

Come mai non sei d'accordo? Alla fine è la stessa cosa che mi ha detto Analog Device, quando avevo il mio dubbio... Questi circuitini, hanno dispositivi ad alta impedenza, quindi la corrente non li attraversa, e sono interessati alla sola corrente di perdita, relativa ad un singolo condesatore..
Avatar utente
Foto Utentebrunosso
0 7
Frequentatore
Frequentatore
 
Messaggi: 101
Iscritto il: 14 set 2011, 20:40

0
voti

[32] Re: Banco di supercondensatori e circuiti di balancing

Messaggioda Foto UtenteAlbertoBianchi » 2 apr 2016, 16:27

Non sono d'accordo perché avevi detto tu stesso che volevi limitare la tensione ai capi del supercap durante la carica e per farlo occorre gestire una corrente che sia dello stesso ordine di grandezza (lineare o switching che sia il circuito).
Il circuito che stavi progettando soddisfaceva a pieno questa esigenza.

Se ti basta equalizzare i supercap a carica terminata puoi utilizzare un balancing che gestisca correnti inferiori ammesso che, tra la carica e la successiva scarica, rimanga il tempo per farlo dato che è un processo che può essere molto lungo (da ore a giorni).

Credo che tu non abbia ancora le idee del tutto chiare su quello che vuoi/devi realizzare e soprattutto non hai fatto un'analisi attenta (o almeno non l'hai riportata qui nel forum) di quelli, che in quest'appicazione, sarebbero gli aspetti funzionali negativi da poter tollerare e quelli non.

Per esempio a me verrebbe spontaneo pormi queste domande:
-è tollerabile che a fine carica la differenza di potenziale tra le varie celle possa essere del 20%?
-è tollerabile andare in over-charge su qualche elemento aspettandosi poi una sua vita utile ridotta?
-è tollerabile la perdita di energia totale immagazzinata dallo stack a causa di varie celle che a fine carica risultano sottocaricate?
-tra una carica e la sucessiva scarica ho il tempo utile per fare un' operazione di bilanciamento a bassa corrente?
-è pensabile di fare un ciclo di carica in più step? (carica, bilanciamento, ulteriore carica di rabbocco, ri-bilaciamento e così via...)

Occorre che tu ti ponga, e dia, una risposta a domande come queste, definendo i compromessi accettabili per "piantare dei paletti" e dopo procedere con l'individuazione della soluzione progettuale più soddisfacente (possibilmente elaborata dalla TUA testa :ok: ).

Oltretutto dovresti essere un po' più esaustivo nel fornire le caratteristiche generali del sistema, ci hai detto solo che la corrente di carica è 40A, la capacità e tensione dei supercap e il loro numero.
Per una corretta valutazione occorrerebbero anche queste informazioni:
- La corrente di carica è costante? se no, quali sono i valori min.e max.?
- qual è la tensione di carica che si raggiunge a vuoto? (senza i supercap)
- qual è la corrente di scarica? se è variabile quali sono i valori min. e max.?
- Chi, come, e sulla base di quali perametri gestisce l'attivazione (e disattivazione) della corrente di carica?
- Com'è concepito il ciclo di lavoro del sistema? (tempo di carica, periodo di mantenimento, tempo di scarica..)
- C'è la necessita di minimizzare i costi di servizio legati alla vita utile dei supercap? (probabilmente a discapito dei costi dell'elettronica).
- Sarebbe pensabile immagazzinare la stessa energia utilizzando un minor numero di supercap (e di circuiti annessi!) ma di capacità e tensione più alte?

da li prenderò spunto per proporre il sistema di balancing che prevede l'uso di convertitori DC-DC forward, che è il più veloce e meno dissipativo...ovviamente più costoso :)... vediamo un po'..

Ma poi ti sentiresti in grado di progettarlo?
Veloce lo è in funzione della corrente che riesce a fornire, non in termini assoluti.

Purtroppo questo tema del bilanciamento dei supercap sembra seplice solo in apparenza.... :(
Alberto
La vita è come una bicicletta, devi sempre pedalare per rimanere in equilibrio

Annuncio sempre valido: http://www.electroyou.it/forum/viewtopic.php?f=10&t=62668
Avatar utente
Foto UtenteAlbertoBianchi
2.009 3 5
Master
Master
 
Messaggi: 836
Iscritto il: 4 dic 2014, 18:30
Località: Lastra a Signa (FI)

0
voti

[33] Re: Banco di supercondensatori e circuiti di balancing

Messaggioda Foto Utentebrunosso » 3 apr 2016, 14:12

AlbertoBianchi ha scritto:- Sarebbe pensabile immagazzinare la stessa energia utilizzando un minor numero di supercap (e di circuiti annessi!) ma di capacità e tensione più alte?

A questa domanda posso subito risponderti con un no, nel senso che i supercap sono quelli, e non è previsto di acquistarne e usarne altri!

La corrente di carica non la conosco, il relatore mi ha accennato che il banco deve fornire circa 30kW di potenza, e da li con un semplice calcolo mi sono ricavato questo 40A (43A per essere esatti). Da quello ho pensato che sicuramente era necessario che i circuiti di balancing andavano adattati per sopportare quella corrente. Cosa che ho capito non è vera.
Del lato ricarica non ho alcuna informazione ad ora.

So di non aver dato molti altri dettagli, ma questo è quello che so attualmente. Lunedì parlerò con il relatore per avere ulteriori informazioni, e cercare di capirci qualcosa in più.
Avatar utente
Foto Utentebrunosso
0 7
Frequentatore
Frequentatore
 
Messaggi: 101
Iscritto il: 14 set 2011, 20:40

0
voti

[34] Re: Banco di supercondensatori e circuiti di balancing

Messaggioda Foto Utentebrunosso » 5 apr 2016, 19:33

Eccomi qui con alcune risposte, ed altri dubbi! :)

Allora ho parlato con il relatore e mi ha rispiegato meglio il da fare.
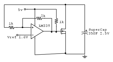
Ho accennato al controllo di corrente (come mi ha suggerito AlbertoBianchi) e mi ha detto che a me interessa limitare semplicemente il supercap tra un minimo di circa 0V ed il suo massimo 2.3V-2.4V, quando la tensione ai capi del supercap è maggiore del valore 2.3V-2.4V il mosfet si deve chiudere e deve far scorrere corrente nel ramo D-S e non sul condensatore. Invece quando siamo al limite deve restare aperto per far caricare il condensaotre appunto.

Lui mi ha detto che è proprio quel mosfet (di potenza) a farsi carico della corrente, a me non interessa sapere quanta ne passa, piuttosto i problemi sono nel pilotaggio. Devo infatti partire da una tensione 0-5V con cui alimentare tutto il controllo, gli opamp o quanto necessario, ed usare opamp che iniettino una corrente nel gate sufficiente a farlo aprire e chiudere rapidamente.
Avatar utente
Foto Utentebrunosso
0 7
Frequentatore
Frequentatore
 
Messaggi: 101
Iscritto il: 14 set 2011, 20:40

0
voti

[35] Re: Banco di supercondensatori e circuiti di balancing

Messaggioda Foto UtenteAlbertoBianchi » 6 apr 2016, 14:08

brunosso ha scritto:... e mi ha detto che a me interessa limitare semplicemente il supercap tra un minimo di circa 0V ed il suo massimo 2.3V-2.4V, quando la tensione ai capi del supercap è maggiore del valore 2.3V-2.4V il mosfet si deve chiudere e deve far scorrere corrente nel ramo D-S e non sul condensatore. Invece quando siamo al limite deve restare aperto per far caricare il condensaotre appunto.

Quindi eravamo sulla giusta strada.... :ok:
Per il controllo in tensione (attivazione e disattivazione del regolatore di corrente in funzione del valore di tensione) starei tra i 2.45V e i 2.5V perché è initile perdere tensione preziosa.
Per questa funzione, invece di un controllo lineare a loop chiuso, opterei per un controllo di tipo isteretico realizzato con un comparatore, tanto la variazione di tensione sul supercap sarà un fenomeno relativamente lento.

...ed usare opamp che iniettino una corrente nel gate sufficiente a farlo aprire e chiudere rapidamente.
Il mosfet non lavora in commutazione ma in lineare, nella regione di saturazione, e quindi al limite ti basta un modesto buffer con un paio di BJT.
Alberto
La vita è come una bicicletta, devi sempre pedalare per rimanere in equilibrio

Annuncio sempre valido: http://www.electroyou.it/forum/viewtopic.php?f=10&t=62668
Avatar utente
Foto UtenteAlbertoBianchi
2.009 3 5
Master
Master
 
Messaggi: 836
Iscritto il: 4 dic 2014, 18:30
Località: Lastra a Signa (FI)

0
voti

[36] Re: Banco di supercondensatori e circuiti di balancing

Messaggioda Foto Utentebrunosso » 7 apr 2016, 19:18



In questo modo sono riuscito a realizzare una soglia tra 2.4v (uscita alta opamp) e 0.5v (uscita bassa opamp).
Come posso simulare il funzionamento del mosfet?
Avatar utente
Foto Utentebrunosso
0 7
Frequentatore
Frequentatore
 
Messaggi: 101
Iscritto il: 14 set 2011, 20:40

1
voti

[37] Re: Banco di supercondensatori e circuiti di balancing

Messaggioda Foto UtenteAlbertoBianchi » 8 apr 2016, 16:26

Non ci siamo.... al di là del funzionamento del comparatore, attivando in questo modo il mosfet cosa pensi che succeda? a che valore si attesterà la corrente ID nel mosfet?
Il comparatore si dovrebbe attivare a 2.45V e disattattivare a 2.40V, quindi un isteresi di 50mV (per il momento è un ipotesi, poi potremo aggiustare il valore se si rivelasse non idoneo, la cosa importante è centrare il concetto)
(Preferisco cercare di stimolare la tua capacità di analisi piuttosto che darti risposte tipo "pappa scodellata" ;-) )
Alberto
La vita è come una bicicletta, devi sempre pedalare per rimanere in equilibrio

Annuncio sempre valido: http://www.electroyou.it/forum/viewtopic.php?f=10&t=62668
Avatar utente
Foto UtenteAlbertoBianchi
2.009 3 5
Master
Master
 
Messaggi: 836
Iscritto il: 4 dic 2014, 18:30
Località: Lastra a Signa (FI)

0
voti

[38] Re: Banco di supercondensatori e circuiti di balancing

Messaggioda Foto Utentebrunosso » 8 apr 2016, 17:18

AlbertoBianchi ha scritto:Non ci siamo.... al di là del funzionamento del comparatore, attivando in questo modo il mosfet cosa pensi che succeda? a che valore si attesterà la corrente ID nel mosfet?
Il comparatore si dovrebbe attivare a 2.45V e disattattivare a 2.40V, quindi un isteresi di 50mV (per il momento è un ipotesi, poi potremo aggiustare il valore se si rivelasse non idoneo, la cosa importante è centrare il concetto)
(Preferisco cercare di stimolare la tua capacità di analisi piuttosto che darti risposte tipo "pappa scodellata" ;-) )


Ti ringrazio sempre per la pazienza che riponi in me :)
Voglio arrivarci da solo, non voglio la pappa pronta. Purtroppo non ho molta esperienza in progettazione elettronica da zero (pur essendo un perito elettronico :) ).
Per quanto riguarda la corrente nel mosfet ho sempre pensato che essendo la Ron del mosfet inferiore alla ESR del supercap, in caso di attivazione del mosfet la corrente Id scorresse tutta nel mosfet e non nel supercap, quindi andando verso altre celle del banco.
Avatar utente
Foto Utentebrunosso
0 7
Frequentatore
Frequentatore
 
Messaggi: 101
Iscritto il: 14 set 2011, 20:40

0
voti

[39] Re: Banco di supercondensatori e circuiti di balancing

Messaggioda Foto UtenteAlbertoBianchi » 8 apr 2016, 17:32

AlbertoBianchi ha scritto:...in caso di attivazione del mosfet la corrente Id scorresse tutta nel mosfet e non nel supercap,

appunto.... prova a quantificare, approssimativamente, a quanto ammonterebbe "tutta" questa corrente nel circuito precedente (Vcap 2.5V e Vgs 5V).
E comunque il problema maggiore sarebbe quello di mantenere un valore di corrente stabile, indipendentemente da Vcap e temperatura, il che ci riporta dritti al circuito del post 24.
Alberto
La vita è come una bicicletta, devi sempre pedalare per rimanere in equilibrio

Annuncio sempre valido: http://www.electroyou.it/forum/viewtopic.php?f=10&t=62668
Avatar utente
Foto UtenteAlbertoBianchi
2.009 3 5
Master
Master
 
Messaggi: 836
Iscritto il: 4 dic 2014, 18:30
Località: Lastra a Signa (FI)

0
voti

[40] Re: Banco di supercondensatori e circuiti di balancing

Messaggioda Foto Utentebrunosso » 8 apr 2016, 17:46

AlbertoBianchi ha scritto:
AlbertoBianchi ha scritto:...in caso di attivazione del mosfet la corrente Id scorresse tutta nel mosfet e non nel supercap,

appunto.... prova a quantificare, approssimativamente, a quanto ammonterebbe "tutta" questa corrente nel circuito precedente (Vcap 2.5 V e Vgs 5 V).
E comunque il problema maggiore sarebbe quello di mantenere un valore di corrente stabile, indipendentemente da Vcap e temperatura, il che ci riporta dritti al circuito del post 24.


Immagine

Se la Vcap è 2,5 anche la Vds lo sarà, quindi considerando la curva Vgs a 5V, siamo a 80A in condizioni normali a 25°C, che vanno a circa 105-106A a 175°C
Avatar utente
Foto Utentebrunosso
0 7
Frequentatore
Frequentatore
 
Messaggi: 101
Iscritto il: 14 set 2011, 20:40

PrecedenteProssimo

Torna a Elettronica generale

Chi c’è in linea

Visitano il forum: Nessuno e 173 ospiti