Sjuanez ha scritto:Anche il condensatore ci sta comodo se lo mette sdraiato!![]()
ComunqueNickyDroid se vedi che ti viene difficile stare con gli spazi nelle dimensioni richieste, un elettrolitico SMD te lo mando io senza problemi.
![]()
![]()
![]()
in che senso O.o
Sjuanez ha scritto:Anche il condensatore ci sta comodo se lo mette sdraiato!![]()
ComunqueNickyDroid se vedi che ti viene difficile stare con gli spazi nelle dimensioni richieste, un elettrolitico SMD te lo mando io senza problemi.
![]()
![]()
![]()

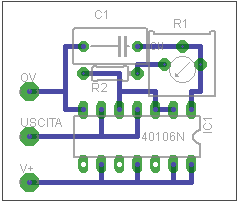
claudiocedrone ha scritto::-) Semplicemente il simbolo elettrico dell'inverter triggerato (data la domanda so di "aver scritto in arabo"... in realtà il simbolo non è solo un triangolo; il triangolo indica genericamente un amplificatore, il cerchietto sull'uscita indica negazione, quindi è un amplificatore invertente, logica not, il disegnino interno al triangolo, simbolo della isteresi, indica che è configurato a trigger di Schmitt , sono cose che se ti interessa possono essere approfondite successivamente) ; l'integrato CD40106 ne contiene più di uno; si possono ottenere oscillatori con altri tipi di porte logiche... come dimensioni massime totali per l'ingombro del circuito ne hai indicate solo due, sarebbe bene indicare anche la terza
![]()
P.s. Di tutte le varie soluzioni proposte, l'unico ad essere un microcontrollore, che necessiterà quindi di essere programmato inserendo un apposito firmware per svolgere le funzioni desiderate, è il PIC proposto daBrianz; tutte le altre sono modi per ottenere un oscillatore ma nello specifico trattasi del particolare oscillatore definito multivibratore astabile (facente parte dei cosiddetti circuiti a scatto).




claudiocedrone ha scritto:dato il vostro grado di preparazione= 0 spaccato
Ok siccome son stato bocciato (?) dovrei fare 1 superiore elettrotecnica. Allora dato la mia passione mi piace autocostruirmi dei piccoli "circuiti"tramite basetta millefori...pero' ovvio che alcune cose non le so,manco ho iniziato. Comunque mi correggo...1)voglio usare un circuito integrato 40106IC. 2)Volevo sapere che pin andavano collegati e come...scuso ancora per la mia inesperienza ma come detto non faccio ancora le superiori e certe cose non le so molto beneclaudiocedrone ha scritto::-) Tu intanto decidi quale soluzione adottare, poi uno schemino te lo facciamo senza problemi; devi però dire quele integrato usare dato che ognuno andrà collegato in modo diverso... però perdonerai una considerazione "cattivella": dato il vostro grado di preparazione= 0 spaccato, forse sarebbe il caso di rinunciare alla autocostruzione di dispositivi elettronici...

Mi son espresso male effettivamente ma molto ricade sulla mia inesperienza nel campoFedhman ha scritto:claudiocedrone ha scritto:dato il vostro grado di preparazione= 0 spaccato
Cinicamente, a quel punto è inutile chiedergli quale soluzione vuole adottare, tanto vale fargli lo schema con una soluzione già pronta.
Poi però bisogna saperlo leggere, trovare i datasheet, non confondersi coi package, fare le corrispondenze coi piedini, sbrogliare il circuito, saldarlo in un piccolo volume con gli elettrolitici non al contrario...e saldarlo su cosa? Millefori? O direttamente in aria, per 3-4 componenti.
Questo è tutto un altro lavoro che va al di là dello schema. MaNickyDroid, lo sai fare? O credi di essere in grado di farlo e non l'hai mai fatto? Non che uno nasca imparato, però la tua ultima domanda "su quali piedini usare" è preoccupante





1MHzclaudiocedrone ha scritto::-) Qui nessuno boccia o promuove; hai già realizzato qualche circuito ? Sai quindi saldare, individuare i piedini di un integrato e rispettare le polarità ? Se si bene, abbi un po' di pazienza e qualcuno (io ora ho altro da fare ma magari domani... ) ti farà lo schema per il CD40106; intanto indica le tempistiche dell'onda quadra richieste così ti mettiamo anche i valori dei componenti.

claudiocedrone ha scritto::-) abbi un po' di pazienza e qualcuno (io ora ho altro da fare ma magari domani... ) ti farà lo schema per il CD40106
intanto indica le tempistiche dell'onda quadra richieste così ti mettiamo anche i valori dei componenti.
Torna a Magazine: notizie, presentazioni, annunci e molto altro
Visitano il forum: Nessuno e 40 ospiti