Salve a tutti, sono nuovo quindi mi scuso in anticipo per eventuali errori nella pubblicazione del post.
Desideravo un consiglio su come procedere per risolvere il seguente problema:
Un sensore ha una uscita in corrente tra 0 e 5mA, il convertitore A/D accetta una tensione compresa tra -5÷5v, si richiede la progettazione del circuito di condizionamento.
Che tipo di circuito posso usare per la risoluzione del problema? Come primo circuito ovviamente inserirei un convertitore corrente/tensione, ma successivamente come porto il range della tensione d'uscita a quei valori?
Grazie in anticipo per eventuali risposte
Sensore in corrente e range A/D richiesto tra - 5 ÷ 5 volt
Moderatori:
carloc,
g.schgor,
BrunoValente,
IsidoroKZ
7 messaggi
• Pagina 1 di 1
0
voti
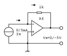
Se puoi accettare di lavorare in metà della gamma dell'ADC, con una resistenza da 1 kohm in serie allìuscita in corrente ottieni una tensione da 0 a 5 V. Diversamente bisogna usare/progettare un circuito di condizionamento più complesso.
0
voti
Purtroppo il range richiesto è per l'appunto una tensione minima di -5V e una massima di 5V.
0
voti
però il sensore che grandezza misura? questa grandezza ha valore sia negativo che positivo oppure è una grandezza che deve essere solo positiva?
in definitiva che valore deve uscire dall'adc nel range indicato?
il tutto lo controlli con microcontrollore? nel qual caso non è problematico effettuare tutti i controllo e gli slittamenti del caso.
saluti.
in definitiva che valore deve uscire dall'adc nel range indicato?
il tutto lo controlli con microcontrollore? nel qual caso non è problematico effettuare tutti i controllo e gli slittamenti del caso.
saluti.
-

lelerelele
4.899 3 7 9 - Master

- Messaggi: 5505
- Iscritto il: 8 giu 2011, 8:57
- Località: Reggio Emilia
0
voti
Purtroppo nella descrizione del problema non ho a disposizione altri dati.. Immagino comunque che la grandezza di misura del sensore vada dal negativo al positivo..l'importante che successivamente ad avere convertito la corrente in tensione porto i valori della tensione di uscita in quel range di - 5÷5volt.
Mi dispiace non poter avere dati in più per la risoluzione spero si riesca ad arrivare alla soluzione lo stesso, grazie ancora.
Mi dispiace non poter avere dati in più per la risoluzione spero si riesca ad arrivare alla soluzione lo stesso, grazie ancora.
0
voti
MaxN ha scritto:.l'importante che successivamente ad avere convertito la corrente in tensione porto i valori della tensione di uscita in quel range di - 5÷5volt.
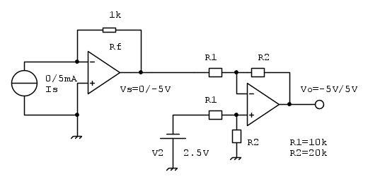
Allora hai bisogno di due stadi con op.amp (supposti ideali e alimentati a -15/+15V):
1. Stadio convertitore corrente/tensione
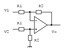
2. Stadio amplificatore sottrattore (o differenziale che dir si voglia)
Stadio 1
Con una resistenza da 1k, la corrente di 5mA verrà convertita in una tensione da -5V e ovviamente 0mA in 0V.
Stadio 2
Conviene prendere la configurazione con resistenze uguali "a coppie", che ti restituisce semplicemente la differenza fra la tensione che "entra" nel (+) e la tensione che entra nel (-), amplificata con un guadagno di tensione pari a R2/R1:

Delle due tensioni di ingresso al sottrattore una è la Vs proveniente dal primo stadio, che già conosciamo (0...-5V). Supponiamo che V1 sia Vs, resta dunque da determinare il rapporto R2/R1 e la tensione V2.
Per ottenere ciò si può mettere a sistema l'equazione di Vo in entrambi i casi, quando Vo=-5V e quando Vo=5V:

Risolvendo il sistema si ottiene:


Lo schema complessivo:
7 messaggi
• Pagina 1 di 1
Chi c’è in linea
Visitano il forum: Nessuno e 59 ospiti

Elettrotecnica e non solo (admin)
Un gatto tra gli elettroni (IsidoroKZ)
Esperienza e simulazioni (g.schgor)
Moleskine di un idraulico (RenzoDF)
Il Blog di ElectroYou (webmaster)
Idee microcontrollate (TardoFreak)
PICcoli grandi PICMicro (Paolino)
Il blog elettrico di carloc (carloc)
DirtEYblooog (dirtydeeds)
Di tutto... un po' (jordan20)
AK47 (lillo)
Esperienze elettroniche (marco438)
Telecomunicazioni musicali (clavicordo)
Automazione ed Elettronica (gustavo)
Direttive per la sicurezza (ErnestoCappelletti)
EYnfo dall'Alaska (mir)
Apriamo il quadro! (attilio)
H7-25 (asdf)
Passione Elettrica (massimob)
Elettroni a spasso (guidob)
Bloguerra (guerra)





