
Fan controller DIY
Moderatori:
carloc,
g.schgor,
BrunoValente,
IsidoroKZ
0
voti

"Non farei mai parte di un club che accettasse la mia iscrizione" (G. Marx)
-

claudiocedrone
21,3k 4 7 9 - Master EY

- Messaggi: 15302
- Iscritto il: 18 gen 2012, 13:36
0
voti
claudiocedrone ha scritto:....il controllo in PWM parrebbe dare problemi con le ventole a tre fili come quelle in possesso dell'OP
Purtroppo con l'eta' la memoria e l'attenzione rallentano. Te ne accorgerai a breve anche tu.
Ho provato piu' volte e con ventole di diversa tipologia e il PWM non da nessun problema; logicamente non si arriva al 100% ma, con la soluzione LM317, penso che la situazione sia ancora peggiore.
marco
0
voti

"Non farei mai parte di un club che accettasse la mia iscrizione" (G. Marx)
-

claudiocedrone
21,3k 4 7 9 - Master EY

- Messaggi: 15302
- Iscritto il: 18 gen 2012, 13:36
0
voti
Brianz ha scritto:Quanto allo stagno, non è per niente di secondaria importanza
Confermo. Con lo stagno acquistato dal ferramenta le piccole sbavature di pasta salda nei circuiti stampati creano conduzione elettrica fra le piste, in pratica una scheda non funziona più.
3
voti
Se andate a verificare come sono realizzati i motori brushless delle ventole PC a 2/3 fili, avrete le idee più chiare sull'argomento.Trovate qui
http://www.elma.it/TESTO/fan/00_fanPC_index.htm
qualcosa che ho scritto sull'argomento svariati anni fa, ma che è ancora valido.
Il problema del PWM è duplice: da una parte si perde il segnale tachimetrico per la continua interruzione dell' alimentazione, anche perché si usa solitamente un commutatore low side, il che taglia la funzione dell' open collector di uscita del tacho.
Dall'altra occorre una calibrazione della frequenza del PWM in funzione della ventola in quanto capita si inneschino violenti scampanii a velocità ridotte, dovuti a risonanze tra il PWM e la cadenza interna della rotazione (il che contrasta con la volontà di avere meno rumore). Si può aggiungere che il PWM sull'alimentazione e lunghi collegamenti tra controller e ventola sono fonte di non indifferente disturbo elettromagnetico.
Comunque, non interessando il tacho, non trovandosi con risonanze e chissenè dell'EMC, nulla impedisce di utilizzarlo.
Trovate altre interessanti informazioni a:
http://www.analog.com/library/analogdia ... speed.html
dove, per una regolazione lineare da uC è effettuata con un DAC, cosa disponibile in molti uC.
Volendo a tutti i costi usare PWM sulle ventole a tre fili, è consigliabile una soluzione come questa
http://electronicdesign.com/components/ ... ed-control
faccio riferimento non allo schema generale ma al fatto che il PWM non modula la tensione, bensì un mosfet high side seguito ad un filtro che rende una tensione proporzionale al PWM.
Mi permetto di insistere col dire che risolvete ogni problema usando le ventole a 4 fili: niente PWM di potenza sull'alimentazione (niente perdita di potenza sul commutatore, niente EMC sui conduttori) e con una relativamente bassa perdita di potenza sul motore data la presenza del controller interno.
Sono state inventate proprio per questo.
http://www.elma.it/TESTO/fan/00_fanPC_index.htm
qualcosa che ho scritto sull'argomento svariati anni fa, ma che è ancora valido.
Il problema del PWM è duplice: da una parte si perde il segnale tachimetrico per la continua interruzione dell' alimentazione, anche perché si usa solitamente un commutatore low side, il che taglia la funzione dell' open collector di uscita del tacho.
Dall'altra occorre una calibrazione della frequenza del PWM in funzione della ventola in quanto capita si inneschino violenti scampanii a velocità ridotte, dovuti a risonanze tra il PWM e la cadenza interna della rotazione (il che contrasta con la volontà di avere meno rumore). Si può aggiungere che il PWM sull'alimentazione e lunghi collegamenti tra controller e ventola sono fonte di non indifferente disturbo elettromagnetico.
Comunque, non interessando il tacho, non trovandosi con risonanze e chissenè dell'EMC, nulla impedisce di utilizzarlo.
Trovate altre interessanti informazioni a:
http://www.analog.com/library/analogdia ... speed.html
dove, per una regolazione lineare da uC è effettuata con un DAC, cosa disponibile in molti uC.
Volendo a tutti i costi usare PWM sulle ventole a tre fili, è consigliabile una soluzione come questa
http://electronicdesign.com/components/ ... ed-control
faccio riferimento non allo schema generale ma al fatto che il PWM non modula la tensione, bensì un mosfet high side seguito ad un filtro che rende una tensione proporzionale al PWM.
Mi permetto di insistere col dire che risolvete ogni problema usando le ventole a 4 fili: niente PWM di potenza sull'alimentazione (niente perdita di potenza sul commutatore, niente EMC sui conduttori) e con una relativamente bassa perdita di potenza sul motore data la presenza del controller interno.
Sono state inventate proprio per questo.
-

Brianz
5.828 5 10 - CRU - Account cancellato su Richiesta utente
- Messaggi: 858
- Iscritto il: 24 mar 2016, 11:27
2
voti
Vorrei aggiungere che a questo punto donaldduck2004 probabilmente ha le idee meno chiare di prima...
Soluzione: prendi i componenti, monta il circuito, vedi la ventola variare velocità e con questo ti tiri su il morale. Così puoi continuare con le fasi successive.
Soluzione: prendi i componenti, monta il circuito, vedi la ventola variare velocità e con questo ti tiri su il morale. Così puoi continuare con le fasi successive.
-

Brianz
5.828 5 10 - CRU - Account cancellato su Richiesta utente
- Messaggi: 858
- Iscritto il: 24 mar 2016, 11:27
0
voti
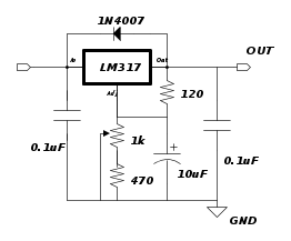
marco438 ha scritto:Ora, se proprio vuoi adoperare quei regolatori, sarebbe consigliabile seguire questo schema:
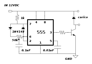
Un alternativa che potrebbe dare risultati migliori, anche se complica un po' le cose, sarebbe un pilotaggio in PWM fatto, ad esempio, con un NE555 come da schema che segue:
tra i due credo di preferire il secondo visto che i controllori che ho proposto io sono stati così bistrattati
marco438 ha scritto:Non ho ancora capito se la regolazione dovra' avvenire singolarmente per ogni ventola, a blocchi o per tutte le ventole insieme; prego chiarire.
vorrei collegarci una sola ventola a canale ma se ne collego due in parallelo non vorrei avere problemi di potenza scarso
non ho chiaro il consiglio sui bypassmarco438 ha scritto:In entrambi i casi non si otterra' la massima prestazione delle ventole; se si vuole ottenere, basta seguire il consiglio diclaudiocedrone
per ora ho capito che le ventole a tre fili non sono ideali per i miei scopi, credo che però una volta fatto il circuito non dovrei avere problemi a usare anche quelle a tre fili.
-

donaldduck2004
10 3 - Messaggi: 38
- Iscritto il: 17 apr 2016, 10:37
2
voti
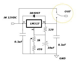
donaldduck2004 ha scritto:......non ho chiaro il consiglio sui bypass
E' sufficiente aggiungere un commutatore che permetta di prelevare la tensione direttamente all'origine e quindi senza cadute di tensione dovute a drop-out o altro.
Esempio:
P.S. Evita di citare i messaggi per intero schemi compresi; se del caso cita solo le parti salienti.
marco
0
voti
Il commutatore si attiverebbe manualmente ovviamente?
E se volessi inserire un voltmetro in tutto il circuito?causerebbe altre cadute di tensione?
E se volessi inserire un voltmetro in tutto il circuito?causerebbe altre cadute di tensione?
-

donaldduck2004
10 3 - Messaggi: 38
- Iscritto il: 17 apr 2016, 10:37
Chi c’è in linea
Visitano il forum: Nessuno e 270 ospiti

Elettrotecnica e non solo (admin)
Un gatto tra gli elettroni (IsidoroKZ)
Esperienza e simulazioni (g.schgor)
Moleskine di un idraulico (RenzoDF)
Il Blog di ElectroYou (webmaster)
Idee microcontrollate (TardoFreak)
PICcoli grandi PICMicro (Paolino)
Il blog elettrico di carloc (carloc)
DirtEYblooog (dirtydeeds)
Di tutto... un po' (jordan20)
AK47 (lillo)
Esperienze elettroniche (marco438)
Telecomunicazioni musicali (clavicordo)
Automazione ed Elettronica (gustavo)
Direttive per la sicurezza (ErnestoCappelletti)
EYnfo dall'Alaska (mir)
Apriamo il quadro! (attilio)
H7-25 (asdf)
Passione Elettrica (massimob)
Elettroni a spasso (guidob)
Bloguerra (guerra)





