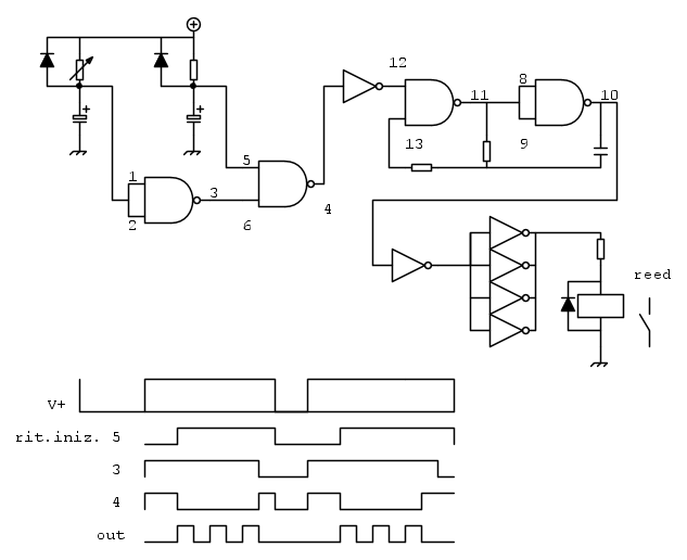
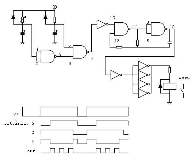
Operazioni:
all' avvio temporizza 500ms, poi invia all' uscita tre impulsi da 500ms distanziati di 1s uno dall' altro.
Al termine si mette in sleep ed occorre un reset per riavviare
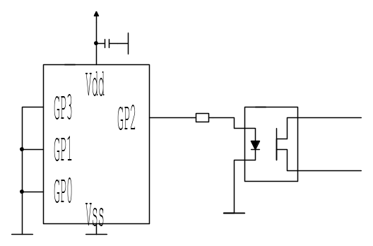
Uscita relè su GP2. GP3=I/O. Collegare GP0,1,3 alla Vss o a un pullup per sicurezza contro eventuali disturbi.
Et voilà l'.hex, provato su un 10F202, ma va anche su un 10F200.
:020000040000FA
:10000000250066000B0C0600DF0C020015094605F2
:10001000150946041509150946051509460415096B
:1000200015094605150946040300030C3000180C99
:100030003100020C3200F0021E0AF102200AF20224
:080040001B0A220A230A000832
:021FFE00EB0FE7
:00000001FF
Se serve un reset esterno occorre una piccola modifica alla configuration word
simulatore di pulsante funzioni per Caricabatteria
Moderatori:
carloc,
g.schgor,
BrunoValente,
IsidoroKZ
25 messaggi
• Pagina 2 di 3 • 1, 2, 3
0
voti
Siamo sicuri che il caricabatteria possa cambiare modalità sotto carico?
Forse se lo hanno fatto partire in stand-by all'accensione ci sarà un motivo
Esiste un manuale d'uso?
Forse se lo hanno fatto partire in stand-by all'accensione ci sarà un motivo
Esiste un manuale d'uso?
-

FedericoSibona
5.022 3 5 8 - Master

- Messaggi: 3951
- Iscritto il: 19 mar 2013, 11:43
0
voti
GaAsFET ha scritto:Ci provo.
salvo errori,
mi pare potrebbe fare il necessario
0
voti
g.schgor ha scritto:Bene, direi che dovrebbe funzionare.
Unica cosa leverei R4 e la metterei un serie alla base di T1
(per avere 3 impulsi completi questa va spostata sull'uscita 4)
Per il discorso del conteggio degli impulsi: l'uscita del contatore dovrebbe portarsi a livello alto dopo che ha ricevuto i 3 impulsi (e quindi l'evento è già trascorso), in realtà in corrispondenza della fine del terzo impulso. Se sposto la logica sull'uscita 4 temo che il treno sia troppo lungo... voglio pensarci ancora un po' su.
Giusto il discorso della resitenza in base a T1 che mi pare adeguata, in realtà mi era rimasta nella penna ...
Eviterei però di togliere R4 perché quando T1 va in saturazione deve provvedere a limitare la corrente di collettore e fornire un'adeguata ddp in serie alla Vce sat. O sbaglio?
g.schgor ha scritto:Quello che mi è poco chiaro è la mancanza di un "feedback"
sul reale stato del CB: non c'è niente che segnali questo stato?
(renderebbe superfluo anche il contatore e assicurerebbe
l'effettivo raggiungimento dello stato voluto)
Il carica batterie è installato in un punto poco accessibile del vano di una roulotte ed alimenta un pacco di batterie al gel; il problema è che quando in campeggio si presentano interruzioni di tensione (piuttosto frequenti in realtà), il caricabatterie (commerciale, da supermercato) commuta in standby e se non me ne accorgo per tempo smette di caricare...
FedericoSibona ha scritto:Siamo sicuri che il caricabatteria possa cambiare modalità sotto carico?
Forse se lo hanno fatto partire in stand-by all'accensione ci sarà un motivo![]()
Esiste un manuale d'uso?
Certamente: il cambio di funzione avviene normalmente sotto carico, senza problemi.
Si tratta di un prodotto non professionale: Ultimate Speed mod. UlGD 3.8 A1 12V/6V Lead-Acid Battery Charger, con i seguenti dati di targa:
Input: 220V-240V AC 50Hz - 60W
Output: 12VCD 0.8/3.8A - 6VCD 0.8A
IP65
Il manuale è perso somewhere.
Ultima modifica di
GaAsFET il 26 apr 2016, 8:46, modificato 1 volta in totale.
0
voti
Brianz ha scritto:Il relè può essere pilotato direttamente fino a 25mA. Probabilmente è possibile usare un optomos (genere CPC10xx e simili) che evita il relè elettromeccanico. Se il relè supera i 25mA occorre un open collector o un open drain (BC qualcosa o 2N7000 - il secondo non richiede resistenza di "base")
Si può usare qualsiasi pin escluso GP3.
L'alimentazione tipica è 5 V, con un consumo di corrente dipendente dal relè. Un 78l05 è più che adeguato.
Un 100nF tra i pin Vdd-Vss del PIC ed è tutto.
Se pensi che l'alimentazione cada e si riprenda in tempi dell' ordine dei ms (brownout) o salga con pendenza bassa, allora sarà meglio usare un chip con BOR integrato (es.12F629 o il più recente 12F1571) oppure aggiungere un reset controller genere MCP130 o simile, direttamente collegato al GP3, per evitare un funzionamento scorretto alla mancanza/ripresa della tensione.
Mi pare sia tutto.
Esclusa l'alimentazione sono 6 componenti in tutto nel peggiore dei casi.
Si trovano i componenti sia in SMD che "normali" per cui si può usare ogni genere di metodo realizzativo.
Non ti disegno schemi solo perché è una attività che non apprezzo per nulla.
Fai, sottoponi e sarà emendato se necessario.
Il firmware è banale. Una cosa corrispondente a quanto richiesto si può fare in mezzo pomeriggio.
Se il barbecue in corso a cura della young generation si conclude e non arriva la forestale con gli idranti, ci penso in serata.
Poi ti serve il chip e qualcuno che abbia un programmatore.
Ok, provo a buttar giù anche questo progetto, giacché mi affascina l'idea del confronto.
Ma in FCD c'è la libreria che contiene il 10Fxxx?
Il programmatore dovrei averlo da qualche parte, idem il chip che comunque potrei reperire rapidamente.
Mi metto all'opera ma avrò bisogno di un lume per correggere gli svarioni!
Brianz ha scritto:Operazioni:
all' avvio temporizza 500ms, poi invia all' uscita tre impulsi da 500ms distanziati di 1s uno dall' altro.
Al termine si mette in sleep ed occorre un reset per riavviare
Uscita relè su GP2. GP3=I/O. Collegare GP0,1,3 alla Vss o a un pullup per sicurezza contro eventuali disturbi.
Et voilà l'.hex, provato su un 10F202, ma va anche su un 10F200.
:020000040000FA
:10000000250066000B0C0600DF0C020015094605F2
:10001000150946041509150946051509460415096B
:1000200015094605150946040300030C3000180C99
:100030003100020C3200F0021E0AF102200AF20224
:080040001B0A220A230A000832
:021FFE00EB0FE7
:00000001FF
Se serve un reset esterno occorre una piccola modifica alla configuration word
Ottimo. Mi ripresenterò a breve progetto alla mano.
Grazie a tutti per il supporto!
1
voti
Prova pure. C'è tutto quello che serve.
Per un confronto con una logica discreta, questo è lo schema con il microcontroller nella forma più semplificata:
Dovrebbe essere evidente la ragione della diffusione capillare di questi componenti.
Considerare le note prima elencate, in particolare l'uso del GP3 come MCLR in dipendenza di come è alimentato il microcontroller.
Per un confronto con una logica discreta, questo è lo schema con il microcontroller nella forma più semplificata:
Dovrebbe essere evidente la ragione della diffusione capillare di questi componenti.
Considerare le note prima elencate, in particolare l'uso del GP3 come MCLR in dipendenza di come è alimentato il microcontroller.
-

Brianz
5.828 5 10 - CRU - Account cancellato su Richiesta utente
- Messaggi: 858
- Iscritto il: 24 mar 2016, 11:27
0
voti
GaAsFET ha scritto:Il manuale è perso somewhere.
Per quanto riguarda il manuale, puoi trovarlo qui.
Se invece ti dovesse interessare una soluzione già pronta per il tuo problema, non hai che da cercare tra i caricabatteria prodotti dall'italiana "BC" (non che altre marche non vadano bene, ma alcuni di questi li conosco bene). Non hanno pulsanti da premere, e una volta configurati svolgono il loro lavoro in maniera ottimale, e ti dimentichi di averli, in quanto concepiti per il collegamento a tempo indefinito.
0
voti
GaAsFET ha scritto:Eviterei però di togliere R4
Nel tuo schema risulta in parallelo ad R2, quindi puoi dimensionare
opportunamente questa.
0
voti
Brianz ha scritto:Prova pure. C'è tutto quello che serve.
...
Dovrebbe essere evidente la ragione della diffusione capillare di questi componenti.
Considerare le note prima elencate, in particolare l'uso del GP3 come MCLR in dipendenza di come è alimentato il microcontroller.
Si, adesso mi è chiara la ragione.
Ciò nonostante non riesco a trovare la libreria per il 10F20x per abbozzare lo schema di base
25 messaggi
• Pagina 2 di 3 • 1, 2, 3
Chi c’è in linea
Visitano il forum: Nessuno e 52 ospiti

Elettrotecnica e non solo (admin)
Un gatto tra gli elettroni (IsidoroKZ)
Esperienza e simulazioni (g.schgor)
Moleskine di un idraulico (RenzoDF)
Il Blog di ElectroYou (webmaster)
Idee microcontrollate (TardoFreak)
PICcoli grandi PICMicro (Paolino)
Il blog elettrico di carloc (carloc)
DirtEYblooog (dirtydeeds)
Di tutto... un po' (jordan20)
AK47 (lillo)
Esperienze elettroniche (marco438)
Telecomunicazioni musicali (clavicordo)
Automazione ed Elettronica (gustavo)
Direttive per la sicurezza (ErnestoCappelletti)
EYnfo dall'Alaska (mir)
Apriamo il quadro! (attilio)
H7-25 (asdf)
Passione Elettrica (massimob)
Elettroni a spasso (guidob)
Bloguerra (guerra)






