Quindi usare un comparatore non è corretto?!
Sto iniziando a focalizzare meglio l'obiettivo, in pratica devo imporre una ben precisa Vgs per limitare tensione e corrente sul ramo DS del MOS, dove è collegato anche il supercap.
Ora sicuramente devo cambiare mosfet, perché l'IRF1324S aveva bisogno di un IMS come PCB, e a causa del fatto che i piedini dei supercap non si possono piegare a 90° devo necessariamente forare la PCB con delle piazzole ad-hoc ed usare un PCB normale (non so a quanti layer ma adesso non è il problema principale).
Ho trovato questo Nmos che ha una gamma di Vgs molto basse IPS040N03L con correnti alte, anche fino a 80A.
Ora mi sto scervellando su come variare la Vgs dinamicamente, quasi quasi rientra in gioco il circuito di AlbertoBianchi...
Banco di supercondensatori e circuiti di balancing
Moderatori:
carloc,
g.schgor,
BrunoValente,
IsidoroKZ
0
voti
Vedi schema del messaggio [60] e messaggio [65]. Avete fatto dei corsi di elettronica analogica con amplificatori retroazionati?
Per usare proficuamente un simulatore, bisogna sapere molta più elettronica di lui
Plug it in - it works better!
Il 555 sta all'elettronica come Arduino all'informatica! (entrambi loro malgrado)
Se volete risposte rispondete a tutte le mie domande
Plug it in - it works better!
Il 555 sta all'elettronica come Arduino all'informatica! (entrambi loro malgrado)
Se volete risposte rispondete a tutte le mie domande
0
voti
IsidoroKZ ha scritto:Avete fatto dei corsi di elettronica analogica con amplificatori retroazionati?
No, alla triennale microelettronica (ma era principalmente elettronica di segnale) e qui a Torino ho fatto Conversione Statica (che in pratica è elettronica industriale di potenza, ma praticamente solo inverter e convertitori DCDC). Non ho grandissima esperienza in progettazione elettronica analogica, so bene o male cosa fanno i vari componenti, ma a metterli insieme ho qualche difficoltà. D'altronde è il mio primo approccio reale alla progettazione. Per lo sbroglio, creazione PCB e tutta la parte prototipazione non ho grossi problemi, per me lo scoglio maggiore è questo! Ma mi intriga comunque e non voglio mollare!
comunque il prof mi ha spiegato (o meglio... io penso di aver capito) che praticamente essendo in analogico l'opamp è intrinsecamente stabile, non mi interessa fare dinamica, e mi basta la banda data dall'opamp (che da datasheet è circa 3MHz). Mi ha detto che in pratica ha un guadagno elevatissimo.
0
voti
E` vero che l'operazionale e` intrisecamente instabile, ma all'uscita c'e` un MOS di potenza che potrebbe amplificare e aumentare il guadagno di anello, andando verso l'instabilita`. Probabilmente il guadagno e` piccolo perche' il supercap in parallelo al MOS ha una impedenza molto piccola, quindi anche il guadagno e` piccolo. Pero` ci sono poli sparsi, ad esempio quello formato dalla resistenza di uscita dell'operazionale (sempre mal documentata) e dalla capacita` di ingresso del MOS che di bene al sistema non ne fa! Ci sono tre strade, dalla migliore alla peggiore: o si cercano tutti i dati e si fanno i conti, oppure si cercano i modelli e si simula il circuito oppure ancora se ne monta uno e si vede come si comporta.
Per usare proficuamente un simulatore, bisogna sapere molta più elettronica di lui
Plug it in - it works better!
Il 555 sta all'elettronica come Arduino all'informatica! (entrambi loro malgrado)
Se volete risposte rispondete a tutte le mie domande
Plug it in - it works better!
Il 555 sta all'elettronica come Arduino all'informatica! (entrambi loro malgrado)
Se volete risposte rispondete a tutte le mie domande
0
voti
La simulazione la sto facendo con i modelli dei componenti, te la allego se la vuoi provare
- Allegati
-
Balancer-2016-04-28T08-36.zip- Progetto Orcad
- (179.04 KiB) Scaricato 166 volte
0
voti
Niente Orcad, l'ho abbandonato svariati anni fa, preferisco usare LTspice, piu` leggero e con algoritmi migliori. Pero` non fa i PCB 
Per usare proficuamente un simulatore, bisogna sapere molta più elettronica di lui
Plug it in - it works better!
Il 555 sta all'elettronica come Arduino all'informatica! (entrambi loro malgrado)
Se volete risposte rispondete a tutte le mie domande
Plug it in - it works better!
Il 555 sta all'elettronica come Arduino all'informatica! (entrambi loro malgrado)
Se volete risposte rispondete a tutte le mie domande
0
voti
OK
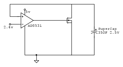
IsidoroKZ, rileggendo qualche post non ho capito come mai tu dici che il regolatore fisso a 5V non serve. Se io prendo l'alimentazione da 3 supercap, diciamo che stanno a 2.3v ciascuno, ho 6.9v di tensione disponibile. Alimentando l'opamp con questa tensione, in uscita avrò:
-Alto = una tensione minore di 6.9v
-Basso = una tensione nulla
Come faccio a:
comandare il MOS in analogico?
Te lo chiedo perché mi viene il dubbio che anche usando un regolatore LDO (ad esempio questo che ha 1.2v di caduta) se voglio avere in uscita 5v devo avere in ingresso almeno 6.2v... e se i supercap sono scarichi a 1v?
-Alto = una tensione minore di 6.9v
-Basso = una tensione nulla
Come faccio a:
IsidoroKZ ha scritto:...essere comandato in modo analogico cosi` da assorbire proprio la corrente che serve per tenere la tensione costante.
comandare il MOS in analogico?
Te lo chiedo perché mi viene il dubbio che anche usando un regolatore LDO (ad esempio questo che ha 1.2v di caduta) se voglio avere in uscita 5v devo avere in ingresso almeno 6.2v... e se i supercap sono scarichi a 1v?
1
voti
Se accendi il MOS con una VGS di 5V, cortocircuiti il supercap e probabilmente distruggi il MOS. Il MOS deve essere controllato in modo analogico, cosi` da fare un limite di tensione costante sul condensatore e assorbire giusto giusto la corrente di carica che vorrebbe farne salire la tensione oltre i 2.4V.
Il circuito del messaggio [60], mi pare, e` gia` un circuito analogico con uscita a tensione costante a 2.4V (o quello che decidi tu). Quel circuito NON ha una uscita alta o bassa, ha una tensione di uscita analgica che fa assorbire al MOS la corrente necessaria per tenere la tensione di condensatore al livello voluto, non ha bisogno di nessuna tensione di alimentazione regolata.
Essendo un circuito analogico bisogna verificare che sia stabile, con margine di fase adeguato.
Il circuito del messaggio [60], mi pare, e` gia` un circuito analogico con uscita a tensione costante a 2.4V (o quello che decidi tu). Quel circuito NON ha una uscita alta o bassa, ha una tensione di uscita analgica che fa assorbire al MOS la corrente necessaria per tenere la tensione di condensatore al livello voluto, non ha bisogno di nessuna tensione di alimentazione regolata.
Essendo un circuito analogico bisogna verificare che sia stabile, con margine di fase adeguato.
Per usare proficuamente un simulatore, bisogna sapere molta più elettronica di lui
Plug it in - it works better!
Il 555 sta all'elettronica come Arduino all'informatica! (entrambi loro malgrado)
Se volete risposte rispondete a tutte le mie domande
Plug it in - it works better!
Il 555 sta all'elettronica come Arduino all'informatica! (entrambi loro malgrado)
Se volete risposte rispondete a tutte le mie domande
0
voti
IsidoroKZ ha scritto:..e` gia` un circuito analogico con uscita a tensione costante a 2.4V (o quello che decidi tu).
Io non capisco questo, se l'OPAMP fa da comparatore non da tutta V+ (in questo disegno +5v) oppure tutta V- (cioè massa) in base alla relazione tra i potenziali agli ingressi invertente e non invertente? Questa uscita a cui ti riferisci è la tensione ai capi del MOS (ramo DS) oppure è la tensione d'uscita dell'OPAMP che va al MOS (quindi Vgs diciamo)?
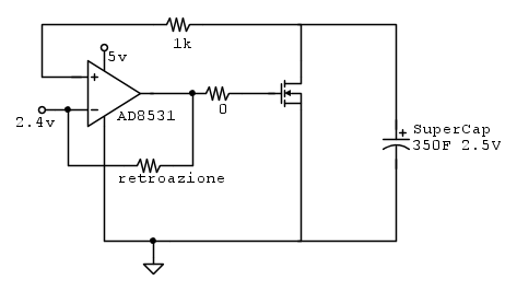
comunque il prof mi ha fatto aggiungere qualche resistenza penso per ridurre le oscillazioni e migliorare la stabilità. Sulla retroazione mi ha detto di predisporla ma non montarla. Ho provato a fare le simulazioni e con una resistenza da 1M la tensione sul supercap è più stabile (ma sempre in simulazione, quindi non so quanto fidarmi). Quella da 0Ohm è messa per comodità di PCB in caso di necessità futura, ci sono già le piazzole.
Mi sento un ignorante quando si parla di stabilità, margine di fase, ed altro. Ho sempre fatto calcoli basilari su circuiti di configurazioni semplici, con le resistenzine di retroazione R1 ed R2, le solite...quando mi si parano questi circuiti entro nel pallone
1
voti
In quel circuito l'operazionale non fa da comparatore. E` un circuito in linearita` con retroazione negativa e si comporta come un voltage follower. L'uscita NON va solo a livello alto o basso, va al valore di tensione che serve a far assorbire al MOS la corrente che vorrebbe portare il supercap oltre i 2.4V.
Per il problemi di startup devi mettere un riferimento di tensione da 1.2V circa e poi un partitore per misurare la tensione sul supercap. Viene un amplificare a operazionale non invertente con guadagno +2.
Per il problemi di startup devi mettere un riferimento di tensione da 1.2V circa e poi un partitore per misurare la tensione sul supercap. Viene un amplificare a operazionale non invertente con guadagno +2.
Per usare proficuamente un simulatore, bisogna sapere molta più elettronica di lui
Plug it in - it works better!
Il 555 sta all'elettronica come Arduino all'informatica! (entrambi loro malgrado)
Se volete risposte rispondete a tutte le mie domande
Plug it in - it works better!
Il 555 sta all'elettronica come Arduino all'informatica! (entrambi loro malgrado)
Se volete risposte rispondete a tutte le mie domande
Chi c’è in linea
Visitano il forum: Nessuno e 181 ospiti

Elettrotecnica e non solo (admin)
Un gatto tra gli elettroni (IsidoroKZ)
Esperienza e simulazioni (g.schgor)
Moleskine di un idraulico (RenzoDF)
Il Blog di ElectroYou (webmaster)
Idee microcontrollate (TardoFreak)
PICcoli grandi PICMicro (Paolino)
Il blog elettrico di carloc (carloc)
DirtEYblooog (dirtydeeds)
Di tutto... un po' (jordan20)
AK47 (lillo)
Esperienze elettroniche (marco438)
Telecomunicazioni musicali (clavicordo)
Automazione ed Elettronica (gustavo)
Direttive per la sicurezza (ErnestoCappelletti)
EYnfo dall'Alaska (mir)
Apriamo il quadro! (attilio)
H7-25 (asdf)
Passione Elettrica (massimob)
Elettroni a spasso (guidob)
Bloguerra (guerra)




