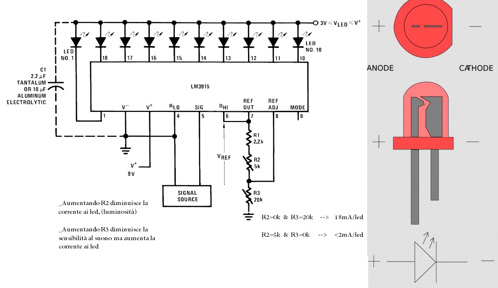
Vedendo che con R1 regolo la luminosità dei led, mentre con R2 aggiusto la sensibilità al segnale in entrata.
Ora non so da quanti watt prendere i due potenziometri. Che poi potenziometro trimmer sono equivalenti?
Moderatore:
IsidoroKZ








Torna a Elettronica e spettacolo
Visitano il forum: Nessuno e 11 ospiti