Se non vi scoccia, vorrei imparare prima con il metodo della sovrapposizione degli effetti (del quale sono a conoscenza da pochi giorni) per poi capire il metodo proposto da
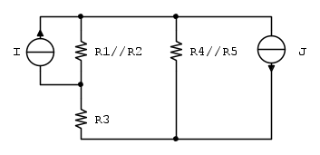
Per comincire a chiarirmi un po le idee ho disegnato il circuito cosi:
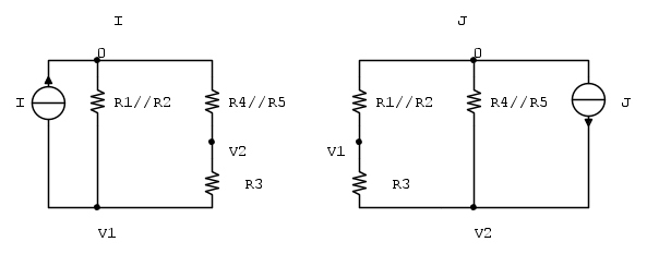
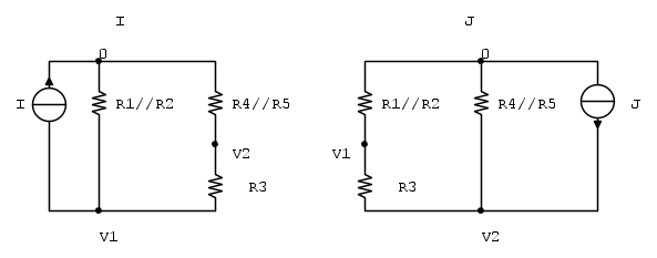
per poi provare a risolverlo prima cosi:
poi cosi:
e infine sommare i risultati.
Per prima cosa ho calcolato le resisteze equivalenti delle due coppie di resistori trovando:
per


e per


a questo punto ho calcolato cosi la resistenza equivalente dell' intera rete:
![\left [(R1//R2)+ R3 \right ]//(R4//R5) \left [(R1//R2)+ R3 \right ]//(R4//R5)](/forum/latexrender/pictures/ca23495b173746b52747e1eb0ea8f026.png)

Da qui in poi non so piu procedere, o meglio mi accorgo che se procedo a moltiplicare le correnti prima di un generatore e poi dell' altro per la resistenza equivalente e poi sommo i risultati, qualcosa non torna.
Non capisco dove sbaglio.

Elettrotecnica e non solo (admin)
Un gatto tra gli elettroni (IsidoroKZ)
Esperienza e simulazioni (g.schgor)
Moleskine di un idraulico (RenzoDF)
Il Blog di ElectroYou (webmaster)
Idee microcontrollate (TardoFreak)
PICcoli grandi PICMicro (Paolino)
Il blog elettrico di carloc (carloc)
DirtEYblooog (dirtydeeds)
Di tutto... un po' (jordan20)
AK47 (lillo)
Esperienze elettroniche (marco438)
Telecomunicazioni musicali (clavicordo)
Automazione ed Elettronica (gustavo)
Direttive per la sicurezza (ErnestoCappelletti)
EYnfo dall'Alaska (mir)
Apriamo il quadro! (attilio)
H7-25 (asdf)
Passione Elettrica (massimob)
Elettroni a spasso (guidob)
Bloguerra (guerra)











![Rtot= (R1//R2)//\left [ (R4//R5)+R3 \right ] Rtot= (R1//R2)//\left [ (R4//R5)+R3 \right ]](/forum/latexrender/pictures/f056cbf58c165bc16371f44559b755e3.png)

![Rtot= (R4//R5)//\left [ (R1//R2)+R3 \right ] Rtot= (R4//R5)//\left [ (R1//R2)+R3 \right ]](/forum/latexrender/pictures/4e1994d828f3ff51207c293a8aa339c4.png)









