Salve,
stavo studiando l'inverter CMOS fino a quando mi sono imbattuto nell'analisi del tempo di ritardo. Per far ciò sono state introdotte varie capacità intrinseche del PMOS e NMOS che poi sono state rappresentate mediante una capacità CL. Il libro per semplicità considera solo la capacità di gate e di drain. Il circuito in analisi è il seguente:
Nei vari passaggi per il calcolo di CL arriva a dire che la capacità CDW,p è in parallelo con CL ed è proprio questo che mi sfugge. Dato che CL e CDW,p hanno un punto a tensione comune e CL collegata a massa mentre CDW,p è collegata alla tensione di alimentazione come è possibile che siano in parallelo, ergo hanno applicata la stessa tensione?
Capacità intrinseca mosfet
Moderatori:
carloc,
g.schgor,
BrunoValente,
IsidoroKZ
10 messaggi
• Pagina 1 di 1
3
voti
Quale libro?
Un condensatore "se ne frega" della tensione continua applicata ai suoi capi, guarda solo le variazioni (
): se una armatura di una capacita` e` collegata a un potenziale fisso, la puoi collegare a qualunque altro potenziale fisso, cambia solo il livello di continua sul condensatore, livello che non ha nessun effetto (*).
Che e` tanto come dire che se in serie a un condensatore c'e` una batteria, nessuno se ne accorge.
Oppure detto diversamente, per le variazioni, per il segnale alimentazione e ground sono equivalenti
(*) Non e` proprio vero, cambia dove viene iniettata la corrente che passa per il condensatore, e nei casi reali potrebbe essere importante.
Un condensatore "se ne frega" della tensione continua applicata ai suoi capi, guarda solo le variazioni (
): se una armatura di una capacita` e` collegata a un potenziale fisso, la puoi collegare a qualunque altro potenziale fisso, cambia solo il livello di continua sul condensatore, livello che non ha nessun effetto (*).Che e` tanto come dire che se in serie a un condensatore c'e` una batteria, nessuno se ne accorge.
Oppure detto diversamente, per le variazioni, per il segnale alimentazione e ground sono equivalenti
(*) Non e` proprio vero, cambia dove viene iniettata la corrente che passa per il condensatore, e nei casi reali potrebbe essere importante.
Per usare proficuamente un simulatore, bisogna sapere molta più elettronica di lui
Plug it in - it works better!
Il 555 sta all'elettronica come Arduino all'informatica! (entrambi loro malgrado)
Se volete risposte rispondete a tutte le mie domande
Plug it in - it works better!
Il 555 sta all'elettronica come Arduino all'informatica! (entrambi loro malgrado)
Se volete risposte rispondete a tutte le mie domande
0
voti
Quindi dato che la tensione dipende dalla corrente e dato che essa è 0 la tensione ai capi di tutti i condensatori presenti è 0 giusto?
2
voti
Non ho capito. Tutte la capacita` vedono la stessa variazione di tensione e quindi sono in parallelo per le variazioni.
Per usare proficuamente un simulatore, bisogna sapere molta più elettronica di lui
Plug it in - it works better!
Il 555 sta all'elettronica come Arduino all'informatica! (entrambi loro malgrado)
Se volete risposte rispondete a tutte le mie domande
Plug it in - it works better!
Il 555 sta all'elettronica come Arduino all'informatica! (entrambi loro malgrado)
Se volete risposte rispondete a tutte le mie domande
0
voti
Io so che ai componenti elettrici collegati in parallelo è applicata la stessa tensione. Dato che

Essendo la tensione costante per tutti i condensatori significa che la corrente è 0. Dato che la corrente è 0 e la tensione è pari a:

deduco che la tensione ai capi di tutti i condensatori sia pari a 0. Quindi hanno tutti la stessa tensione e quindi sono tutti in parallelo. Spero di essere stato più chiaro e che il ragionamento fatto sia corretto

Essendo la tensione costante per tutti i condensatori significa che la corrente è 0. Dato che la corrente è 0 e la tensione è pari a:

deduco che la tensione ai capi di tutti i condensatori sia pari a 0. Quindi hanno tutti la stessa tensione e quindi sono tutti in parallelo. Spero di essere stato più chiaro e che il ragionamento fatto sia corretto
2
voti
No, non va bene (almeno mi pare).
La tensione all'uscita dell'inverter cambia, e quindi c'e` corrente attraverso le capacita`. Se calcoli la corrente che esce dall'inverter, separatamente per la capacita` collegata al negativo e quella al positivo, trovi che si comportano come se fossero in parallelo, anche se non hanno la stessa tensione ai loro capi. La ragione e` che la differenza fra le tensioni delle due capacita` e` costante e quando la si deriva non da` contributo
Supponi che la tensione all'uscita dell'inverter sia vo(t), e calcola la corrente che passa attraverso la capacita` verso ground e quella che passa nella capacita` verso il positivo. Scrivi le due espressioni (in latex), poi ne riparliamo.
La tensione all'uscita dell'inverter cambia, e quindi c'e` corrente attraverso le capacita`. Se calcoli la corrente che esce dall'inverter, separatamente per la capacita` collegata al negativo e quella al positivo, trovi che si comportano come se fossero in parallelo, anche se non hanno la stessa tensione ai loro capi. La ragione e` che la differenza fra le tensioni delle due capacita` e` costante e quando la si deriva non da` contributo
Supponi che la tensione all'uscita dell'inverter sia vo(t), e calcola la corrente che passa attraverso la capacita` verso ground e quella che passa nella capacita` verso il positivo. Scrivi le due espressioni (in latex), poi ne riparliamo.
Per usare proficuamente un simulatore, bisogna sapere molta più elettronica di lui
Plug it in - it works better!
Il 555 sta all'elettronica come Arduino all'informatica! (entrambi loro malgrado)
Se volete risposte rispondete a tutte le mie domande
Plug it in - it works better!
Il 555 sta all'elettronica come Arduino all'informatica! (entrambi loro malgrado)
Se volete risposte rispondete a tutte le mie domande
0
voti
Mi dispiace ma comunque non capisco perché bisogna ragionare sulle correnti. Io ho sempre saputo che i componenti elettrici si dicono collegati in parallelo perché hanno applicato la stessa tensione.
Per me questi sono due condensatori in parallelo:

Supponendo che la tensione di alimentazione sia pari ad un
Supponendo di avere una transizione dall'alto verso il basso(
) avrò che 
e quindi sono in parallelo perché hanno la stessa tensione.
invece ha valore
quindi la tensione è diversa. A questo punto forse sbaglio a dire che a due componenti elettrici collegati in parallelo è applicata la stessa tensione perché sennò non capisco in cosa stia sbagliando.
Per me questi sono due condensatori in parallelo:

Supponendo che la tensione di alimentazione sia pari ad un

Supponendo di avere una transizione dall'alto verso il basso(
) avrò che 
e quindi sono in parallelo perché hanno la stessa tensione.
invece ha valore
quindi la tensione è diversa. A questo punto forse sbaglio a dire che a due componenti elettrici collegati in parallelo è applicata la stessa tensione perché sennò non capisco in cosa stia sbagliando.3
voti
La definizione generale dice che due bipoli sono in parallelo quando sono sottoposti alla stessa tensione. E se sono in parallelo la corrente totale la si somma.
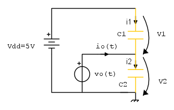
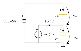
Ora considera questo circuito
La tensione di alimentazione Vdd e` costante e vale 5V. La tensione in uscita dall'inverter invece e` variabile, non ha importanza come e` fatta, la chiamo vo(t). Voglio calcolare la corrente che esce dal generatore vo(t)
Scrivi l'espressione di V1 e V2, le tensioni ai capi delle due capacita`. (a proposito studi a Padova o altra universita` del nord-est?)
Calcola, usando l'equazione differenziale del condensatore, le correnti i1 e i2 che scorrono attraverso le due capacita`. Infine calcola la corrente totale io(t), che e` la corrente totale che viene assorbita dall'uscita dell'inverter. Nel risultato finale metti in evidenza quello che e` possibile.
NB: la domanda se studi nel nord-est non e` una domanda peregrina, serve per la risposta.
Ora considera questo circuito
La tensione di alimentazione Vdd e` costante e vale 5V. La tensione in uscita dall'inverter invece e` variabile, non ha importanza come e` fatta, la chiamo vo(t). Voglio calcolare la corrente che esce dal generatore vo(t)
Scrivi l'espressione di V1 e V2, le tensioni ai capi delle due capacita`. (a proposito studi a Padova o altra universita` del nord-est?)
Calcola, usando l'equazione differenziale del condensatore, le correnti i1 e i2 che scorrono attraverso le due capacita`. Infine calcola la corrente totale io(t), che e` la corrente totale che viene assorbita dall'uscita dell'inverter. Nel risultato finale metti in evidenza quello che e` possibile.
NB: la domanda se studi nel nord-est non e` una domanda peregrina, serve per la risposta.
Per usare proficuamente un simulatore, bisogna sapere molta più elettronica di lui
Plug it in - it works better!
Il 555 sta all'elettronica come Arduino all'informatica! (entrambi loro malgrado)
Se volete risposte rispondete a tutte le mie domande
Plug it in - it works better!
Il 555 sta all'elettronica come Arduino all'informatica! (entrambi loro malgrado)
Se volete risposte rispondete a tutte le mie domande
5
voti
Domandavo dove studi perche' usi la convenzione tedesca per indicare le tensioni.
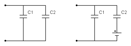
Allora vedi che per le variazioni le due capacita` sono in parallelo, viene C1+C2, anche se una e` collegata a ground l'altra all'alimentazione.
I due condensatori a sinistra sono in parallelo.
Mentre i due a destra pure! A regime NON c'e` verso di capire se c'e` una batteria in serie oppure no, la grandezza continua non e` osservabile in quel circuito.
Nota che si deve essere a regime, che vuol dire che la tensione e` continua, non c'e` un gradino di quando "accendi" la batteria.
Allora vedi che per le variazioni le due capacita` sono in parallelo, viene C1+C2, anche se una e` collegata a ground l'altra all'alimentazione.
I due condensatori a sinistra sono in parallelo.
Mentre i due a destra pure! A regime NON c'e` verso di capire se c'e` una batteria in serie oppure no, la grandezza continua non e` osservabile in quel circuito.
Nota che si deve essere a regime, che vuol dire che la tensione e` continua, non c'e` un gradino di quando "accendi" la batteria.
Per usare proficuamente un simulatore, bisogna sapere molta più elettronica di lui
Plug it in - it works better!
Il 555 sta all'elettronica come Arduino all'informatica! (entrambi loro malgrado)
Se volete risposte rispondete a tutte le mie domande
Plug it in - it works better!
Il 555 sta all'elettronica come Arduino all'informatica! (entrambi loro malgrado)
Se volete risposte rispondete a tutte le mie domande
10 messaggi
• Pagina 1 di 1
Chi c’è in linea
Visitano il forum: Nessuno e 74 ospiti

Elettrotecnica e non solo (admin)
Un gatto tra gli elettroni (IsidoroKZ)
Esperienza e simulazioni (g.schgor)
Moleskine di un idraulico (RenzoDF)
Il Blog di ElectroYou (webmaster)
Idee microcontrollate (TardoFreak)
PICcoli grandi PICMicro (Paolino)
Il blog elettrico di carloc (carloc)
DirtEYblooog (dirtydeeds)
Di tutto... un po' (jordan20)
AK47 (lillo)
Esperienze elettroniche (marco438)
Telecomunicazioni musicali (clavicordo)
Automazione ed Elettronica (gustavo)
Direttive per la sicurezza (ErnestoCappelletti)
EYnfo dall'Alaska (mir)
Apriamo il quadro! (attilio)
H7-25 (asdf)
Passione Elettrica (massimob)
Elettroni a spasso (guidob)
Bloguerra (guerra)





