Buongiorno a tutti,
Sto cercando di ricreare un circuito presente in un apparecchio, il quale dopo essere stato acceso/attivato “attende” un movimento e appena lo percepisce inizia a suonare finché non viene spento, ma date le mie inesistenti conoscenze elettroniche l’impresa è impossibile
Il sensore che vorrei utilizzare capace di percepire le vibrazioni è questo:
Electrical characteristics:
Maximum Voltage: 12V
Contact Resistance: <10 ohm
Contact Time: 2 ms
Maximum Current: 20mA
Insulation Resistance: >10M ohm
Temperature Range: -40 to 80ºC
Operating lifespan: 100,000 cycles
Diameter: 5mm/0.2"
Height (w/ pins): 25mm/1"
Height (w/o pins): 15mm/0.6"
Weight: 0.3g
il funzionamento è molto semplice, appena la molla tocca l’anima centrale chiude per un istante il circuito
Inizialmente ho provato a cercare di capire come poter fare il tutto utilizzando un NE555 ma si è rilevata un impresa fallimentare data la complessità (per me) di questo circuito integrato. L’unica cosa che ho capito guardando qualche video su youtube è che utilizzandolo in “configurazione” monostabile poteva essere d’aiuto al mio scopo
Successivamente ho pensato di utilizzare un relè DPDT latching in quanto (data la mia ignoranza in materia) risulterebbero più semplici i collegamenti ma questa opzione l’ho scartata praticamente subito poiché così facendo non avrei il tempo di poter accendere/spegnere tranquillamente l’apparecchio in quanto suonerebbe subito in caso di movimento
Quindi la mia attenzione si rivolge un'altra volta verso NE555 in quanto c’è la possibilità di usarlo anche come timer
Quello che vorrei provare a creare è un apparecchio che funzioni a batteria quindi da 1,5 V a 9 V, che tramite un interruttore ci sia la possibilità di accenderlo/spegnerlo e che dopo la sua accensione
- ci sia un periodo di circa 3 secondi in cui il sensore non venga considerato permettendo così un’accensione tranquilla dato che per accenderlo è inevitabile muoverlo (a meno che non venga utilizzato un telecomando, ma non voglio prendere in considerazione questa alternativa)
- quando viene chiuso il circuito anche solo per un istante/impulso, grazie al funzionamento del sensore di vibrazione, attenda (per il motivo citato sopra) circa 3 secondi prima di dare energia al segnalatore (buzzer oppure un led), passati i 3 sencondi inizia a dare energia al segnalatore finché non viene spento tramite l’interruttore
Chiedo a voi un aiuto perché non so dove sbattere la testa
Devo usare due NE555? Uno da usare come timer e uno per far partire il led/buzzer appena percepisce un impulso dato dal sensore?
Qualcuno mi potrebbe aiutare a realizzare questo progetto?
Grazie per l’attenzione
Vibrazione attiva segnalatore
Moderatori:
carloc,
g.schgor,
BrunoValente,
IsidoroKZ
4 messaggi
• Pagina 1 di 1
2
voti
Ciao,
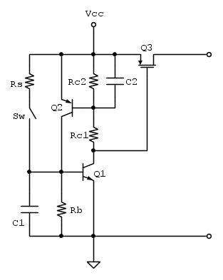
vediamo intanto di capire quali sono le tue possibilità realizzative. Personalmente detesto l'NE555 quindi sarei portato ad affrontare il tuo problema con una topologia di questo tipo:
tutto da verificare e da dimensionare. La domanda iniziale è: saresti in grado di costruire una cosa del genere? se sì, procediamo a fare le cose per bene dimensionando e de-bacando quel circuito...
l'interruttore a movimento è lo switch sulla sinistra chiamato Sw mentre il carico (LED+Resistenza o cicalino o ciò che vuoi che sia adatto) andrà collegato a destra fra i due terminali. La tua specifica 1.5-9V non è rispettata, ma non credo nemmeno sia sensata visto che con 1,5V un LED non lo accendi. Inoltre, manca il ritardo dei 3s perché non sono sicuro di aver capito bene qual è il funzionamento che desideri, ma è comunque facilmente aggiungibile.
Se sei interessato al funzionamento teorico del circuito: quando l'interruttore a movimento è fermo, il transistor Q1 è spento grazie al resistore Rb che lo tiene con la base al riferimento. Non avendo dunque Q1 corrente di colletore, anche Q2 e Q3 risultano spenti. UNa volta che l'interruttore a movimento viene chiuso anche per brevissimo tempo, Q1 si accende causando l'accensione a loro volta di Q2 e Q3. Q2 contribuisce all'iniezione di corrente in base a Q2 cosicchè quando l'interruttore si apre nuovamente Q1 resta comunque acceso.
vediamo intanto di capire quali sono le tue possibilità realizzative. Personalmente detesto l'NE555 quindi sarei portato ad affrontare il tuo problema con una topologia di questo tipo:
tutto da verificare e da dimensionare. La domanda iniziale è: saresti in grado di costruire una cosa del genere? se sì, procediamo a fare le cose per bene dimensionando e de-bacando quel circuito...
l'interruttore a movimento è lo switch sulla sinistra chiamato Sw mentre il carico (LED+Resistenza o cicalino o ciò che vuoi che sia adatto) andrà collegato a destra fra i due terminali. La tua specifica 1.5-9V non è rispettata, ma non credo nemmeno sia sensata visto che con 1,5V un LED non lo accendi. Inoltre, manca il ritardo dei 3s perché non sono sicuro di aver capito bene qual è il funzionamento che desideri, ma è comunque facilmente aggiungibile.
Se sei interessato al funzionamento teorico del circuito: quando l'interruttore a movimento è fermo, il transistor Q1 è spento grazie al resistore Rb che lo tiene con la base al riferimento. Non avendo dunque Q1 corrente di colletore, anche Q2 e Q3 risultano spenti. UNa volta che l'interruttore a movimento viene chiuso anche per brevissimo tempo, Q1 si accende causando l'accensione a loro volta di Q2 e Q3. Q2 contribuisce all'iniezione di corrente in base a Q2 cosicchè quando l'interruttore si apre nuovamente Q1 resta comunque acceso.
_______________________________________________________
Gli oscillatori non oscillano mai, gli amplificatori invece sempre
Io HO i poteri della supermucca, e ne vado fiero!
Gli oscillatori non oscillano mai, gli amplificatori invece sempre
Io HO i poteri della supermucca, e ne vado fiero!
0
voti
AleElectro ha scritto:Sto cercando diricreareriprodurre un circuito presente in un apparecchio
Se ci dice che apparecchio è, magari possiamo capirne meglio il funzionamento e dirti come riprodurlo
0
voti
È un giocattolo che quando lo tocchi suona
È tipo un distintivo, con la scritta power rangers, lo davano insieme all'happy meal (mcdonald) circa una decina di anni fa
Grazie obiuan per la celere risposta
Si penso di essere in grado di costruire una cosa del genere
Diciamo che fatta a modo mio dovrebbe venire fuori così
Al posto del pulsante ci sarebbe il sensore di vibrazione
Complimenti! In così poco tempo sei riuscito a capire quello che volevo e a creare un circuito. Incredibile
Ho provato a testare il tutto su un simulatore e (se il simulatore funziona a dovere) è proprio quello che cercavo!
Ora servirebbe la pausa. La pausa è necessaria a fare in modo che il segnalatore non si attivi subito dopo l’accensione o poco prima dello spegnimento in quanto per queste due operazioni il sensore percepirebbe il movimento
È tipo un distintivo, con la scritta power rangers, lo davano insieme all'happy meal (mcdonald) circa una decina di anni fa
Grazie obiuan per la celere risposta
Si penso di essere in grado di costruire una cosa del genere
Diciamo che fatta a modo mio dovrebbe venire fuori così
Al posto del pulsante ci sarebbe il sensore di vibrazione
Complimenti! In così poco tempo sei riuscito a capire quello che volevo e a creare un circuito. Incredibile
Ho provato a testare il tutto su un simulatore e (se il simulatore funziona a dovere) è proprio quello che cercavo!
Ora servirebbe la pausa. La pausa è necessaria a fare in modo che il segnalatore non si attivi subito dopo l’accensione o poco prima dello spegnimento in quanto per queste due operazioni il sensore percepirebbe il movimento
-

AleElectro
0 2 - Messaggi: 2
- Iscritto il: 19 mag 2016, 12:34
4 messaggi
• Pagina 1 di 1
Chi c’è in linea
Visitano il forum: Nessuno e 113 ospiti

Elettrotecnica e non solo (admin)
Un gatto tra gli elettroni (IsidoroKZ)
Esperienza e simulazioni (g.schgor)
Moleskine di un idraulico (RenzoDF)
Il Blog di ElectroYou (webmaster)
Idee microcontrollate (TardoFreak)
PICcoli grandi PICMicro (Paolino)
Il blog elettrico di carloc (carloc)
DirtEYblooog (dirtydeeds)
Di tutto... un po' (jordan20)
AK47 (lillo)
Esperienze elettroniche (marco438)
Telecomunicazioni musicali (clavicordo)
Automazione ed Elettronica (gustavo)
Direttive per la sicurezza (ErnestoCappelletti)
EYnfo dall'Alaska (mir)
Apriamo il quadro! (attilio)
H7-25 (asdf)
Passione Elettrica (massimob)
Elettroni a spasso (guidob)
Bloguerra (guerra)


