L'unica cosa che mi viene da notare è che probabilmente "VA" è una linea di polarizzazione a metà della tensione di alimentazione (cioè a 4,5 volt) che in questi casi si usa per polarizzare gli ingressi degli operazionali. Per il resto mi sembra il classico prodotto di qualche UCAS (Ufficio complicazione affari semplici).
Imho...
Ciao
Piercarlo
PS - non sarà un gran segno di stima elettronica ma mi è capitato spesso di vedere usati in circuiti "musicali" pezzi di circuiti riciclati da altri (l'inseguitore di emettitore per esempio) per pura abitudine e "tradizione", senza nessuna vera funzione o ragione di impiego. I musicisti hanno un sacco di pregi ma, senza offesa, non li considero esattamente gli eredi di Jim Williams...
Domande su circuito buffer
Moderatori:
carloc,
g.schgor,
BrunoValente,
IsidoroKZ
39 messaggi
• Pagina 2 di 4 • 1, 2, 3, 4
5
voti
diaretto ha scritto:Il circuito ha un'utilità effettiva, in quanto si trovano molti buffer commerciali, ed il loro effetto è noto e sicuramente non una scemenza audiofilaMi trovo comunque d'accordo sul fatto che tantissime sottigliezze del campo Hi-fi poi ritrovino evidenza pratica pari a zero!
Non ho detto che un buffer non abbia utilità, ci mancherebbe! Un buffer serve a far vedere un'impedenza alta ai circuiti a monte e una bassa a quelli a valle, Ho invece detto e lo ribadisco, che mi sembra una scemenza da audiomusicofilo far variare l'impedenza di uscita tramite un potenziometro..e per favore non chiamarle "sottigliezze del campo Hi-fi" perché in questo caso si tratta di veri errori belli e buoni.
diaretto ha scritto:Lo schema comunque l'ho trovato sul sito di un fabbricante (americano) di pedali artigianali, quindi mi parrebbe valido.
Strano modo per decretare la validità di un circuito, specialmente per uno studente di ingegneria.
diaretto ha scritto:Per C9 se serve ad aumentare l'impedenza di entrata allora mi pare corretto il taglio a 2Hz, potrebbe essere anche qualcosa in più giusto? La banda audio è circa 0-20KHz quindi prima interviene l'effetto del bootstrap e meglio è, corretto?
No, non serve a niente, l'impedenza di ingresso non invertente è già abbondantemente alta per qualsiasi trasduttore
diaretto ha scritto:Tutto il gruppo C15-R26-R27-C14 dovrebbe essere un passa banda, con C15-R26 passa basso tarato sui 20KHz (ho fatto i conti per ricavare C15), mentre il passa alto è circa sui 15Hz, mi pare perfetto quindi no? Dovrebbe servire a non far autoscillare l'operazionale mi hanno detto.
Sarei curioso di vedere i tuoi conti...non serve fare i conti, si vede anche con un occhio solo che con quei valori ha un guadagno unitario su tutta la banda e che non filtra un bel nulla... ma stai davvero studiando elettronica?
diaretto ha scritto:Per l'entrata dell'operazionale non saprei, quindi dovrei togliere R22 ed R25? Non capisco allora il senso di metterle.
Il senso è semplice: è un altro errore.
diaretto ha scritto:Il potenziometro dovrebbe servire appunto per aumentare l'impedenza di uscita in caso ce ne fosse bisogno, non tutti i pedali vogliono essere caricati con la stessa impedenza, e la manopola può essere utile per adattarsi ai vari casi.

-

BrunoValente
39,6k 7 11 13 - G.Master EY

- Messaggi: 7796
- Iscritto il: 8 mag 2007, 14:48
1
voti
Mi associo alla perplessità di
BrunoValente
"La follia sta nel fare sempre la stessa cosa aspettandosi risultati diversi".
"Parla soltanto quando sei sicuro che quello che dirai è più bello del silenzio".
Rispondere è cortesia, ma lasciare l'ultima parola ai cretini è arte.
"Parla soltanto quando sei sicuro che quello che dirai è più bello del silenzio".
Rispondere è cortesia, ma lasciare l'ultima parola ai cretini è arte.
-

TardoFreak
73,9k 8 12 13 - -EY Legend-

- Messaggi: 15754
- Iscritto il: 16 dic 2009, 11:10
- Località: Torino - 3° pianeta del Sistema Solare
0
voti

"Non farei mai parte di un club che accettasse la mia iscrizione" (G. Marx)
-

claudiocedrone
21,3k 4 7 9 - Master EY

- Messaggi: 15302
- Iscritto il: 18 gen 2012, 13:36
0
voti
Ok, vedo di rispondere a tutto e a tutti cercando di cavare qualcosa di utile da questo topic:
1)VA è la tensione "finta" di riferimento, cioè 4,5V, la metà della tensione di alimentazione
2)Un amplificatore ha impedenza di ingresso di circa 1M, un pedale (prendiamo il Mooer Pure Octave come esempio) ha impedenza di ingresso di 470k, non mi pare proprio la stessa cosa no?
3)Una chitarra ha impedenza di uscita di circa 5-10k (e senza buffer entrerebbe in 470k), non mi pare la stessa cosa di uscire con 1-2k (ed entrare in 1M) o sbaglio?
4)Potete trovare moltissimi articoli online su come (faccio un esempio ma ce ne sono tantissimi) un Crybay (noto pedale di qualità non eccelsa ma dall'ottimo effetto, molto richiesto dai chitarristi), abbia problemi a pilotare dopo di se i pedali di tipo Fuzz Vintage, che richiedono impedenze non cosi basse come 1k, quindi un potenziometro serve, e comunque in generale di sicuro NON tutti i pedali vogliono essere pilotati dalla stessa impedenza.
5)Cercando su Google "passa banda non invertente" ho trovato questo: http://www.antoniosantoro.com/revsioni% ... rtente.pdf , quindi C15 ha un effetto insieme a R26 di passa basso, e basta dimensionarlo sui 20KHz con la formuletta della frequenza di taglio classica di un filtro di 1° ordine.
1)VA è la tensione "finta" di riferimento, cioè 4,5V, la metà della tensione di alimentazione
2)Un amplificatore ha impedenza di ingresso di circa 1M, un pedale (prendiamo il Mooer Pure Octave come esempio) ha impedenza di ingresso di 470k, non mi pare proprio la stessa cosa no?
3)Una chitarra ha impedenza di uscita di circa 5-10k (e senza buffer entrerebbe in 470k), non mi pare la stessa cosa di uscire con 1-2k (ed entrare in 1M) o sbaglio?
4)Potete trovare moltissimi articoli online su come (faccio un esempio ma ce ne sono tantissimi) un Crybay (noto pedale di qualità non eccelsa ma dall'ottimo effetto, molto richiesto dai chitarristi), abbia problemi a pilotare dopo di se i pedali di tipo Fuzz Vintage, che richiedono impedenze non cosi basse come 1k, quindi un potenziometro serve, e comunque in generale di sicuro NON tutti i pedali vogliono essere pilotati dalla stessa impedenza.
5)Cercando su Google "passa banda non invertente" ho trovato questo: http://www.antoniosantoro.com/revsioni% ... rtente.pdf , quindi C15 ha un effetto insieme a R26 di passa basso, e basta dimensionarlo sui 20KHz con la formuletta della frequenza di taglio classica di un filtro di 1° ordine.
5
voti
diaretto ha scritto:1)VA è la tensione "finta" di riferimento, cioè 4,5 V, la metà della tensione di alimentazione
ok
diaretto ha scritto:2)Un amplificatore ha impedenza di ingresso di circa 1M, un pedale (prendiamo il Mooer Pure Octave come esempio) ha impedenza di ingresso di 470k, non mi pare proprio la stessa cosa no?
E invece è proprio la stessa cosa se l'impedenza di sorgente ha valori molto più bassi, come è sempre nella pratica
diaretto ha scritto:3)Una chitarra ha impedenza di uscita di circa 5-10k (e senza buffer entrerebbe in 470k), non mi pare la stessa cosa di uscire con 1-2k (ed entrare in 1M) o sbaglio?
Anche qui invece è proprio la stessa cosa.
Quando colleghi un generatore con una certa impedenza interna ad un carico l'unico effetto degno di nota che si verifica è un'attenuazione del segnale, questo perché le due impedenze, quella di sorgente e quella di carico (nel tuo esempio la sorgente è la chitarra e il carico sono l'amplificatore o il pedale) formano un partitore... spero tu sappia cosa sia un partitore.
Collegando una sorgente avente 5k di impedenza interna ad un carico di 470k si ha un'attenuazione pari a 470/(470+5)=0.989, invece collegandone una di 1k ad un carico di 1M l'attenuazione diventa pari a 1000/(1000+1)=0.999, i due risultati non sembrano molto diversi, non credi?
diaretto ha scritto:4)Potete trovare moltissimi articoli online su come (faccio un esempio ma ce ne sono tantissimi) un Crybay (noto pedale di qualità non eccelsa ma dall'ottimo effetto, molto richiesto dai chitarristi), abbia problemi a pilotare dopo di se i pedali di tipo Fuzz Vintage, che richiedono impedenze non cosi basse come 1k, quindi un potenziometro serve, e comunque in generale di sicuro NON tutti i pedali vogliono essere pilotati dalla stessa impedenza.
Qui non stiamo a cercare di convincerci per sentito dire, se no stavamo a far politica, se vuoi convincermi di questa cosa mi devi spiegare tecnicamente perché.
Noi qui siamo ben disponibili a imparare cose nuove che abbiano una spiegazione logica, non lo siamo affatto a credere ai dogmi.
diaretto ha scritto:5)Cercando su Google "passa banda non invertente" ho trovato questo: http://www.antoniosantoro.com/revsioni% ... rtente.pdf , quindi C15 ha un effetto insieme a R26 di passa basso, e basta dimensionarlo sui 20KHz con la formuletta della frequenza di taglio classica di un filtro di 1° ordine.
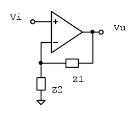
Negli amplificatori non invertenti come quello in questione, cioè come questo
Il guadagno è pari a G=1+Z1/Z2.
Se nel tuo circuito togli C15 e cortocircuiti C14, restano solo R26 e R27 e quindi il guadagno diventa pari a G=1+(R26/R27), cioè G=1+6.8/1000 = 1+0.0068 = 1.0068, che è praticamente unitario perché il rapporto Z1/Z2, cioè R26/R27, è molto piccolo.
Se ora introduci di nuovo C15, che è in parallelo a R26, il valore di Z1 (numeratore) si riduce rispetto a quello di R26 e se introduci di nuovo anche C14, che è in serie a R27, il valore di Z2 (denominatore) aumenta rispetto a quello di R27, quindi, considerando anche il contributo di C14 e C15, il rapporto Z1/Z2 diventa ancora più piccolo di R26/R27 e quindi, anche alle frequenze dove C14 e C15 fanno sentire il loro effetto, il guadagno, che varia di pochissimo, continua ad essere praticamente pari a uno.
Come vedi tutto questo non richiede calcoli, si vede a colpo d'occhio...e di solito si prendono fischi per fiaschi quando si applicano formule cadute dal cielo a circuiti dei quali non si è capito come funzionano.
Non hai ancora risposto alla mia domanda: stai davvero studiando Ingegneria elettronica?
-

BrunoValente
39,6k 7 11 13 - G.Master EY

- Messaggi: 7796
- Iscritto il: 8 mag 2007, 14:48
0
voti
Chiarisco un paio di cose:
1)Non sono io che suono, un paio di amici mi hanno chiesto se gli potevo fare un buffer perché la loro catena di effetti essendo ben lunga rende il suono ben diverso da quello con il semplice strumento collegato all'amplificatore. E questo lo nota e lo dice qualunque musicista.
2)La differenza si sente ed eccome, è pieno di video su youtube (tipo questo: https://youtu.be/9LfrFncSCQU?t=8m30s) dove aggiungendo metri e metri di cavo la differenza col buffer è evidente, e questo a maggior ragione in catene di effetti che introducono un sacco di perdite fra contatti e circuiti relizzati male (non true-bypass nella maggior parte dei casi).
Anche l'effetto passa basso dovuto alle capacità parassite dei cavi usati si fa sentire, in ogni caso cercando ovunque su internet si trova gente che ha messo un buffer in catena e la differenza è netta. Si trovano link ovunque, uno tra questi per esempio: http://screaminfx.com/tech/why-and-when ... -pedal.htm
Tra l'altro col buffer in figura realizzato, il mio amico bassista vede sparire COMPLETAMENTE il casino assurdo prodotto dal suo pedale fuzz, pedali che sono noti per dare sempre molti problemi date le loro bassissime impedenze di entrata (nell'ordine dei 15k). Non mi pare quindi che un buffer non serva a niente, e questo col basso dove le frequenze sono ancora basse e non si sente un granchè l'effetto passa basso, mentre con una chitarra è ancora più evidente la differenza.
Sono il primo che non crede ai dogmi ma solo a ciò che vede e con motivazioni ferree.
Il discorso sul passa banda sarebbe che guadagnando sempre circa 1, non attenua alcuna frequenza, perché in quelle frequenze il guadagno dovrebbe andare calando, ho capito bene? Quindi inserire un passa banda di quel tipo ha senso solo quando non si guadagna 1?
Comunque per chiarezza sto studiando si Ing. Elettronica, ma ho fatto il Liceo Scientifico e per ora gli esami sono tutti di Analisi, Fisica, Geometria e cose varie, elettronica ancora quasi zero. Quello che faccio lo faccio tutto per passione, cercando di imparare da autodidatta.
P.S: So cosa è un partitore di tensione.
1)Non sono io che suono, un paio di amici mi hanno chiesto se gli potevo fare un buffer perché la loro catena di effetti essendo ben lunga rende il suono ben diverso da quello con il semplice strumento collegato all'amplificatore. E questo lo nota e lo dice qualunque musicista.
2)La differenza si sente ed eccome, è pieno di video su youtube (tipo questo: https://youtu.be/9LfrFncSCQU?t=8m30s) dove aggiungendo metri e metri di cavo la differenza col buffer è evidente, e questo a maggior ragione in catene di effetti che introducono un sacco di perdite fra contatti e circuiti relizzati male (non true-bypass nella maggior parte dei casi).
Anche l'effetto passa basso dovuto alle capacità parassite dei cavi usati si fa sentire, in ogni caso cercando ovunque su internet si trova gente che ha messo un buffer in catena e la differenza è netta. Si trovano link ovunque, uno tra questi per esempio: http://screaminfx.com/tech/why-and-when ... -pedal.htm
Tra l'altro col buffer in figura realizzato, il mio amico bassista vede sparire COMPLETAMENTE il casino assurdo prodotto dal suo pedale fuzz, pedali che sono noti per dare sempre molti problemi date le loro bassissime impedenze di entrata (nell'ordine dei 15k). Non mi pare quindi che un buffer non serva a niente, e questo col basso dove le frequenze sono ancora basse e non si sente un granchè l'effetto passa basso, mentre con una chitarra è ancora più evidente la differenza.
Sono il primo che non crede ai dogmi ma solo a ciò che vede e con motivazioni ferree.
Il discorso sul passa banda sarebbe che guadagnando sempre circa 1, non attenua alcuna frequenza, perché in quelle frequenze il guadagno dovrebbe andare calando, ho capito bene? Quindi inserire un passa banda di quel tipo ha senso solo quando non si guadagna 1?
Comunque per chiarezza sto studiando si Ing. Elettronica, ma ho fatto il Liceo Scientifico e per ora gli esami sono tutti di Analisi, Fisica, Geometria e cose varie, elettronica ancora quasi zero. Quello che faccio lo faccio tutto per passione, cercando di imparare da autodidatta.
P.S: So cosa è un partitore di tensione.
3
voti
diaretto ha scritto:...Non mi pare quindi che un buffer non serva a niente.
E mi pare di averlo già detto in tutti i modi: qui nessuno sta dicendo che un buffer non serve a niente, io sto solo cercando di farti capire che quello in questione presenta degli errori plateali, che è pieno di componenti inutili e che realizzandolo con un solo operazionale, come ti ho fatto vedere, funzionerebbe meglio.
Un passa basso, lo dice il nome, è un circuito il cui guadagno ha un certo valore alle basse frequenze e un valore più basso alle alte frequenze così che risultino attenuate rispetto a quelle basse, non importa quanto sia il guadagno, importa che alle alte frequenze sia più basso che alle basse frequenze.
Se un circuito ha lo stesso guadagno a tutte le frequenze, non importa se 1 o 10 o 100 o 1000, vuol dire che è un passa tutto e non certo un passa basso.
Ma, al di la di tutto, puoi spiegarmi perché un buffer dovrebbe contenere un filtro passa basso?
Se, come dovrebbe essere, serve a non sovraccaricare le sorgenti ad alta impedenza, per quale motivo dovrebbe anche modificare la risposta attenuando gli alti?
Quel circuito sicuramente deriva da qualcos'altro che non era un buffer e che precedentemente conteneva un filtro passa basso e, molto probabilmente, chi lo ha trasformato in buffer ha semplicemente aumentato il valore di R27 fino a far sparire l'effetto filtrante senza rendersi conto che, più semplicemente, avrebbe potuto togliere R27 ottenendo lo stesso effetto (R27 di valore infinito) e che di conseguenza avrebbe poi potuto cortocircuitare C15 e R26 (quindi togliere anche quelli), visto che senza R27 non sarebbero serviti più a niente.
Anche la presenza di R22 e R25 lascia intendere che si tratti di un ramo rimasto appeso di un precedente circuito modificato (male) per trasformarlo in altro.
diaretto ha scritto:...sto studiando si Ing. Elettronica, ma ho fatto il Liceo Scientifico e per ora gli esami sono tutti di Analisi, Fisica, Geometria e cose varie, elettronica ancora quasi zero.
Comunque io chiudo qui, anche perché non avrei altro da dirti, ti invito solo, se ne avrai voglia, a riguardare quel circuito tra qualche anno dopo che avrai studiato un po' di elettronica e, se ci sarà modo, mi farai sapere.

-

BrunoValente
39,6k 7 11 13 - G.Master EY

- Messaggi: 7796
- Iscritto il: 8 mag 2007, 14:48
0
voti
No per carità, apprezzo molto le tue risposte e quelle degli altri che mi hanno di sicuro fatto capire molte cose che prima non capivo. Quindi prima di tutto vi ringrazio per la pazienza avuta, mi scuso se sono sembrato in qualche modo polemico!
Come seconda cosa volevo chiedere, aldilà del semplice operazionale, il circuito attuale è sbagliato nel senso che funziona male, oppure contiene semplicemente componenti inutili? Intendo dire, ci sarà pure un qualche modo di ottimizzare il circuito inserendo filtraggi vari o miglioramenti.
Come seconda cosa volevo chiedere, aldilà del semplice operazionale, il circuito attuale è sbagliato nel senso che funziona male, oppure contiene semplicemente componenti inutili? Intendo dire, ci sarà pure un qualche modo di ottimizzare il circuito inserendo filtraggi vari o miglioramenti.
0
voti
Dammi retta, cambia il circuito come ti è stato detto
39 messaggi
• Pagina 2 di 4 • 1, 2, 3, 4
Chi c’è in linea
Visitano il forum: Nessuno e 73 ospiti

Elettrotecnica e non solo (admin)
Un gatto tra gli elettroni (IsidoroKZ)
Esperienza e simulazioni (g.schgor)
Moleskine di un idraulico (RenzoDF)
Il Blog di ElectroYou (webmaster)
Idee microcontrollate (TardoFreak)
PICcoli grandi PICMicro (Paolino)
Il blog elettrico di carloc (carloc)
DirtEYblooog (dirtydeeds)
Di tutto... un po' (jordan20)
AK47 (lillo)
Esperienze elettroniche (marco438)
Telecomunicazioni musicali (clavicordo)
Automazione ed Elettronica (gustavo)
Direttive per la sicurezza (ErnestoCappelletti)
EYnfo dall'Alaska (mir)
Apriamo il quadro! (attilio)
H7-25 (asdf)
Passione Elettrica (massimob)
Elettroni a spasso (guidob)
Bloguerra (guerra)



