Riparazione circuito lampada flash
5 messaggi
• Pagina 1 di 1
0
voti
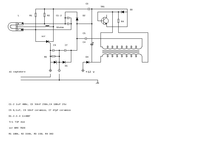
buonasera. anche questa volta sono qui a esporvi un mio problema. non me ne vogliate, ma non riesco a venirne più fuori! il circuito che vi mostro è di una lampada stroboscopica da officina, la quale non funziona più e sto cercando di capirne il motivo. il disegno del circuito l'ho fatto sulla base delle mie minime ed incomplete conoscenze, perciò vi chiedo di avere un po di pietà!!vorrei capire la funzione dei componenti nel circuito ed il suo funzionamento complessivo. grazie
- Allegati
Ultima modifica di
alev il 24 mag 2016, 8:52, modificato 1 volta in totale.
Motivazione: Modificato titolo
Motivazione: Modificato titolo
-

heliodromos
45 2 - Messaggi: 31
- Iscritto il: 7 ott 2015, 14:36
0
voti
queste le foto dei componenti e delle piste sulla basetta
Ultima modifica di
alev il 24 mag 2016, 8:52, modificato 1 volta in totale.
Motivazione: Modificato titolo
Motivazione: Modificato titolo
-

heliodromos
45 2 - Messaggi: 31
- Iscritto il: 7 ott 2015, 14:36
0
voti
Hai fatto test di funzionamento sul bulbo
La prima foto è ok, la seconda pur nitida non è chiara, troppe ombre; andrebbe rifatta con maggior risoluzione, senza flash ma con luce forte diffusa (magari all'esterno) ed anche con più punti di visuale
A causa delle ombre non sono sicuro di quello che ho visto ma mi pare che il trasformatore in alto a destra (2^ foto) abbia l'isolamento esterno deformato
EDIT: spostata discussione in Costruzione, montaggio e riparazione
La prima foto è ok, la seconda pur nitida non è chiara, troppe ombre; andrebbe rifatta con maggior risoluzione, senza flash ma con luce forte diffusa (magari all'esterno) ed anche con più punti di visuale
A causa delle ombre non sono sicuro di quello che ho visto ma mi pare che il trasformatore in alto a destra (2^ foto) abbia l'isolamento esterno deformato
EDIT: spostata discussione in Costruzione, montaggio e riparazione
Ultima modifica di
alev il 24 mag 2016, 9:08, modificato 3 volte in totale.
Motivazione: Modificato titolo
Motivazione: Modificato titolo
1
voti
ciao, al volo prima di uscire da casa,
fa attenzione che quel transistor ha il collettore anche nella lamella dove c'è la vite, per cui è collegato.
correggi lo schema
fa attenzione che quel transistor ha il collettore anche nella lamella dove c'è la vite, per cui è collegato.
correggi lo schema
- Codice: Seleziona tutto
[code=php]per il codice a colori[/code]
3
voti
Tutto risolto ragazzi: il problema era dovuto al sensore candela difettoso, con il suo nucleo in ferrite rotto.tutto qui!ho sostituito il sensore, usandone uno di un'altra lampada e tutto funziona a perfezione! Grazie comunque, soprattutto per aver corretto il mio errore sullo schema!
-

heliodromos
45 2 - Messaggi: 31
- Iscritto il: 7 ott 2015, 14:36
5 messaggi
• Pagina 1 di 1
Torna a Costruzione, riparazione, riutilizzo
Chi c’è in linea
Visitano il forum: Nessuno e 10 ospiti

Elettrotecnica e non solo (admin)
Un gatto tra gli elettroni (IsidoroKZ)
Esperienza e simulazioni (g.schgor)
Moleskine di un idraulico (RenzoDF)
Il Blog di ElectroYou (webmaster)
Idee microcontrollate (TardoFreak)
PICcoli grandi PICMicro (Paolino)
Il blog elettrico di carloc (carloc)
DirtEYblooog (dirtydeeds)
Di tutto... un po' (jordan20)
AK47 (lillo)
Esperienze elettroniche (marco438)
Telecomunicazioni musicali (clavicordo)
Automazione ed Elettronica (gustavo)
Direttive per la sicurezza (ErnestoCappelletti)
EYnfo dall'Alaska (mir)
Apriamo il quadro! (attilio)
H7-25 (asdf)
Passione Elettrica (massimob)
Elettroni a spasso (guidob)
Bloguerra (guerra)

