Salve a tutti
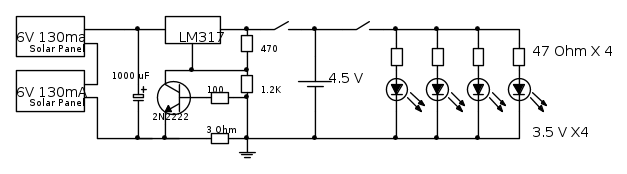
vorrei realizzare lo schema in allegato, prelevato dal forum, in un modello di casa in miniatura....potreste dirmi come collegare una fotoresistenza per far sì che quando arrivi il buio si accendano i led ?
Grazie
led con mini pannelli solari
Moderatori:
carloc,
g.schgor,
BrunoValente,
IsidoroKZ
0
voti
0
voti
Alcuni dubbi:
- perché usare due pannelli da 6V per caricare un (penso) accumulatore da 4.5? Se è per compensare la cdt sul regolatore, basta usarne uno LDO, come LP2951. Comunque, ci può stare.
- Non penso che LM317 combinato così sia la cosa più indicata per caricare l'accumulatore (che sarà un Litio, suppongo). Magari aggiungendo un diodo in serie può andare lo stesso, data la bassa corrente.
- Così come sta la cosa i LED sono sempre accesi (fino a che l'accumulatore si scarica...). Bisognerà aggiungere un qualcosa intermedio tra l'accumulatore e i LED e li applicare la fotoresistenza.
- perché usare due pannelli da 6V per caricare un (penso) accumulatore da 4.5? Se è per compensare la cdt sul regolatore, basta usarne uno LDO, come LP2951. Comunque, ci può stare.
- Non penso che LM317 combinato così sia la cosa più indicata per caricare l'accumulatore (che sarà un Litio, suppongo). Magari aggiungendo un diodo in serie può andare lo stesso, data la bassa corrente.
- Così come sta la cosa i LED sono sempre accesi (fino a che l'accumulatore si scarica...). Bisognerà aggiungere un qualcosa intermedio tra l'accumulatore e i LED e li applicare la fotoresistenza.
-

Brianz
5.828 5 10 - CRU - Account cancellato su Richiesta utente
- Messaggi: 858
- Iscritto il: 24 mar 2016, 11:27
0
voti
premesso che sono un dilettante
lo schema l'ho prelevato dal presente forum e sembra che funzioni !
ad ogni modo i led sono ad alta luminosità e assorbono 30ma e 3.5 v pertanto credo che i valori ci stiano...
lo schema l'ho prelevato dal presente forum e sembra che funzioni !
ad ogni modo i led sono ad alta luminosità e assorbono 30ma e 3.5 v pertanto credo che i valori ci stiano...
1
voti
A me pare che in quello schema ci sia qualcosa da rivedere e poi dovresti specificare che tipo di batterie vuoi adoperare.
Adoperando resitori di quel valore sul regolatore, la tensione si riduce a 4.4V (salvo tolleranze) insufficienti alla ricarica della batteria.
Per finire, mettere resistenze sui led di basso valore non assicura un buon pilotaggio in corrente.
Poi, per far si che le luci si accendano quando tramonta il sole, non basta una semplice fotoresistenza ma qualcosa di piu' complesso.

Adoperando resitori di quel valore sul regolatore, la tensione si riduce a 4.4V (salvo tolleranze) insufficienti alla ricarica della batteria.
Per finire, mettere resistenze sui led di basso valore non assicura un buon pilotaggio in corrente.
Poi, per far si che le luci si accendano quando tramonta il sole, non basta una semplice fotoresistenza ma qualcosa di piu' complesso.

marco
0
voti
Brianz ha scritto:...Bisognerà aggiungere un qualcosa intermedio...
Già, un interruttore crepuscolare possibilmente senza relè.
Il solenoide fare durare meno la carica delle batterie!
Se quello che funziona basta non lo tocca' sennò te lassa!
0
voti
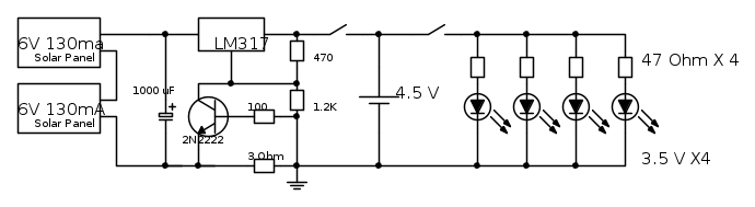
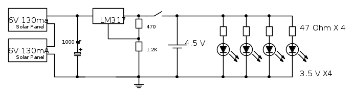
ecco lo schema corretto, spero...
0
voti
Prima lo schema rappresentava un alimentatore a tensione costante, ora un alimentatore a tensione costante e corrente limitata ma, se non cambi i valori delle resistenze sul LM317, la tensione sara' sempre insufficiente per una buona ricarica.
Poi ancora non hai detto che tipo di batterie impiegherai e questo e' abbastanza importante per stabilire quale metodo di ricarica e quindi quale schema adottare.

Poi ancora non hai detto che tipo di batterie impiegherai e questo e' abbastanza importante per stabilire quale metodo di ricarica e quindi quale schema adottare.

marco
0
voti
Ma certamente sembra che funzioni (se poi è preso da questo sito, dubbi non ce ne sono...).
Ma come "funziona" (il primo schema)?
Quello che hai disegnato funziona così:
Se i pannelli sono soleggiati e l'interruttore è chiuso, è possibile che la batteria venga caricata e i LED sono accesi.
Se l'interruttore è aperto o i pannelli non sono al sole, i LED sono comunque accesi fino a scarica della batteria....
E' questo che devi ottenere?
E se l'interruttore è chiuso, i pannelli in ombra e la batteria carica ci sono anche possibilità, magari basse, ma ci sono, che LM317 passi al paradiso del silicio fuso (perché avrebbe tensione sul pin di out > di quello di in).
Nel secondo schema ci sono due interruttori, ma ancora tutti i problemi del primo.
Sostituisci il secondo interruttore con uno controllato dalla luce e hai la funzione di accensione dei led quando è buio. In rete trovi chili di schemi.
Però, oltre alla tensione dall'LM, come indicato da marco438 (e alla richiesta del tipo di batteria usato...siamo a chiedere non perché si voglia fare i fatti tuoi, ma solo per sapere come orientarsi davanti ad una batteria piuttosto che ad un'altra), c'è anche un altro problema.
LED 30mA e 3.5V, resistenze 47ohm
cdt sulla resistenza = 30mA * 47 = 1.41V
tensione necessaria ai LED = 3.5 + cdt = 3.5+1.41= 4.91V
che con la "batteria" da 4.5V non quadra.
SI accenderanno, certamente, ma non a 30mA. Però questo può essere un problema trascurabile. Però è meglio sapere cosa si fa.
Ovvero: hai presentato uno schema e una richiesta.
Stiamo dicendo che lo schema presenta dei problemi di base. Se non è chiaro di cosa stiamo parlando, chiedi e si cercherà di spiegare.
Ma come "funziona" (il primo schema)?
Quello che hai disegnato funziona così:
Se i pannelli sono soleggiati e l'interruttore è chiuso, è possibile che la batteria venga caricata e i LED sono accesi.
Se l'interruttore è aperto o i pannelli non sono al sole, i LED sono comunque accesi fino a scarica della batteria....
E' questo che devi ottenere?
E se l'interruttore è chiuso, i pannelli in ombra e la batteria carica ci sono anche possibilità, magari basse, ma ci sono, che LM317 passi al paradiso del silicio fuso (perché avrebbe tensione sul pin di out > di quello di in).
Nel secondo schema ci sono due interruttori, ma ancora tutti i problemi del primo.
Sostituisci il secondo interruttore con uno controllato dalla luce e hai la funzione di accensione dei led quando è buio. In rete trovi chili di schemi.
Però, oltre alla tensione dall'LM, come indicato da marco438 (e alla richiesta del tipo di batteria usato...siamo a chiedere non perché si voglia fare i fatti tuoi, ma solo per sapere come orientarsi davanti ad una batteria piuttosto che ad un'altra), c'è anche un altro problema.
LED 30mA e 3.5V, resistenze 47ohm
cdt sulla resistenza = 30mA * 47 = 1.41V
tensione necessaria ai LED = 3.5 + cdt = 3.5+1.41= 4.91V
che con la "batteria" da 4.5V non quadra.
SI accenderanno, certamente, ma non a 30mA. Però questo può essere un problema trascurabile. Però è meglio sapere cosa si fa.
Ovvero: hai presentato uno schema e una richiesta.
Stiamo dicendo che lo schema presenta dei problemi di base. Se non è chiaro di cosa stiamo parlando, chiedi e si cercherà di spiegare.
-

Brianz
5.828 5 10 - CRU - Account cancellato su Richiesta utente
- Messaggi: 858
- Iscritto il: 24 mar 2016, 11:27
0
voti
Ringrazio in primis la vostra disponibilità
non ho ancora comprato i componenti, ma l'effetto che desidererei sarebbe quello di avere una discreta luminosità;
per quanto riguarda la batteria vorrei utilizzare una di quelle a terminale a saldare, mentre l'interruttore crepuscolare non avrei idea.....
non ho ancora comprato i componenti, ma l'effetto che desidererei sarebbe quello di avere una discreta luminosità;
per quanto riguarda la batteria vorrei utilizzare una di quelle a terminale a saldare, mentre l'interruttore crepuscolare non avrei idea.....
0
voti
i led saranno utilizzati come lampioncini in un percorso stradale in miniatura...
Chi c’è in linea
Visitano il forum: Nessuno e 235 ospiti

Elettrotecnica e non solo (admin)
Un gatto tra gli elettroni (IsidoroKZ)
Esperienza e simulazioni (g.schgor)
Moleskine di un idraulico (RenzoDF)
Il Blog di ElectroYou (webmaster)
Idee microcontrollate (TardoFreak)
PICcoli grandi PICMicro (Paolino)
Il blog elettrico di carloc (carloc)
DirtEYblooog (dirtydeeds)
Di tutto... un po' (jordan20)
AK47 (lillo)
Esperienze elettroniche (marco438)
Telecomunicazioni musicali (clavicordo)
Automazione ed Elettronica (gustavo)
Direttive per la sicurezza (ErnestoCappelletti)
EYnfo dall'Alaska (mir)
Apriamo il quadro! (attilio)
H7-25 (asdf)
Passione Elettrica (massimob)
Elettroni a spasso (guidob)
Bloguerra (guerra)






