Cos'è ElectroYou | Login Iscriviti

ElectroYou - la comunità dei professionisti del mondo elettrico

Automazione pollaio a basso costo

Progettazione collaborativa: dall'idea alla formazione del gruppo di lavoro per la realizzazione di un prodotto finito.

Moderatore: Foto Utentebrabus

0
voti

[21] Re: Automazione pollaio a basso costo

Messaggioda Foto UtenteRalph » 26 mag 2016, 12:44

eAlucarD ha scritto:
Il diodo ? no non serve,


Bene, grazie. :ok:
Avatar utente
Foto UtenteRalph
15 3
 
Messaggi: 25
Iscritto il: 23 mag 2016, 23:07

0
voti

[22] Re: Automazione pollaio a basso costo

Messaggioda Foto Utentealev » 26 mag 2016, 13:35

Questo...


oppure questo :?: :mrgreen:
Avatar utente
Foto Utentealev
5.990 2 9 12
free expert
 
Messaggi: 6282
Iscritto il: 19 lug 2010, 14:38
Località: Altrove

0
voti

[23] Re: Automazione pollaio a basso costo

Messaggioda Foto Utenteelektronik » 26 mag 2016, 15:13

Io in alcuni siti tedeschi ho trovato questo materiale che forse potrebbe essere utile http://www.stefan-franke.net/elektronik ... hnerklappe
ma anche questa pagina e interessante, http://www.kp-boettcher.de/cms/Der%20kl ... lappe.html
Avatar utente
Foto Utenteelektronik
7.800 4 6 7
Master
Master
 
Messaggi: 3836
Iscritto il: 12 mag 2015, 22:26

0
voti

[24] Re: Automazione pollaio a basso costo

Messaggioda Foto UtenteRalph » 26 mag 2016, 17:30

Sembrano molto interessanti, grazie, peccato che non capisca il tedesco.
Pero' lo schema del regolatore di carica del pannello solare e' interessante.
Ho visto che il tipo tedesco li' ha piu' o meno lo stesso pollaio, pero' gli ha fatto una porta a ghigliottina apposita, lasciando chiusa la porta scorrevole.

Ma se modifico il pollaio, mia moglie mi uccide :lol:

Una domanda...
Ho due elettrocalamite da 25 newton, 12V, 0,25 A.
Pensavo di usarne una per bloccare la porta scorrevole la sera nella posizione di chiuso, l'altra per bloccare la porta del giardinetto di giorno in posizione aperto, onde evitare che il vento possa richiuderla.
Quanto consuma ognuna stando accesa diciamo una 8 ore, una 16 ore?
Mi esaurirebbero velocemente una batteria da -piu' o meno- 20Ah?

Non ho proprio idea di come calcolare correttamente (che non vuol dire teoricamente) i consumi...
Inoltre queste due elettrocalamite ho notato che hanno una leggera isteresi; quando tolgo il contatto, comunque occorre un po' di forza per staccarle dal ferro.
Potrebbe essere uno sforzo eccessivo per i motori?
Avatar utente
Foto UtenteRalph
15 3
 
Messaggi: 25
Iscritto il: 23 mag 2016, 23:07

1
voti

[25] Re: Automazione pollaio a basso costo

Messaggioda Foto Utenteelektronik » 26 mag 2016, 18:16

per quando riguarda il tedesco metti il componente aggiuntivo nel brouser, io con Mozzilla ho messo google translator e traduco in automatico in tutte le lingue.
Avatar utente
Foto Utenteelektronik
7.800 4 6 7
Master
Master
 
Messaggi: 3836
Iscritto il: 12 mag 2015, 22:26

0
voti

[26] Re: Automazione pollaio a basso costo

Messaggioda Foto UtenteRalph » 27 mag 2016, 20:32

Oggi ho montato la slitta del cassetto sulla porticina scorrevole.
Funziona benissimo, e' molto piu' dolce adesso.
Pero' domani dovro' rifinire il lavoro: quando si apre la porta ne esce un pezzetto (della slitta), e mi blocca la maniglia manuale. Ma poca roba, si tratta di tagliare un pezzetto di acciaio....

Poi sono andato a un fab-lab, con il mio progettino 3d della scatola che deve tenere il motoriduttore che fara' girare la ruota che aprira'/chiudera' la porticina del giardinetto.
Domani mi faranno sapere quanto costa stamparla, se costa piu' di 20 euro credo che mi orientero' sul taglio laser di una qualche plastica da assemblare.

Pero' questa stampa 3d e' troppo forte: sicuramente mi disegnero' e stampero' i supporti degli interruttori di fine corsa...

Ah, piccolo tocco "artistico" :lol: ....
Ho pensato di mettere una ruota (al motoriduttore) un po' ovalizzata, magari me la faccio proprio ovale di legno o di plastica.
Cosi' la ruota girera' un po' "sbomballata", un po' come camminano le galline..... :lol:
Avatar utente
Foto UtenteRalph
15 3
 
Messaggi: 25
Iscritto il: 23 mag 2016, 23:07

0
voti

[27] Re: Automazione pollaio a basso costo

Messaggioda Foto UtenteRalph » 1 giu 2016, 15:23

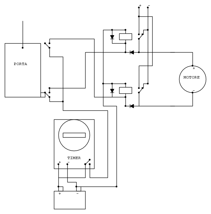
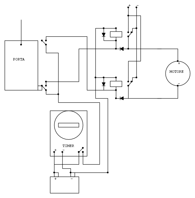
La costruzione sta andando avanti, pero' mi sono reso conto di un problema che sorge, e non so come affrontarlo.
Diciamo che il timer di dx comanda l'apertura, quello di sx comanda la chiusura.
Il timer di dx al momento dell'apertura mandera' al motore corrente, diciamo tensione positiva al polo del motore di dx, tensione negativa al polo del motore di sx.
Il timer di sx a sua volta al momento della chiusura mandera' corrente al motore, solo che mandera' tensione negativa al polo del motore di dx, e tensione positiva al polo del motore di sx.
In teoria tutto bene, pero' in pratica accde che quando il timer di dx manda corrente al motore, la stessa corrente viene inviata al timer di sx, solo che gli viene inviata a polarita' invertite.
Cioe' gli entra tensione psitiva dove normalmente dovrebbe uscire tensione negativa, e viceversa.
Mi domando se questo puo' danneggiare il timer, ma soprattutto come evitare il problema....
Metto dei diodi all'uscita dei timer?
Grazie a chi potra' illuminarmi.... :cry:
Avatar utente
Foto UtenteRalph
15 3
 
Messaggi: 25
Iscritto il: 23 mag 2016, 23:07

0
voti

[28] Re: Automazione pollaio a basso costo

Messaggioda Foto Utenteelektronik » 1 giu 2016, 23:15

Sono in Germania per una ventina di giorni e da mio cognato ho visto questo aggeggio in funzione, non ha relè. mi son messo a cercare nel web e ho trovato questo video. Ha solo due contatti reed come fine corsa che funzionano con due nodi fatti nel filo. https://www.youtube.com/watch?v=B_x9ERX22lk spero tu possa capire qualcosa in più
Avatar utente
Foto Utenteelektronik
7.800 4 6 7
Master
Master
 
Messaggi: 3836
Iscritto il: 12 mag 2015, 22:26

0
voti

[29] Re: Automazione pollaio a basso costo

Messaggioda Foto UtenteRalph » 3 giu 2016, 18:56

Il carrello della stampante funziona egregiamente, ho fatto un piccolo video:
http://sendvid.com/ks7o2a3y

Purtroppo il sito del video e' gratuito ed anonimo, ma rompe le scatole con pubblicita' assurde e truffaldine (tipo guadagna un milione di dollari in un mese).

Comunque, tornando al pollaio, ho collegato i fine corsa (li ho anche ammortizzati con delle molle cannibalizzate dalla stampante) e fanno il loro mestiere.
Io stavo cercando di fare contatto con una pila da nove volt in mano, il cellulare che faceva la ripresa nell'altra, e ci metto qualche secondo a fare contatto.
La staffa che collega il carrello portinchiostro alla porticina non e' fissata.
E' fatta a misura, e solo incastrata, ma va benissimo.
Pero' devo migliorarla....
Sono molto contento per ora.... :D
Avatar utente
Foto UtenteRalph
15 3
 
Messaggi: 25
Iscritto il: 23 mag 2016, 23:07

0
voti

[30] Re: Automazione pollaio a basso costo

Messaggioda Foto Utenteelektronik » 4 giu 2016, 12:33

Se si adopera un timer programmabile che costa pochi eurondo il circuito diventa ancora più facile e sicuro.
Avatar utente
Foto Utenteelektronik
7.800 4 6 7
Master
Master
 
Messaggi: 3836
Iscritto il: 12 mag 2015, 22:26

PrecedenteProssimo

Torna a Crowd Design

Chi c’è in linea

Visitano il forum: Nessuno e 23 ospiti