Ed anche, siamo sicuri che il telecomando trasmittente arriva ad 1 metro e più
Ripetitore Infrarossi
Moderatori:
carloc,
g.schgor,
BrunoValente,
IsidoroKZ
34 messaggi
• Pagina 3 di 4 • 1, 2, 3, 4
0
voti
Non potrebbe essere che il BPW41 non è abbastanza sensibile alla distanza di 1 metro e più
Ed anche, siamo sicuri che il telecomando trasmittente arriva ad 1 metro e più
Ed anche, siamo sicuri che il telecomando trasmittente arriva ad 1 metro e più
0
voti
gradi il led IR riceve0
voti
Il DS l'avevo già letto...quindi penso che l'unico modo per vedere se dipende dal BPW41 sia di costruire un piccolo circuito di test (magari lo stesso che hai già) e misurare i valori di tensione in base/gate di Q1
Come detto prima, bisognerebbe valutare anche la distanza di trasmissione del telecomando, usandolo direttamente (senza "intermediari") e vedendo se/quando smette di "agire" allontanandosi a step progressivi di 10 cm
Come detto prima, bisognerebbe valutare anche la distanza di trasmissione del telecomando, usandolo direttamente (senza "intermediari") e vedendo se/quando smette di "agire" allontanandosi a step progressivi di 10 cm
0
voti
allora, il telecomando puntato verso la centralina che dovrebbe comandare, ha una portata più che sufficiente, in quanto a 2 metri dalla centralina funziona tutto a dovere.
0
voti
Tempo fa mi era venuta l'idea di utilizzare dei led IR emettitori e non avevo mai avuto occasione di provarla, così con questo post, ho avuto lo stimolo e ho fatto questa prova.
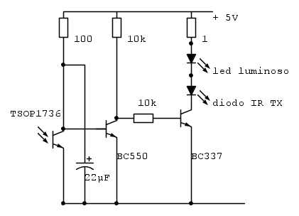
Il circuito è il seguente che però usa un TSOP1736 come ricevitore e poi 2 transistor come amplificatori di segnale, il tutto alimentato a 5 V.
Ora cosa ho riscontrato, che il TSOP riceve regolarmente anche da 5 m ed il segnale viene amplificato dai due transistor, direi molto bene e il led segue gli impulsi del telecomando.
Nel circuito, io ho messo un diodo led in serie al diodo IR, che così mi permetteva di vedere il risultato del telecomando ed in effetti è così, ma ho dovuto mettere 1 ohm di R per alimentare i led altrimenti la corrente non è sufficiente per illuminare il led, che ora si illumina, ma il diodo IR emittente non funziona, nemmeno cortocircuitando il led.
Che il diodo IR non funziona, l'ho controllato con la fotocamera del cellulare e si vede appena appena una luce violetta, cosa che invece se guardo un telecomando la luce è bianchissima.
Ho smesso di fare le prove e sarei arrivato alla conclusione che ci vuole molta più corrente di quella che gli ho dato per avere un'emissione sostanziale di IR, che dite?
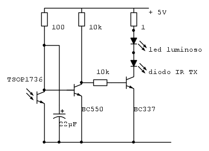
Il circuito è il seguente che però usa un TSOP1736 come ricevitore e poi 2 transistor come amplificatori di segnale, il tutto alimentato a 5 V.
Ora cosa ho riscontrato, che il TSOP riceve regolarmente anche da 5 m ed il segnale viene amplificato dai due transistor, direi molto bene e il led segue gli impulsi del telecomando.
Nel circuito, io ho messo un diodo led in serie al diodo IR, che così mi permetteva di vedere il risultato del telecomando ed in effetti è così, ma ho dovuto mettere 1 ohm di R per alimentare i led altrimenti la corrente non è sufficiente per illuminare il led, che ora si illumina, ma il diodo IR emittente non funziona, nemmeno cortocircuitando il led.
Che il diodo IR non funziona, l'ho controllato con la fotocamera del cellulare e si vede appena appena una luce violetta, cosa che invece se guardo un telecomando la luce è bianchissima.
Ho smesso di fare le prove e sarei arrivato alla conclusione che ci vuole molta più corrente di quella che gli ho dato per avere un'emissione sostanziale di IR, che dite?
Alex
https://www.facebook.com/Elettronicaeelettrotecnica
<< vedi di pigliare arditamente in mano, il dizionario che ti suona in bocca,
se non altro è schietto e paesano.
(Giuseppe Giusti) <<
https://www.facebook.com/Elettronicaeelettrotecnica
<< vedi di pigliare arditamente in mano, il dizionario che ti suona in bocca,
se non altro è schietto e paesano.
(Giuseppe Giusti) <<
0
voti
Se mettiamo un TSOP in entrata, non dovremmo mettere un generatore di portante a 39 kHz in uscita?
(Con 5V di alimentazione 2 led in serie accendono appena comunque dovrebbero accendere.)
(Con 5V di alimentazione 2 led in serie accendono appena comunque dovrebbero accendere.)
0
voti
x
setteali
nello schema il resistore di alimentazione del TSOP è 100 ohm ? intendi 100 kohm ?
Se si, il condensatore da 22 uF forse filtra troppo la variazioni di tensione , ridurlo a 10 nF o toglòierlo?
Lo schema è impreciso il TSOP è a 3 piedini !
Riguardo allo schema del post 1, i miei precedenti suggerimenti sono insufficenti per un corretto funzionamento:
Il il diodo nella giunzione base emettitore di Q1 BC337, raddrizza e carica il condensatore C1 che così impedisce la continuazione della corrente di base nel transistor. Si ovvia al problema forse montando un diodo in parallelo ai reofori della base e dell'emettitore del transistor, con il catodo connesso alla base ( nel simbolo del diodo la direzione della freccia). Il diodo provoca la scarica del condensatore durante la semionda negativa.
Non riesco o non ho la voglia di spiegarmi meglio, dal solo esame di uno schema elettrico non si riesce a ricostruire bene quello che si forrebbe far fare a un circuito, servirebbero i valori di tensione rilevati per le varie condizioni di lavoro e le specifiche di modulazione del telecomando.
Se si, il condensatore da 22 uF forse filtra troppo la variazioni di tensione , ridurlo a 10 nF o toglòierlo?
Lo schema è impreciso il TSOP è a 3 piedini !
Riguardo allo schema del post 1, i miei precedenti suggerimenti sono insufficenti per un corretto funzionamento:
Il il diodo nella giunzione base emettitore di Q1 BC337, raddrizza e carica il condensatore C1 che così impedisce la continuazione della corrente di base nel transistor. Si ovvia al problema forse montando un diodo in parallelo ai reofori della base e dell'emettitore del transistor, con il catodo connesso alla base ( nel simbolo del diodo la direzione della freccia). Il diodo provoca la scarica del condensatore durante la semionda negativa.
Non riesco o non ho la voglia di spiegarmi meglio, dal solo esame di uno schema elettrico non si riesce a ricostruire bene quello che si forrebbe far fare a un circuito, servirebbero i valori di tensione rilevati per le varie condizioni di lavoro e le specifiche di modulazione del telecomando.
0
voti
eritomo ha scritto:il mio problema è che lo schema del post 3, ha una ricezione bassissima, ovvero inferiore o uguale a 15cm.
Per aumentare la sensibilità il sistema si trova, ma aumenterà anche l'incertezza del livello di buio, se poi metti condensatori in serie puoi amplificare linearmente, ma devi fare i conti col duty cycle del segnale che sposta la polarizzazione.. insomma non si fanno miracoli, ed è stato inventato il TSOP.
34 messaggi
• Pagina 3 di 4 • 1, 2, 3, 4
Chi c’è in linea
Visitano il forum: Nessuno e 134 ospiti

Elettrotecnica e non solo (admin)
Un gatto tra gli elettroni (IsidoroKZ)
Esperienza e simulazioni (g.schgor)
Moleskine di un idraulico (RenzoDF)
Il Blog di ElectroYou (webmaster)
Idee microcontrollate (TardoFreak)
PICcoli grandi PICMicro (Paolino)
Il blog elettrico di carloc (carloc)
DirtEYblooog (dirtydeeds)
Di tutto... un po' (jordan20)
AK47 (lillo)
Esperienze elettroniche (marco438)
Telecomunicazioni musicali (clavicordo)
Automazione ed Elettronica (gustavo)
Direttive per la sicurezza (ErnestoCappelletti)
EYnfo dall'Alaska (mir)
Apriamo il quadro! (attilio)
H7-25 (asdf)
Passione Elettrica (massimob)
Elettroni a spasso (guidob)
Bloguerra (guerra)









