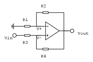
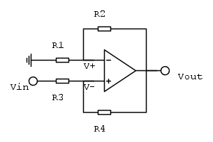
Ho provato a ragionare su questo circuito:
Ho supposto che la retroazione complessiva sia negativa e che quindi la V+ è uguale alla V-; facendo qualche conto ho trovato che:

Provando a fare una simulazione su SPICE ho verificato che la formula è corretta e che se

L'op-amp va in saturazione.
Però non saprei ancora dire in base a cosa posso dire se la retroazione è positiva o negativa. Come faccio a calcolare il
?
Elettrotecnica e non solo (admin)
Un gatto tra gli elettroni (IsidoroKZ)
Esperienza e simulazioni (g.schgor)
Moleskine di un idraulico (RenzoDF)
Il Blog di ElectroYou (webmaster)
Idee microcontrollate (TardoFreak)
PICcoli grandi PICMicro (Paolino)
Il blog elettrico di carloc (carloc)
DirtEYblooog (dirtydeeds)
Di tutto... un po' (jordan20)
AK47 (lillo)
Esperienze elettroniche (marco438)
Telecomunicazioni musicali (clavicordo)
Automazione ed Elettronica (gustavo)
Direttive per la sicurezza (ErnestoCappelletti)
EYnfo dall'Alaska (mir)
Apriamo il quadro! (attilio)
H7-25 (asdf)
Passione Elettrica (massimob)
Elettroni a spasso (guidob)
Bloguerra (guerra)




