no
ho solo provato il relè con usita max da 10A in alternata, con una pila da 9v
è difficile trovare il difetto perché non è sistematico
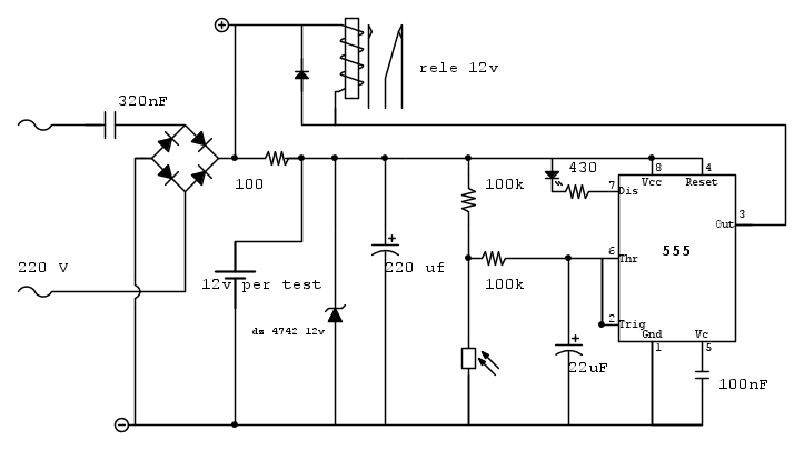
insolito uso del 555
Moderatori:
carloc,
g.schgor,
BrunoValente,
IsidoroKZ
1
voti
è un crepuscolare instabile; si può modificare?
Intanto metterei un C da 100nF tra il piedino 5 e 1, che male non fa anzi...
Poi metterei un LED+R tra il piedino 7 e 8, giusto per capire come si sta comportando.
E poi, proverei ad alimentare quel "coso" con un trasformatore 230/12V, collegandolo dopo il C da 320(?)nF e col dito oscuro la fotocellula e vedo cosa fanno il relè e il led
-

ibra
1.282 3 4 6 - CRU - Account cancellato su Richiesta utente
- Messaggi: 2100
- Iscritto il: 15 lug 2015, 0:45
0
voti
potrebbe essere sufficiente una batteria tampone da 12v 7A?
queste due modifiche le posso saldare
i cavi non sono rosicchiati perché li ho sostituiti
cambiamenti richiesti
fausto61 ha scritto:Intanto metterei un C da 100nF tra il piedino 5 e 1, che male non fa anzi...Poi metterei un LED+R tra il piedino 7 e 8, giusto per capire come si sta comportando.
queste due modifiche le posso saldare
i cavi non sono rosicchiati perché li ho sostituiti
cambiamenti richiesti
0
voti
test effettuati
ho dissaldato la fotoresistenza, e l'ho misurata con il tester
in ambiente scuro supera i 2 MΩ
con il semplice dito è impossibile arrivare a tali risultati
bisogna oscurare tutta la fotoresistenza
ho misurato le resistenze con valori identici allo schema postato
ho fatto delle misure in v con batteria 12v come da schema
ai capi dello zener misuro 11,24 V
tra il piedino 2 e il negativo misuro 3,8v con ambiente luminoso
ai capi del condensatore aggiunto da 100nF tra il 5 e il negativo 7,5v
tra il 3 e il negativo 11,3v sempre in condizioni di luminosità
ai capi della resistenza tra il positivo e la fotoresistenza 4,3v
con la batteria ho testato il relè che si eccita bene e il contatto si chiude bene
unica cosa non ancora testata è il 555
ho dissaldato la fotoresistenza, e l'ho misurata con il tester
in ambiente scuro supera i 2 MΩ
con il semplice dito è impossibile arrivare a tali risultati
bisogna oscurare tutta la fotoresistenza
ho misurato le resistenze con valori identici allo schema postato
ho fatto delle misure in v con batteria 12v come da schema
ai capi dello zener misuro 11,24 V
tra il piedino 2 e il negativo misuro 3,8v con ambiente luminoso
ai capi del condensatore aggiunto da 100nF tra il 5 e il negativo 7,5v
tra il 3 e il negativo 11,3v sempre in condizioni di luminosità
ai capi della resistenza tra il positivo e la fotoresistenza 4,3v
con la batteria ho testato il relè che si eccita bene e il contatto si chiude bene
unica cosa non ancora testata è il 555
0
voti
non lo sapevo che uno zener non sopporta la sua tensione in entrata
si possono fare alcune modifiche allo schema, per migliorarlo?
questo schema è stato progettato in cina
mi piace perché non ha il trasformatore
si possono fare alcune modifiche allo schema, per migliorarlo?
questo schema è stato progettato in cina
mi piace perché non ha il trasformatore
Chi c’è in linea
Visitano il forum: Nessuno e 223 ospiti

Elettrotecnica e non solo (admin)
Un gatto tra gli elettroni (IsidoroKZ)
Esperienza e simulazioni (g.schgor)
Moleskine di un idraulico (RenzoDF)
Il Blog di ElectroYou (webmaster)
Idee microcontrollate (TardoFreak)
PICcoli grandi PICMicro (Paolino)
Il blog elettrico di carloc (carloc)
DirtEYblooog (dirtydeeds)
Di tutto... un po' (jordan20)
AK47 (lillo)
Esperienze elettroniche (marco438)
Telecomunicazioni musicali (clavicordo)
Automazione ed Elettronica (gustavo)
Direttive per la sicurezza (ErnestoCappelletti)
EYnfo dall'Alaska (mir)
Apriamo il quadro! (attilio)
H7-25 (asdf)
Passione Elettrica (massimob)
Elettroni a spasso (guidob)
Bloguerra (guerra)

