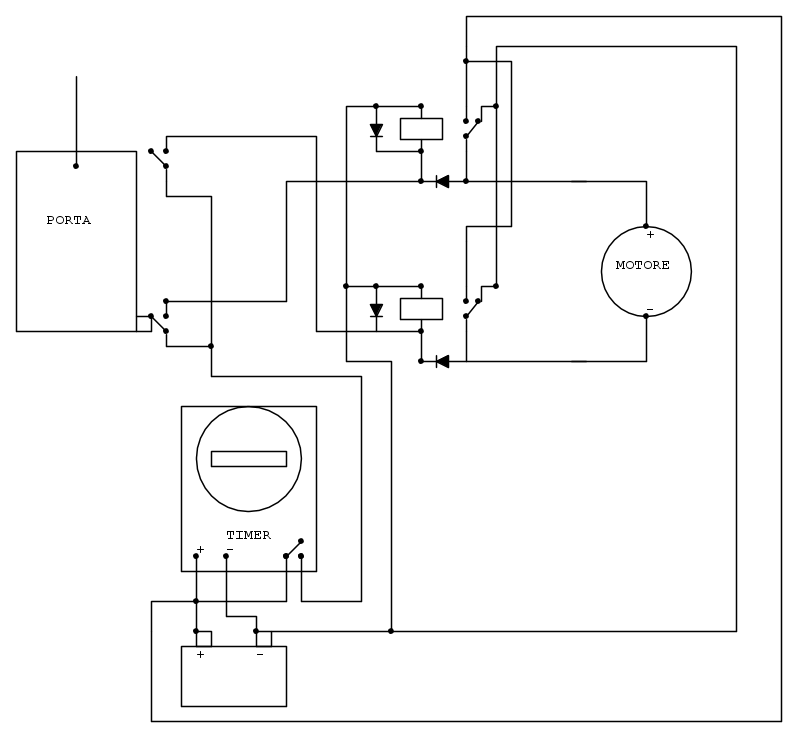
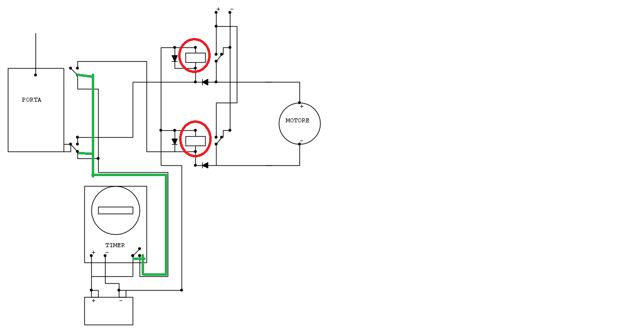
Il circuito non lo capisco
Il positivo in uscita dal timer va al finecorsa che sembra NO dal circuito, poi va dove?
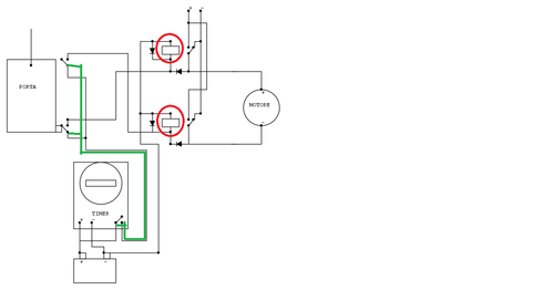
A un rele' (il quadratino), con dei diodi?
Poi ci sono altri finecorsa....
Quando hai tempo, hai voglia di spiegarmelo meglio?
Mi sembra interessante....
Da quello che capisco, si comanderebbe il tutto con un solo timer, che si attiva due volte al giorno giusto?


Elettrotecnica e non solo (admin)
Un gatto tra gli elettroni (IsidoroKZ)
Esperienza e simulazioni (g.schgor)
Moleskine di un idraulico (RenzoDF)
Il Blog di ElectroYou (webmaster)
Idee microcontrollate (TardoFreak)
PICcoli grandi PICMicro (Paolino)
Il blog elettrico di carloc (carloc)
DirtEYblooog (dirtydeeds)
Di tutto... un po' (jordan20)
AK47 (lillo)
Esperienze elettroniche (marco438)
Telecomunicazioni musicali (clavicordo)
Automazione ed Elettronica (gustavo)
Direttive per la sicurezza (ErnestoCappelletti)
EYnfo dall'Alaska (mir)
Apriamo il quadro! (attilio)
H7-25 (asdf)
Passione Elettrica (massimob)
Elettroni a spasso (guidob)
Bloguerra (guerra)






