Come da titolo ho alcuni dubbi sulla teoria: sto studiando i circuiti con elementi dinamici in evoluzione forzata, nello specifico, sto analizzando il regime stazionario. Nel mio libro è scritto che in un regime forzato, all'istante iniziale t=0 le grandezze caratteristiche degli elementi dinamici (intensità di corrente per l'induttore e tensione per il condensatore) sono nulle.
Ma allora nei problemi di Cauchy che risolvo per descrivere come varia l'intensità di corrente o la tensione nel tempo, che condizione iniziale devo imporre? In teoria andrebbe la condizione all'istante t=0 ,cioè imporre il valore che la corrente o la tensione hanno all'istante t=0, ma se sono nulle, che scrivo?
Cercando ho trovato (non è scritto sul mio libro) che in realtà le condizioni iniziali vanno scritte per un intorno dell'istante t=0, nello specifico poco prima di t=0 (ho trovato la dicitura t<0 oppure
).In questo modo posso trovare il termine transitorio. è giusto?
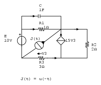
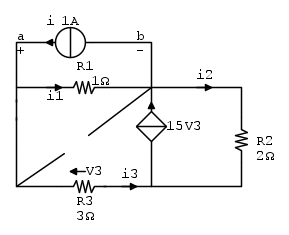
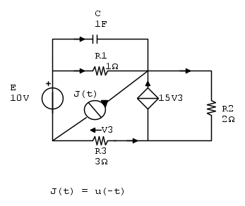
Consideriamo questo circuito:
Il testo dice che per
il circuito tende ad un regime stazionario. Questo significa che per t<0 non ho un regime stazionario giusto? E quindi dovrò calcolarmi un transitorio. L'esercizio vuole l'andamento della tensione del condensatore nel tempo.Io ho risolto il circuito sostituendo l'equivalente di Thévenin e arrivando ad avere un solo generatore, una sola resistenza (Rth) ed il condensatore, ma non sono sicuro che sia giusto, anche perché la tensione del generatore mi resta in funzione di J(t).
Mi potreste aiutare?
Grazie.

Elettrotecnica e non solo (admin)
Un gatto tra gli elettroni (IsidoroKZ)
Esperienza e simulazioni (g.schgor)
Moleskine di un idraulico (RenzoDF)
Il Blog di ElectroYou (webmaster)
Idee microcontrollate (TardoFreak)
PICcoli grandi PICMicro (Paolino)
Il blog elettrico di carloc (carloc)
DirtEYblooog (dirtydeeds)
Di tutto... un po' (jordan20)
AK47 (lillo)
Esperienze elettroniche (marco438)
Telecomunicazioni musicali (clavicordo)
Automazione ed Elettronica (gustavo)
Direttive per la sicurezza (ErnestoCappelletti)
EYnfo dall'Alaska (mir)
Apriamo il quadro! (attilio)
H7-25 (asdf)
Passione Elettrica (massimob)
Elettroni a spasso (guidob)
Bloguerra (guerra)


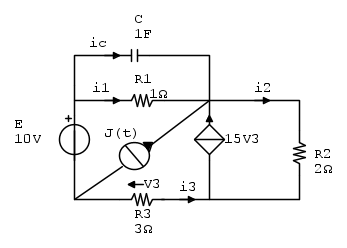
Sono quelle frecce presenti in ogni ramo, per maggiore chiarezza riposto il circuito: 
, perché il transitorio si è esaurito. Il caso in esame è abbastanza facile perché hai solo un condensatore e quindi solo una costante di tempo (e la calcoli nel modo solito); la soluzione la trovi come
. Prova a postare i tuoi calcoli








Ω
e calcolo poi la grandezza pilota V3.









































è una funzione gradino di Heaviside, specchiata rispetto all'origine: la corrente è costante per
diventa nulla: è questo che causa il transitorio (puoi immaginare che in parallelo al generatore di corrente ci sia un interruttore che si chiude a t=0)
per
con
istante iniziale
che dipende dalla condizione iniziale
è il transitorio, giusto? Allora, non è lui ad essere nullo se il regime è sempre stazionario?
è pari ad
fino all'istante
che si trova risolvendo la rete con
.
.
vista dai suoi terminali e che è un esponenziale del tipo:
con
e
costante da determinare in base alla condizione iniziale.
. Ad essa si impone che, all'istante zero, la tensione sia quella che il condensatore ha in quell'istante, che è quella calcolata inizialmente; il che permette di ricavare 