Ciao, sto studiando per l'esame di elettronica e facendo gli esercizi mi sono imbattuto in un esercizio:
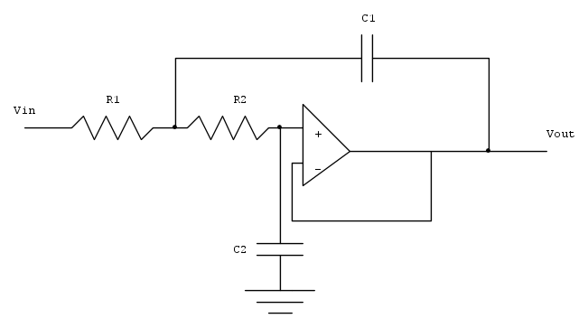
1) Dire di che circuito si tratta
2) Determinare la funzione di trasferimento,calcolando i valori significativi in f
3) Disegnare la funzione di trasferimento asintotica
So come funziona l'amplificatore operazionale e che formula devo utilizzare ma mi trovo in difficoltà su come sono messe le resistenze e condensatori.
Qualcuno sa darmi una dritta?
Domanda su amplificatore operazionale
Moderatori:
carloc,
g.schgor,
BrunoValente,
IsidoroKZ
22 messaggi
• Pagina 1 di 3 • 1, 2, 3
0
voti
-

dadothebest
24 2 7 - Frequentatore

- Messaggi: 229
- Iscritto il: 25 nov 2013, 17:13
- Località: Ascoli Piceno
4
voti
Quella è la configurazione (molto famosa) di un filtro attivo che prende il nome di Sallen & Key..
Per trovare la risposta in frequenza ti consiglio di usare la KCL
dove ovviamente dovrai risolvere per
.
Per trovare la risposta in frequenza ti consiglio di usare la KCL
dove ovviamente dovrai risolvere per
.0
voti
Grazie del'aiuto che mi stai dando. Ho un altro esercizio che mi crea qualche dubbio:
Come trovo la funzione di trasferimento? Basta applicare la formula degli operazionali oppure devo applicare kirchhoff alle correnti? Inoltre come faccio a riconoscere i circuiti in generale?
Come trovo la funzione di trasferimento? Basta applicare la formula degli operazionali oppure devo applicare kirchhoff alle correnti? Inoltre come faccio a riconoscere i circuiti in generale?
-

dadothebest
24 2 7 - Frequentatore

- Messaggi: 229
- Iscritto il: 25 nov 2013, 17:13
- Località: Ascoli Piceno
2
voti
Usa Kirchhoff. Poi sai che l'equazione del sistema (o funzione di trasferimento) è sempre
. Come prima.
Credo con una marea di esercizi !
. Come prima.dadothebest ha scritto:Inoltre come faccio a riconoscere i circuiti in generale?
Credo con una marea di esercizi !
0
voti
Ho un altro esercizio. Questa volta mi da la funzione di trasferimento e io devo disegnare il circuito:

Ho provato a disegnare questo:
Ma non sono sicuro sia giusto...

Ho provato a disegnare questo:
Ma non sono sicuro sia giusto...
-

dadothebest
24 2 7 - Frequentatore

- Messaggi: 229
- Iscritto il: 25 nov 2013, 17:13
- Località: Ascoli Piceno
-

dadothebest
24 2 7 - Frequentatore

- Messaggi: 229
- Iscritto il: 25 nov 2013, 17:13
- Località: Ascoli Piceno
2
voti
E' sbagliato.
Poiché l' operazionale inverte la tensione applicata
all'ingresso - (col + a massa). devi iniziare col V1
(moltiplicandolo per 5) e sommare poi V2 (moltiplicato per 3).
Poiché l' operazionale inverte la tensione applicata
all'ingresso - (col + a massa). devi iniziare col V1
(moltiplicandolo per 5) e sommare poi V2 (moltiplicato per 3).
0
voti
Ho provato come dici tu ma una volta trovata V1 quando provo a trovare V2 non riesco a trovarla perché anche mettendo un partitore non risolvo nulla. L'unico modo penso sia mettere due o più operazionali in cascata ma non ho idea di come si faccia.
-

dadothebest
24 2 7 - Frequentatore

- Messaggi: 229
- Iscritto il: 25 nov 2013, 17:13
- Località: Ascoli Piceno
2
voti
Credevo che l'indicazione fosse chiara.
Comunque ecco lo schema:
(Opamp alimentati a tensione duale)
Domande?
Comunque ecco lo schema:
(Opamp alimentati a tensione duale)
Domande?
-

dadothebest
24 2 7 - Frequentatore

- Messaggi: 229
- Iscritto il: 25 nov 2013, 17:13
- Località: Ascoli Piceno
22 messaggi
• Pagina 1 di 3 • 1, 2, 3
Chi c’è in linea
Visitano il forum: Nessuno e 48 ospiti

Elettrotecnica e non solo (admin)
Un gatto tra gli elettroni (IsidoroKZ)
Esperienza e simulazioni (g.schgor)
Moleskine di un idraulico (RenzoDF)
Il Blog di ElectroYou (webmaster)
Idee microcontrollate (TardoFreak)
PICcoli grandi PICMicro (Paolino)
Il blog elettrico di carloc (carloc)
DirtEYblooog (dirtydeeds)
Di tutto... un po' (jordan20)
AK47 (lillo)
Esperienze elettroniche (marco438)
Telecomunicazioni musicali (clavicordo)
Automazione ed Elettronica (gustavo)
Direttive per la sicurezza (ErnestoCappelletti)
EYnfo dall'Alaska (mir)
Apriamo il quadro! (attilio)
H7-25 (asdf)
Passione Elettrica (massimob)
Elettroni a spasso (guidob)
Bloguerra (guerra)






