Salve,
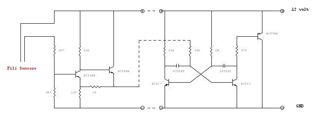
vorrei mettere in piedi un piccolo circuito posto limmagine;
Pero lo vorrei con un doppio sensore del tipo una coppia di fili mi segnala Es. livello Alto ed una coppiadi fili mi segna livello Basso si riuscirebbe a modificare lo schema?
Circuito per sensore di livello
Moderatori:
carloc,
g.schgor,
BrunoValente,
IsidoroKZ
9 messaggi
• Pagina 1 di 1
0
voti
Questo circuito l'ho costruito e funziona alla perfezione, la resistenza da 100 ohm deve essere perlomeno due watt
http://circuitsgallery.blogspot.de/2012 ... oller.html
http://circuitsgallery.blogspot.de/2012 ... oller.html
-

elektronik
7.800 4 6 7 - Master

- Messaggi: 3836
- Iscritto il: 12 mag 2015, 22:26
1
voti
I comparatori non vanno inseriti nel circuito esistente,
ma lo sostituiscono.
Nel caso specifico di doppia soglia vedi il paragrafo
relativo nel link precedente.
ma lo sostituiscono.
Nel caso specifico di doppia soglia vedi il paragrafo
relativo nel link precedente.
1
voti
A quanto già detto da g.schgor io aggiungerei questo:
- lo schema iniziale è un esempio di sistema kamikaze o circuito auto-distruggente : il BC finale una volta in conduzione cortocircuita direttamente l'alimentazione....
- non ho chiaro lo scopo del flip-flop. Forse è quello di generare un cto cto a impulsi?
- anche se si usa solo per acqua, il segnale sulle sonde è meglio che sia in ca e non in cc. Anche se le correnti sono minime, a lungo termine si creano gli immancabili fenomeni elettrochimici che distruggerebbero le sonde in poco tempo.
- quanto allo schema con il 555, sicuramente funziona sul banco, ma nella pratica, dove tra circuito e sonde c'è in mezzo un buon tratto di cavo, trovarsi con la base del transistor o il pin 2 floating non è il massimo, data la certezza di raccogliere ogni genere di disturbi con un funzionamento casuale.
Comunque il web è pieno di circuiti di livello per serbatoi: --- basta cercare con il solito google---.
A parte i vari progetti pubblicati su NE e altre riviste, trovo :
http://it.emcelettronica.com/sensore-livello-liquidi-1
e c'è perfino un kit della Welleman
http://www.velleman.eu/downloads/0/tran ... 639_it.pdf
- lo schema iniziale è un esempio di sistema kamikaze o circuito auto-distruggente : il BC finale una volta in conduzione cortocircuita direttamente l'alimentazione....
- non ho chiaro lo scopo del flip-flop. Forse è quello di generare un cto cto a impulsi?
- anche se si usa solo per acqua, il segnale sulle sonde è meglio che sia in ca e non in cc. Anche se le correnti sono minime, a lungo termine si creano gli immancabili fenomeni elettrochimici che distruggerebbero le sonde in poco tempo.
- quanto allo schema con il 555, sicuramente funziona sul banco, ma nella pratica, dove tra circuito e sonde c'è in mezzo un buon tratto di cavo, trovarsi con la base del transistor o il pin 2 floating non è il massimo, data la certezza di raccogliere ogni genere di disturbi con un funzionamento casuale.
Comunque il web è pieno di circuiti di livello per serbatoi: --- basta cercare con il solito google---.
A parte i vari progetti pubblicati su NE e altre riviste, trovo :
http://it.emcelettronica.com/sensore-livello-liquidi-1
e c'è perfino un kit della Welleman
http://www.velleman.eu/downloads/0/tran ... 639_it.pdf
-

Brianz
5.828 5 10 - CRU - Account cancellato su Richiesta utente
- Messaggi: 858
- Iscritto il: 24 mar 2016, 11:27
0
voti
Brianz ha scritto:- quanto allo schema con il 555, sicuramente funziona sul banco, ma nella pratica, dove tra circuito e sonde c'è in mezzo un buon tratto di cavo, trovarsi con la base del transistor o il pin 2 floating non è il massimo, data la certezza di raccogliere ogni genere di disturbi con un funzionamento casuale.
Il circuito con il 555 funziona alla perfezione gia da due anni e a una distanza dalla cisterna di almeno 10 metri e non ha mai pompato acqua a casaccio. Non so da cosa lo hai dedotto, a livello teorico sono una schiappa quindi non me la sento di contrariarti, io so solo che a me funziona.
-

elektronik
7.800 4 6 7 - Master

- Messaggi: 3836
- Iscritto il: 12 mag 2015, 22:26
1
voti
Penso che dipenda anche dall'ambiente in cui viene utilizzato.
Ad esempio in un acquario con illuminazione a fluorescenti, pompe, aeratori potrebbero esserci disturbi nocivi, in una cisterna in aperta campagna forse i disturbi sono più limitati
Ad esempio in un acquario con illuminazione a fluorescenti, pompe, aeratori potrebbero esserci disturbi nocivi, in una cisterna in aperta campagna forse i disturbi sono più limitati
-

FedericoSibona
5.022 3 5 8 - Master

- Messaggi: 3951
- Iscritto il: 19 mar 2013, 11:43
9 messaggi
• Pagina 1 di 1
Chi c’è in linea
Visitano il forum: Nessuno e 452 ospiti

Elettrotecnica e non solo (admin)
Un gatto tra gli elettroni (IsidoroKZ)
Esperienza e simulazioni (g.schgor)
Moleskine di un idraulico (RenzoDF)
Il Blog di ElectroYou (webmaster)
Idee microcontrollate (TardoFreak)
PICcoli grandi PICMicro (Paolino)
Il blog elettrico di carloc (carloc)
DirtEYblooog (dirtydeeds)
Di tutto... un po' (jordan20)
AK47 (lillo)
Esperienze elettroniche (marco438)
Telecomunicazioni musicali (clavicordo)
Automazione ed Elettronica (gustavo)
Direttive per la sicurezza (ErnestoCappelletti)
EYnfo dall'Alaska (mir)
Apriamo il quadro! (attilio)
H7-25 (asdf)
Passione Elettrica (massimob)
Elettroni a spasso (guidob)
Bloguerra (guerra)




