Dati:

Chiede di ricavare la funzione di trasferimento e di tracciare i diagrammi di Bode.
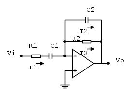
Al nodo invertente dovrebbe valere

Ma quando una resistenza ed un condensatore sono posti in serie, come si determina la corrente che li percorre?
Moderatori:
carloc,
g.schgor,
BrunoValente,
IsidoroKZ



.
con 
Flamber ha scritto:Stai lavorando nel dominio della frequenza
Flamber ha scritto:che significato ha quella derivata? Come si scrive la relazione che lega l'impedenza di un condensatore alla pulsazione?
Flamber ha scritto:Inizia ad analizzare il problema andando a vedere cosa accade in continua e per f che tende ad infinito, giusto per verificare che il risultato analitico che ottieni è corretto. Cosa succede se il condensatore di reazione si chiude?
EXTRA
Che problemi di stabilità può avere questo circuito?
DanteCpp ha scritto:Anche se l'esercizio ti chiede di trovare la funzione di trasferimento e tracciare il diagramma di bode, quindi io trasformare il circuito nel regime di.
MarcoD ha scritto:Se hai capito il suggerimento sei in grado di risolvere il problemino.
Posta formule usate e risultato, poi vedremo..
simo85 ha scritto:Se è arabo mi dispiace.![]()
simo85 ha scritto:PS: in quale uni studi ?
Visitano il forum: Nessuno e 54 ospiti