Apro questo thread per la progettazione di un alimentatore stabilizzato che possa fornire in uscita una tensione di circa 45V,partendo da un trasformatore ( di potenza ignota e ho calcolato la potenza stimata,attraverso il peso di 2.5 kg) che fornisce in uscita una tensione efficace di 35Vrms .
45V non sono un imperativo,vorrei poter ottenere in uscita la massima tensione possibile compatibilmente con la corrente erogata..
L'alimentatore andrà ad alimentare il Plasma Tweeter,il cui assorbimento è variabile( e che posso gestire) ,va da un minimo di 1A fino a valori elevati...
Prevedo un assorbimento medio impulsivo di 1.5A/2A e di limitare il picco a 3A,quindi in uscita dovrei avere una tensione di circa 45V con una corrente di 3A( che non sfrutterò mai per tanto tempo)...
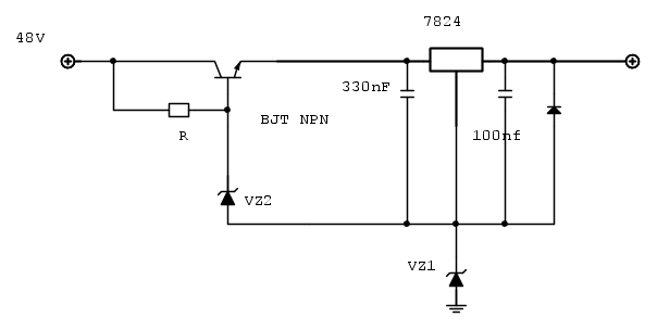
Io direi di partire da questo schema,proposto dal DS della ST dei regolatori di tensione 78XX..
immagino occorra inserire una coppia di transistor di bypass di corrente,vero?
p.s il trasformatore riesce ad erogare la corrente richiesta dal carico,quindi nel caso di esito positivo dovrò certamente comprare un altro trasformatore,vorrei provare questo circuito stabilizzatore,al di là della criticabilità del progetto, per notare eventuali differenze con alimentazione non stabilizzata..e anche per imparare qualcosa di nuovo!
Alimentatore stabilizzato 45V
24 messaggi
• Pagina 1 di 3 • 1, 2, 3
1
voti
Fossi in te, cercherei un regolatore che possa supportare oltre che una corrente superiore anche una tensione d'ingresso elevata; eviteresti transistor a supporto e il riduttore di tensione in ingresso.
Come ha gia' detto qualcun altro, l'alimentatore caricato con il plasma potrebbe vedere un corto in uscita e quindi, anche se il 7824 e' protetto, il transistor di potenza potrebbe defungere.
Come ha gia' detto qualcun altro, l'alimentatore caricato con il plasma potrebbe vedere un corto in uscita e quindi, anche se il 7824 e' protetto, il transistor di potenza potrebbe defungere.
marco
0
voti
Chiederei troppo secondo me,trovare un regolatore che possa fare il tutto..
ora mi sta venendo in mente la versione HV del famosissimo LM317,ma avrei sempre il problema della corrente disponibile..altrimenti,l'altra via è comprare quegli alimentatori switching per led che forniscono 48V in uscita,ma non penso che vadano bene in quanto sono pensati per alimentare carichi resistivi e soprattutto constanti..
EDIT
alev: evita di citare tutto il messaggio precedente, usa il tasto RISPONDI
ora mi sta venendo in mente la versione HV del famosissimo LM317,ma avrei sempre il problema della corrente disponibile..altrimenti,l'altra via è comprare quegli alimentatori switching per led che forniscono 48V in uscita,ma non penso che vadano bene in quanto sono pensati per alimentare carichi resistivi e soprattutto constanti..
EDIT
0
voti
Se ben ricordo dovrebbe anche esserci una versione del LM338 che supporta tensioni in ingresso di 60V; in alternativa e se la tensione non e' superiore a 48V, ci sarebbe qualcosa del genere.
marco
1
voti
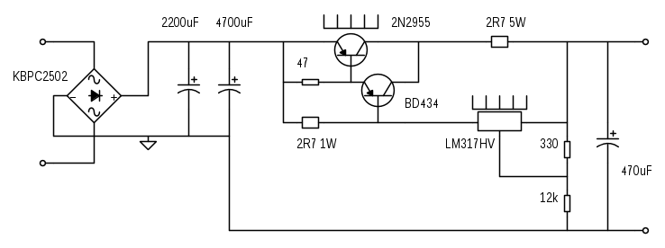
dean95 ha scritto:[userCandy[/user] l hai progettato tu? Volevo giusto fare un'analisi di tensioni e correnti prima della realizzazione...
Si, l'ho partorito sul momento, difatti manca il calcolo di dissipazione. Magari quando sarà nota la tensione di alimentazione in c.a., che potrebbe essere dalla parti di 35 V / 40 V
-

Candy
32,5k 7 10 13 - CRU - Account cancellato su Richiesta utente
- Messaggi: 10123
- Iscritto il: 14 giu 2010, 22:54
24 messaggi
• Pagina 1 di 3 • 1, 2, 3
Torna a Costruzione, riparazione, riutilizzo
Chi c’è in linea
Visitano il forum: Nessuno e 6 ospiti

Elettrotecnica e non solo (admin)
Un gatto tra gli elettroni (IsidoroKZ)
Esperienza e simulazioni (g.schgor)
Moleskine di un idraulico (RenzoDF)
Il Blog di ElectroYou (webmaster)
Idee microcontrollate (TardoFreak)
PICcoli grandi PICMicro (Paolino)
Il blog elettrico di carloc (carloc)
DirtEYblooog (dirtydeeds)
Di tutto... un po' (jordan20)
AK47 (lillo)
Esperienze elettroniche (marco438)
Telecomunicazioni musicali (clavicordo)
Automazione ed Elettronica (gustavo)
Direttive per la sicurezza (ErnestoCappelletti)
EYnfo dall'Alaska (mir)
Apriamo il quadro! (attilio)
H7-25 (asdf)
Passione Elettrica (massimob)
Elettroni a spasso (guidob)
Bloguerra (guerra)




