[Progetto] Alimentatore da banco
Moderatore:
brabus
0
voti
La corrente richiesta sul ramo negativo e' irrisoria; quindi nessun problema di dissipazione sia per il regolatore negativo che per il trasformatore.
marco
0
voti
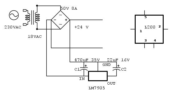
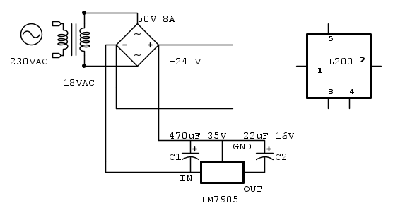
Perfetto allora! Ho buttato giù questo schemino intanto con Fidocad. Il dimensionamento dei componenti è corretto?
P.S: perdonate eventuali erroracci nel collegamento del 7905 ma con le tensioni negative ci litigo
P.S: perdonate eventuali erroracci nel collegamento del 7905 ma con le tensioni negative ci litigo
0
voti
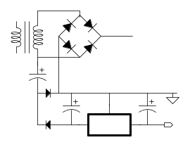
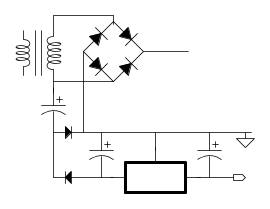
Forse cosi' e meglio:
Schema rivisto e completato 28/6.
P.S. Che versione di FidocadJ stai adoperando? Non riesco a copiare/incollare il sorgente.
Schema rivisto e completato 28/6.
P.S. Che versione di FidocadJ stai adoperando? Non riesco a copiare/incollare il sorgente.
marco
0
voti
Grazie per la correzione! Potresti spiegarmi per quale motivo si fa cosi e non come ho fatto io?
Comunque uso la ver. 0.24.6, ma non sarà per caso perché ho "scomposto" un NE555 e gli ho cambiato i pin per farlo sembrare un L200?
Comunque uso la ver. 0.24.6, ma non sarà per caso perché ho "scomposto" un NE555 e gli ho cambiato i pin per farlo sembrare un L200?
0
voti
Nessuno che mi spieghi quella configurazione? Ci sto impazzendo dietro e non riesco a capirla. 
EDIT: forse ho capito, per caso la tensione al 7905 è raddrizzata a singola semionda?

EDIT: forse ho capito, per caso la tensione al 7905 è raddrizzata a singola semionda?
0
voti

"Non farei mai parte di un club che accettasse la mia iscrizione" (G. Marx)
-

claudiocedrone
21,3k 4 7 9 - Master EY

- Messaggi: 15302
- Iscritto il: 18 gen 2012, 13:36
0
voti
Alleluja, almeno qualcosa l'ho capito allora. 
Il discorso della presa centrale mi è chiaro, non avendola nel mio caso bisogna fare diversamento, ma perché non va bene la soluzione proposta da me, cioè uscire in parallelo sul ponte?
Il discorso della presa centrale mi è chiaro, non avendola nel mio caso bisogna fare diversamento, ma perché non va bene la soluzione proposta da me, cioè uscire in parallelo sul ponte?
1
voti
Non preoccuparti, non la capisci perché manca un pezzo...
Il raddrizzatore effettivamente è a singola semionda, però manca il raddoppiatore di tensione: un ulteriore condensatore in serie al diodo, col positivo verso l'alternata, e un altro diodo, con l'anodo al negativo del condensatore e il catodo verso il negativo del ponte.
Non sono sul mio PC e non ho Fidocadj, ma sicuramente
marco438 ti può aiutare.
P.S. preceduto... Il raddoppiatore di tensione si può usare in alternativa, per piccole correnti, se il secondario non ha prese intermedie.
Il raddrizzatore effettivamente è a singola semionda, però manca il raddoppiatore di tensione: un ulteriore condensatore in serie al diodo, col positivo verso l'alternata, e un altro diodo, con l'anodo al negativo del condensatore e il catodo verso il negativo del ponte.
Non sono sul mio PC e non ho Fidocadj, ma sicuramente
P.S. preceduto... Il raddoppiatore di tensione si può usare in alternativa, per piccole correnti, se il secondario non ha prese intermedie.
Big fan of ⋮ƎlectroYou! Ausili per disabili e anziani su ⋮ƎlectroYou
Caratteri utili: À È É Ì Ò Ó Ù α β γ δ ε η θ λ μ π ρ σ τ φ ω Ω º ª ² ³ √ ∛ ∜ ₀ ₁ ₂ ₃ ₄ ₅ ₆ ∃ ∄ ∆ ∈ ∉ ± ∓ ∾ ≃ ≈ ≠ ≤ ≥
Caratteri utili: À È É Ì Ò Ó Ù α β γ δ ε η θ λ μ π ρ σ τ φ ω Ω º ª ² ³ √ ∛ ∜ ₀ ₁ ₂ ₃ ₄ ₅ ₆ ∃ ∄ ∆ ∈ ∉ ± ∓ ∾ ≃ ≈ ≠ ≤ ≥
0
voti
Il raddoppiatore ti serve per generare una tensione negativa rispetto al negativo dell'alimentatore (cioè "più negativa del negativo").
In genere (non ho seguito tutta la discussione) una tensione di riferimento "più negativa del negativo" serve alla circuiteria dell'alimentatore per poter abbassare la tensione d'uscita fino a 0 volt.
Il raddoppiatore non è l'unico modo per generare una tensione negativa, ma per piccole correnti è il più semplice, se non hai prese intermedie o ulteriori secondari a disposizione.
In genere (non ho seguito tutta la discussione) una tensione di riferimento "più negativa del negativo" serve alla circuiteria dell'alimentatore per poter abbassare la tensione d'uscita fino a 0 volt.
Il raddoppiatore non è l'unico modo per generare una tensione negativa, ma per piccole correnti è il più semplice, se non hai prese intermedie o ulteriori secondari a disposizione.
Big fan of ⋮ƎlectroYou! Ausili per disabili e anziani su ⋮ƎlectroYou
Caratteri utili: À È É Ì Ò Ó Ù α β γ δ ε η θ λ μ π ρ σ τ φ ω Ω º ª ² ³ √ ∛ ∜ ₀ ₁ ₂ ₃ ₄ ₅ ₆ ∃ ∄ ∆ ∈ ∉ ± ∓ ∾ ≃ ≈ ≠ ≤ ≥
Caratteri utili: À È É Ì Ò Ó Ù α β γ δ ε η θ λ μ π ρ σ τ φ ω Ω º ª ² ³ √ ∛ ∜ ₀ ₁ ₂ ₃ ₄ ₅ ₆ ∃ ∄ ∆ ∈ ∉ ± ∓ ∾ ≃ ≈ ≠ ≤ ≥
Chi c’è in linea
Visitano il forum: Nessuno e 0 ospiti

Elettrotecnica e non solo (admin)
Un gatto tra gli elettroni (IsidoroKZ)
Esperienza e simulazioni (g.schgor)
Moleskine di un idraulico (RenzoDF)
Il Blog di ElectroYou (webmaster)
Idee microcontrollate (TardoFreak)
PICcoli grandi PICMicro (Paolino)
Il blog elettrico di carloc (carloc)
DirtEYblooog (dirtydeeds)
Di tutto... un po' (jordan20)
AK47 (lillo)
Esperienze elettroniche (marco438)
Telecomunicazioni musicali (clavicordo)
Automazione ed Elettronica (gustavo)
Direttive per la sicurezza (ErnestoCappelletti)
EYnfo dall'Alaska (mir)
Apriamo il quadro! (attilio)
H7-25 (asdf)
Passione Elettrica (massimob)
Elettroni a spasso (guidob)
Bloguerra (guerra)





