, cioè 
Moderatori:
g.schgor,
IsidoroKZ





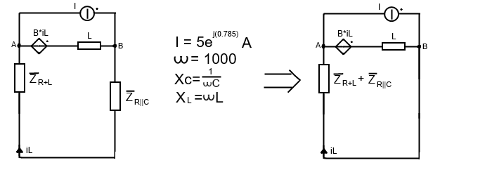
NicolaTM ha scritto:Impongo che la corrente del generatore I passa tutta per il ramo che comprende il generatore dipendente B*iL ed L.
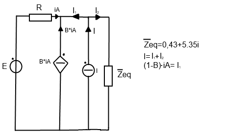
(?) per completare l'equazione della maglia e la corrente lungo il ramo con il generatore pilotato (?) per l'equazione al nodo B.Torna a Elettrotecnica generale
Visitano il forum: Nessuno e 124 ospiti