Cos'è ElectroYou | Login Iscriviti

ElectroYou - la comunità dei professionisti del mondo elettrico

Circuiti con mutue impedenze ( o trasformatori )

Circuiti, campi elettromagnetici e teoria delle linee di trasmissione e distribuzione dell’energia elettrica

Moderatori: Foto Utenteg.schgor, Foto UtenteIsidoroKZ

1
voti

[1] Circuiti con mutue impedenze ( o trasformatori )

Messaggioda Foto UtenteMaiza » 6 lug 2016, 16:00

Salve a tutti! Nel mio primo post ho ricevuto spiegazioni chiarissime e per questo ve ne sono molto grato!
Ho cercato di risolvere da me anche questo problema, ma purtroppo rimangono troppi dubbi in questione.
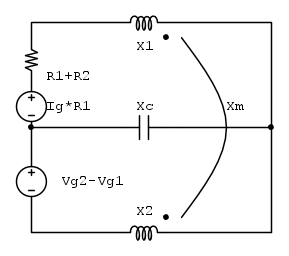
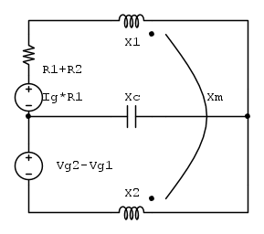
Il circuito in questione è questo:



Se il circuito vi sembra disegnato male perdonatemi ma è il primo che scrivo con FidoCadJ #-o

Ad ogni modo, se questo fosse stato un circuito senza la mutua, avrei utilizzato il metodo degli anelli e risolto di conseguenza. Però c'è la mutua ed osservando gli appunti presi a lezione, durante lo svolgimento, viene inserito o sottratto una quantità in alcuni elementi della matrice delle resistenze ( impedenze ) relativa alla mutua!

Purtroppo non riesco a capire secondo quale criterio, se possibile però, vi chiedo di potermi chiarire le idee sul come comportarmi in un generico circuito quando incontro una mutua induttanza od anche un trasformatore.

So che il segno con cui "considero" la mutua nelle sue equazioni descrittive dipende dalla corrente di lato ( se entra/esce dal lato del pallino in entrambi i dispositivi sarà positiva, negativa altrimenti ).

Ma in generale non riesco a risolvere l'esercizio.
Grazie in anticipo!
Avatar utente
Foto UtenteMaiza
15 2
 
Messaggi: 6
Iscritto il: 17 mag 2016, 12:14

0
voti

[2] Re: Circuiti con mutue impedenze ( o trasformatori )

Messaggioda Foto UtenteNicolaTM » 6 lug 2016, 17:09

Quali sono le grandezze da trovare? Inoltre dovresti dare altri dati sui generatori (Regime periodico sinusoidale o non), almeno per risolverlo in maniera quantitativa.
Avatar utente
Foto UtenteNicolaTM
55 1 3
 
Messaggi: 40
Iscritto il: 23 giu 2016, 17:58

3
voti

[3] Re: Circuiti con mutue impedenze ( o trasformatori )

Messaggioda Foto UtentePietroBaima » 6 lug 2016, 19:15

Generatore codice per articoli:
nomi
Sul forum:
[pigreco]=π
[ohm]=Ω
[quadrato]=²
[cubo]=³
Avatar utente
Foto UtentePietroBaima
90,7k 7 12 13
G.Master EY
G.Master EY
 
Messaggi: 12206
Iscritto il: 12 ago 2012, 1:20
Località: Londra


Torna a Elettrotecnica generale

Chi c’è in linea

Visitano il forum: Nessuno e 46 ospiti