Salve, nell' immagine allegata ho riportato delle possibili configurazioni dei tiristori, secondo voi sono corrette?
Nella pratica come faccio a distinguere il componente di tipo E da quello E negato? Sapreste indicarmi qualche sigla o datasheet?
Vi ringrazio
Utilizzo dei tiristori
Moderatori:
carloc,
g.schgor,
BrunoValente,
IsidoroKZ
4 messaggi
• Pagina 1 di 1
0
voti
La prima configurazione (in alto a SX) è quella corretta.
La seconda è sconsigliabile in quanto (dipende dal tipo di carico) potrebbe non far innescare correttamente l'SCR.
Interessante sto E negato ... ma da dove salta fuori ?
Bye
Ser.Tom
La seconda è sconsigliabile in quanto (dipende dal tipo di carico) potrebbe non far innescare correttamente l'SCR.
Interessante sto E negato ... ma da dove salta fuori ?
Bye
Ser.Tom0
voti
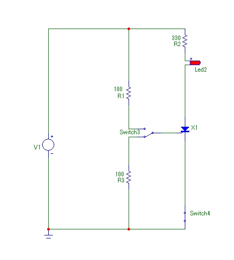
Ciao, qualche mese fa a scuola abbiamo visto il principio di funzionamento dell' inverter che utilizza il diodo enable. Presumo sia sinonimo di tiristore, ma ora inizio ad avere qualche dubbio.
Ad ogni modo nell' inverter tutti e quattro i piedini E sono collegati ad una uscita di un timer 555 o un operazionale in configurazione astabile. Quando l' uscita è alta sono attivi i diodi 1 e 4, viceversa i diodi 2 e 3.
Nel circuito che ho simulato il componente si comporta in modo diverso. Quando il deviatore è basso il led è spento. Spostando il deviatore il diodo si innesca e rimane innescato anche quando il deviatore torna basso. Sembra si tratti di un componente diverso, anche se il simbolo è simile. D' altra parte cercando in rete il termine "diodo enable" non mi ha dato risultati interessanti, ma se cerco "inverter" su Wikipedia si parla di tiristori.
Ad ogni modo nell' inverter tutti e quattro i piedini E sono collegati ad una uscita di un timer 555 o un operazionale in configurazione astabile. Quando l' uscita è alta sono attivi i diodi 1 e 4, viceversa i diodi 2 e 3.
Nel circuito che ho simulato il componente si comporta in modo diverso. Quando il deviatore è basso il led è spento. Spostando il deviatore il diodo si innesca e rimane innescato anche quando il deviatore torna basso. Sembra si tratti di un componente diverso, anche se il simbolo è simile. D' altra parte cercando in rete il termine "diodo enable" non mi ha dato risultati interessanti, ma se cerco "inverter" su Wikipedia si parla di tiristori.
0
voti
Mai sentito parlare di "diodo enable"; almeno come componente singolo. Diversamente è possibile realizzare un circuito che si comporti come un diodo ma che possa essere abilitato o meno.
Circa i tiristori, ebbene esistono gli SCR (Silicon Controlled Rectifier); molto comuni e di taglie molto variegate; ed esistono i GTO (Gate turn-off thyristors). Questi ultimi sono una versione speciale della famiglia di semiconduttori caratterizzati da una struttura a quattro zone "PNPN" dove viene esaltata la possibilità di "spegnerlo" (riportarlo in posizione di Off) attraverso l'assorbimento (prelievo) di corrente dal Gate.
Al lato pratico esistono, ma, data la complessità realizzativa, sono disponibili per tensione e correnti piuttosto "importanti"; ed effettivamente usati nei controlli di elevata potenza.
Bye
Ser.Tom
Circa i tiristori, ebbene esistono gli SCR (Silicon Controlled Rectifier); molto comuni e di taglie molto variegate; ed esistono i GTO (Gate turn-off thyristors). Questi ultimi sono una versione speciale della famiglia di semiconduttori caratterizzati da una struttura a quattro zone "PNPN" dove viene esaltata la possibilità di "spegnerlo" (riportarlo in posizione di Off) attraverso l'assorbimento (prelievo) di corrente dal Gate.
Al lato pratico esistono, ma, data la complessità realizzativa, sono disponibili per tensione e correnti piuttosto "importanti"; ed effettivamente usati nei controlli di elevata potenza.
Bye
Ser.Tom
4 messaggi
• Pagina 1 di 1
Chi c’è in linea
Visitano il forum: Nessuno e 363 ospiti

Elettrotecnica e non solo (admin)
Un gatto tra gli elettroni (IsidoroKZ)
Esperienza e simulazioni (g.schgor)
Moleskine di un idraulico (RenzoDF)
Il Blog di ElectroYou (webmaster)
Idee microcontrollate (TardoFreak)
PICcoli grandi PICMicro (Paolino)
Il blog elettrico di carloc (carloc)
DirtEYblooog (dirtydeeds)
Di tutto... un po' (jordan20)
AK47 (lillo)
Esperienze elettroniche (marco438)
Telecomunicazioni musicali (clavicordo)
Automazione ed Elettronica (gustavo)
Direttive per la sicurezza (ErnestoCappelletti)
EYnfo dall'Alaska (mir)
Apriamo il quadro! (attilio)
H7-25 (asdf)
Passione Elettrica (massimob)
Elettroni a spasso (guidob)
Bloguerra (guerra)

