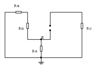
Riassumendo il calcolo del guadagno di tensione per piccolo segnale, calcolo Vbe del pilota:


Sfruttando Thevenin rispetto a Re ottengo il circuito:
con


considerando anche che
e 
risolvo il circuito con il principio di sovrapposizione
Con gmVbe OFF (circuito aperto) ottengo

con Vs OFF (cortocircuito) ottengo

e quindi

Il guadagno di tensione è

considerando il fatto che Vs ha valore medio nullo...
gotthard ha scritto:Avevi inserito un underscore ("_") tra "\frac" e "{", cioè avevi scritto "\frac_{".
Ora ho corretto
Grazie mille, dopo una certa ora non connetto più.
A parte che con questa roba non connetto nemmeno di giorno...

Elettrotecnica e non solo (admin)
Un gatto tra gli elettroni (IsidoroKZ)
Esperienza e simulazioni (g.schgor)
Moleskine di un idraulico (RenzoDF)
Il Blog di ElectroYou (webmaster)
Idee microcontrollate (TardoFreak)
PICcoli grandi PICMicro (Paolino)
Il blog elettrico di carloc (carloc)
DirtEYblooog (dirtydeeds)
Di tutto... un po' (jordan20)
AK47 (lillo)
Esperienze elettroniche (marco438)
Telecomunicazioni musicali (clavicordo)
Automazione ed Elettronica (gustavo)
Direttive per la sicurezza (ErnestoCappelletti)
EYnfo dall'Alaska (mir)
Apriamo il quadro! (attilio)
H7-25 (asdf)
Passione Elettrica (massimob)
Elettroni a spasso (guidob)
Bloguerra (guerra)





![A_v = \frac{V_o}{V_i} = \frac{ R_e \times ( 1 + \beta ) \times I_b }{ [ R_s + R_\pi + R_e \times ( 1 + \beta ) ] \times I_b } A_v = \frac{V_o}{V_i} = \frac{ R_e \times ( 1 + \beta ) \times I_b }{ [ R_s + R_\pi + R_e \times ( 1 + \beta ) ] \times I_b }](/forum/latexrender/pictures/d93524dee3f8360c85eabbef04635566.png)








percorso da
, ma anche
percorsa da 







, e usando un generatore di prova calcolare l'impedenza. Questo generatore andrà in parallelo a
perché l'uscita del circuito è lì.
e la
(nota che ho indicato le grandezze complete, ovvero:



