Automazione pollaio a basso costo
Moderatore:
brabus
46 messaggi
• Pagina 5 di 5 • 1, 2, 3, 4, 5
0
voti
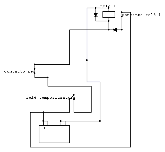
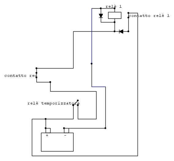
Guarda se riesci a capirlo così tieni conto che ho dovuto levare troppo per fartelo capire, se non ci arrivate neppure così chiedo aiuto ai guru dell'elettronica che forse sapranno spiegarvi quello che io non sono riuscito a fare.
-

elektronik
7.800 4 6 7 - Master

- Messaggi: 3836
- Iscritto il: 12 mag 2015, 22:26
0
voti
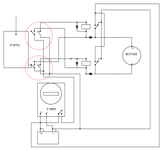
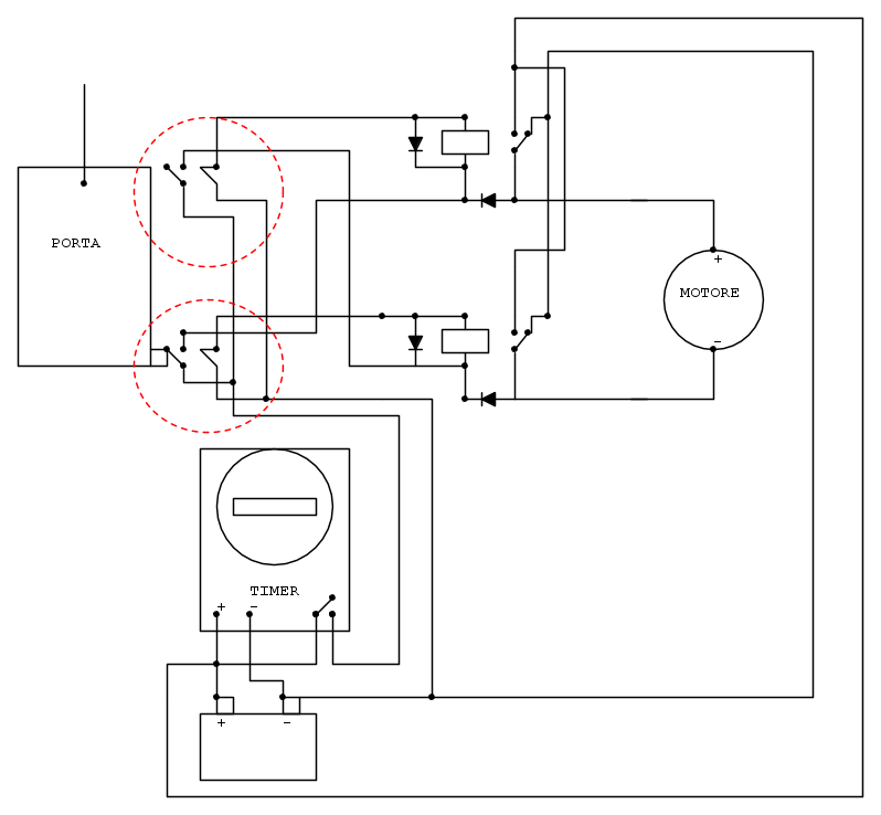
Riporto lo schema con delle modifiche che sono state fatte nei finecorsa o reed, sono evidenziate in rosso ed è possibile capire che è stato sostituito il finecorsa ad uno scambio con uno a doppio scambio, cioè che ha 1 contatto NO e 1 contatto NA,facendo in modo che quando arriva in alto o viceversa il relè si possa diseccitare a fine corsa in quanto prima non era possibile 

0
voti
Finalmente mi sono arrivati i timer da Honk Kong (tipo un mese di tempo
), e ho cablato quasi tutto.
Ho messo nel quadro un contenitore da 8 batterie da 1,5v, collegato a un pulsante NO e a un voltmetro. Ho dovuto bucare il quadro per mettere pulsante e voltmetro, e poi ho usato del silicone perche' non entri acqua.
Adesso ho un altro problema, se non lo risolvo torno a chiedere aiuto qui...
Ecco il risultato finora:
Ho messo nel quadro un contenitore da 8 batterie da 1,5v, collegato a un pulsante NO e a un voltmetro. Ho dovuto bucare il quadro per mettere pulsante e voltmetro, e poi ho usato del silicone perche' non entri acqua.
Adesso ho un altro problema, se non lo risolvo torno a chiedere aiuto qui...
Ecco il risultato finora:
0
voti
Sti polli ti costano caro
-

elektronik
7.800 4 6 7 - Master

- Messaggi: 3836
- Iscritto il: 12 mag 2015, 22:26
0
voti
20 euro la scatola, 24 euro i rele', 2,5 euro il portabatterie, il pulsante lo avevo, 3 euro il voltmetro, 4/5 euro i fasten....
Il budget che mi ero dato era di 50 euro, lo sforero' un po'
....
Il budget che mi ero dato era di 50 euro, lo sforero' un po'
46 messaggi
• Pagina 5 di 5 • 1, 2, 3, 4, 5
Chi c’è in linea
Visitano il forum: Nessuno e 16 ospiti

Elettrotecnica e non solo (admin)
Un gatto tra gli elettroni (IsidoroKZ)
Esperienza e simulazioni (g.schgor)
Moleskine di un idraulico (RenzoDF)
Il Blog di ElectroYou (webmaster)
Idee microcontrollate (TardoFreak)
PICcoli grandi PICMicro (Paolino)
Il blog elettrico di carloc (carloc)
DirtEYblooog (dirtydeeds)
Di tutto... un po' (jordan20)
AK47 (lillo)
Esperienze elettroniche (marco438)
Telecomunicazioni musicali (clavicordo)
Automazione ed Elettronica (gustavo)
Direttive per la sicurezza (ErnestoCappelletti)
EYnfo dall'Alaska (mir)
Apriamo il quadro! (attilio)
H7-25 (asdf)
Passione Elettrica (massimob)
Elettroni a spasso (guidob)
Bloguerra (guerra)



