Cos'è ElectroYou | Login Iscriviti

ElectroYou - la comunità dei professionisti del mondo elettrico

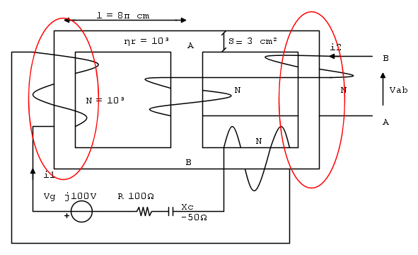
Aiuto con circuito magnetico

Circuiti, campi elettromagnetici e teoria delle linee di trasmissione e distribuzione dell’energia elettrica

Moderatori: Foto Utenteg.schgor, Foto UtenteIsidoroKZ

3
voti

[11] Re: Aiuto con circuito magnetico

Messaggioda Foto UtenteRenzoDF » 1 lug 2016, 15:23

DLz ha scritto:Ho trovato la tensione V_{ab}

V_{ab}=53cos(150t-45^{\circ})

Se per il GIT è stata usata una rappresentazione con fasore a valor massimo, ok

V_{ab}=\frac{75}{\sqrt 2}\cos\left(150t-\frac{\pi}{4} \right)

DLz ha scritto:La mia osservazione di teoria (post 7) riguardante i flussi nei rami comuni con generatori è giusta?

No di certo, e a leggere quello che scrivi
...
DLz ha scritto:... ho notato che le maglie principali del circuito elettrico equavalente, se non hanno tra loro in comune dei generatori Ni ... vanno studiate come se fossero staccate dal resto del circuito, se invece nei rami in comune ci sono generatori, allora non si possono separare. ... Nel circuito del post 1, scelti \varphi_1 e \varphi _4 come principali, non posso separare le due maglie perché esse in comune hanno un generatore.

mi viene da pensare che tu non abbia capito perché si possa considerare la sola KVL alla maglia esterna. Il motivo risiede nella equipotenzialità magnetica dei due nodi magnetici della rete (in [1]), che discende dall'uguaglianza dei due rami destro e sinistro della stessa e dalla concordanza di modulo e verso dei due generatori di f.m.m.

DLz ha scritto:... ...se dovessi trattare i flussi come correnti, scriverei
\varphi_2=-\varphi_1''-\varphi_1'''

Assolutamente no, in base a quale principio lo scrivi?
Nella rete riportata in [7] non capisco perché non siano indicati i flussi nei rami verticali, ad ogni modo con un "taglio" a sinistra dei due nodi destri, grazie a Kirchhoff, puoi scrivere
\varphi_2=-\varphi_1''
"Il circuito ha sempre ragione" (Luigi Malesani)
Avatar utente
Foto UtenteRenzoDF
55,9k 8 12 13
G.Master EY
G.Master EY
 
Messaggi: 13189
Iscritto il: 4 ott 2008, 9:55

0
voti

[12] Re: Aiuto con circuito magnetico

Messaggioda Foto UtenteDLz » 1 lug 2016, 17:59

Purtroppo, nonostante siano richiesti all'esame, il professore non ha svolto questa parte di programma, e non ho un libro di teoria. Sto andando avanti a dispense, esercizi e soprattutto vostri consigli.
Allora


I due nodi magnetici, che ho chiamato A e B hanno lo stesso potenziale magnetico perché nei due rami che ho cerchiato in rosso scorre la stessa f.m.m che è quella dovuta ad i_1 perché come abbiamo detto i_2=0 A (se i_2 fosse non nulla e diversa da i_1 non avrei concordanza di modulo delle due f.m.m).Giusto?
La concordanza di verso, vorrei capire perché: so che il generatore Ni_2 di destra da un verso del flusso concorde al generatore Ni_1 di sinistra ma i_2 sappiamo che è nulla, allora è la corrente indotta da i_1 (chiamiamola i_i) sul ramo destro che è equiversa a i_1 sul ramo sinistro ? Esprimendo la corrente indotta come i_i=\frac{\varepsilon_i}{R} dove \varepsilon _i è la f.e.m indotta.


Il fatto che ci sia una sola tensione è molto chiaro dallo schema del post [5].

Per il discorso sul circuito con tre maglie, mi sono scordato i flussi sui rami verticali, ecco perché avrei scritto quella scemenza. Facendo i conti ho: \varphi_2=-4\varphi_1'''=-\varphi_1''
Questo dovrebbe essere il circuito corretto:


Grazie! :-)
Ultima modifica di Foto UtenteDLz il 1 lug 2016, 18:11, modificato 1 volta in totale.
Avatar utente
Foto UtenteDLz
60 5
New entry
New entry
 
Messaggi: 81
Iscritto il: 7 ago 2013, 17:06

5
voti

[13] Re: Aiuto con circuito magnetico

Messaggioda Foto UtenteRenzoDF » 1 lug 2016, 18:10

DLz ha scritto:... I due nodi magnetici, che ho chiamato A e B hanno lo stesso potenziale magnetico perché nei due rami che ho cerchiato in rosso scorre la stessa f.m.m ...

I rami del circuito magnetico, come i rami di un circuito elettrico, insistono su due nodi e non sono quindi quelli da te indicati e le f.m.m. come le f.e.m non "scorrono", ma forzano una tensione (magnetica/elettrica) fra due punti.
In buona sostanza, giusto per darti un consiglio finale, devi semplicemente trattare il circuito magnetico allo stesso modo di un circuito elettrico (se puoi ipotizzare come in questo caso riluttanze costanti); una volta nota la dualità fra grandezze magnetiche ed elettriche, puoi tranquillamente usare i principi di Kirchhoff, la legge di Ohm (Hopkinson), Thevenin, Millman e compagnia bella. ;-)
"Il circuito ha sempre ragione" (Luigi Malesani)
Avatar utente
Foto UtenteRenzoDF
55,9k 8 12 13
G.Master EY
G.Master EY
 
Messaggi: 13189
Iscritto il: 4 ott 2008, 9:55

0
voti

[14] Re: Aiuto con circuito magnetico

Messaggioda Foto UtenteDLz » 1 lug 2016, 18:25

Allora, i nodi di cui parli sono quelli su cui insistono i rami che ho cerchiato? Il fatto è che anche quelli che avevo indicato con A e B ho letto che sono nodi magnetici. Anzi, a rigore, come per i ciruciti elettrici, un nodo si dice tale quando convergono almeno due rami in esso. Quindi da due rami in su sono nodi (in teoria).
Si, ho usato un termine errato, la f.e.m. e la f.m.m, come le tensioni, si "creano" tra due punti. Come la f.e.m di un generatore.
Volevo solo sapere se era corretto il motivo percui le due f.m.m sono uguali in modulo, direzione e verso. Ho modificato lo schema a tre maglie, indicando tutti i \varphi_i

Grazie! :-)
Avatar utente
Foto UtenteDLz
60 5
New entry
New entry
 
Messaggi: 81
Iscritto il: 7 ago 2013, 17:06

0
voti

[15] Re: Aiuto con circuito magnetico

Messaggioda Foto UtenteDLz » 6 lug 2016, 15:46

Salve a tutti, sto avendo difficoltà con il seguente circuito magnetico:



Il circuito elettrico corrispondente all'elettromagnete è:


Scegliendo come flussi principali \varphi_1' , \varphi_1'' e \varphi_1'''
dovrei avere le seguenti 3 equazioni nelle suddette incognite:

4R\varphi_1'+R\varphi_1''=2Ni_1

4R\varphi_1''+R\varphi_1'-R\varphi_1'''=N(i_1-i_2)

4R\varphi_1'''-R\varphi_1''=Ni_1

Risolvendo, posso trovare L_1,M ed L_2 usando le equazioni

\Phi_1=L_1i_1 + Mi_2=N(\varphi_1'+\varphi_1''+\varphi_1''')

\Phi_2=L_2i_2 + Mi_1=N\varphi_2

In teoria però dovrei poter risolvere il problema anche usando queste altre equazioni:
R\varphi_1'+R\varphi_3+R\varphi_1''+R\varphi_4=2Ni_1

R\varphi_1''-R\varphi_2-R\varphi_5-R\varphi_6=N(i_1-i_2)

R\varphi_1'''+R\varphi_6+R\varphi_7-R\varphi_8=Ni_1

\varphi_3=\varphi_1'

\varphi_4=\varphi_1'

\varphi_2=\varphi_1'-\varphi_1''

\varphi_8=-\varphi_1'''

\varphi_7=\varphi_1'''

\varphi_6=\varphi_1'-\varphi_1''+\varphi_1'''

\varphi_5=\varphi_1'-\varphi_1''

Però non tornano i conti. Sbaglio i calcoli da qualche parte o c'è un errore nell'impostazione delle equzioni?
Grazie :-)
Avatar utente
Foto UtenteDLz
60 5
New entry
New entry
 
Messaggi: 81
Iscritto il: 7 ago 2013, 17:06

0
voti

[16] Re: Aiuto con circuito magnetico

Messaggioda Foto UtenteDLz » 8 lug 2016, 12:20

Piccolo "up" e piccolo aggiornamento: l'esercizio non risulta nemmeno con il primo sistema di equazioni.
Non capisco cosa sto sbagliando.
Qualcuno può aiutarmi?
Grazie! :D
Avatar utente
Foto UtenteDLz
60 5
New entry
New entry
 
Messaggi: 81
Iscritto il: 7 ago 2013, 17:06

2
voti

[17] Re: Aiuto con circuito magnetico

Messaggioda Foto UtenteRenzoDF » 8 lug 2016, 15:14

Solo una domanda: nella risoluzione dei circuiti elettrici procedevi nello stesso modo?
"Il circuito ha sempre ragione" (Luigi Malesani)
Avatar utente
Foto UtenteRenzoDF
55,9k 8 12 13
G.Master EY
G.Master EY
 
Messaggi: 13189
Iscritto il: 4 ott 2008, 9:55

0
voti

[18] Re: Aiuto con circuito magnetico

Messaggioda Foto UtenteDLz » 8 lug 2016, 15:50

Beh, Kirchhoff nei circuiti elettrici l'ho usato sempre nello stesso modo che mi ha portato a scrivere le equazioni nelle quali prendo in considerazione tutti i \varphi_i (\varphi_1,....,\varphi_8).
Il primo sistema di equazioni (quello dove considero solo i \varphi_1), di solito non lo uso nei circuiti elettrici. In pratica è il metodo delle correnti di maglia con cui si scrive una matrice simmetrica dove in ogni riga della matrice ci sono le resistenze relative alla maglia stessa e le resistenze nei rami comuni alla maglia e alle altre maglie prese con i segni positivi se le correnti di maglia sono concordi sul ramo comune, prese con i segni negatvi se le correnti di maglia sono discordi sui rami comuni. La matrice è quadrata e di ordine pari al numero di maglie principali, che è dato da l-n+1 con l numero di rami e n numero di nodi.
Di solito non uso mai la matrice nei circuiti elettrici ma applico sempre Kirchhoff.
Avatar utente
Foto UtenteDLz
60 5
New entry
New entry
 
Messaggi: 81
Iscritto il: 7 ago 2013, 17:06

0
voti

[19] Re: Aiuto con circuito magnetico

Messaggioda Foto UtenteRenzoDF » 8 lug 2016, 17:42

Mi bastava un sì o un no, non un corso di recupero sulle correnti cicliche :D , e a questo punto, per ragioni di tempo, mi vedo costretto ad abbandonare il thread.
Saluti
Renzo
"Il circuito ha sempre ragione" (Luigi Malesani)
Avatar utente
Foto UtenteRenzoDF
55,9k 8 12 13
G.Master EY
G.Master EY
 
Messaggi: 13189
Iscritto il: 4 ott 2008, 9:55

0
voti

[20] Re: Aiuto con circuito magnetico

Messaggioda Foto UtenteDLz » 13 lug 2016, 14:19

Ho poi trovato la soluzione del circuito, la posto nell'eventualità possa servire a qualcuno.

Il circuito elettrico equivalente all'elettromagnete è:



\varphi_A,\varphi_B,\varphi_C sono i flussi che circolano in ognuna delle tre maglie e che passano quindi in tutti e 4 i rami di ogni maglia.

\varphi_1',\varphi_1''\varphi_1''',\varphi_2 sono i flussi che scorrono solo nei rami che contengono i generatori Ni.

Possiamo scrivere che:
\Phi_1=L_1i_1+Mi_2=N(\varphi_1'+ \varphi_1''+ \varphi_1''' )=(\varphi_A+ \varphi_A- \varphi_B-\varphi_C)

\Phi_2=L_2i_2+Mi_1=N(\varphi_2)=N(\varphi_B)

A questo punto uso il metodo delle correnti di maglia per scrivere le matrici

\begin{bmatrix}
4R & -R &0 \\ 
 -R& 4R &-R \\ 
 0& -R &4R 
\end{bmatrix}. \begin{bmatrix}
\varphi _A\\ 
\varphi _B\\\varphi _C           

\end{bmatrix} = \begin{bmatrix}
2N\overline{I_1}\\ 
N(\overline{I_2}-\overline{I_1})\\ 
-N\overline{I_1}
\end{bmatrix}

Risolvendo il sistema trovo tutto ciò che mi serve.
Avatar utente
Foto UtenteDLz
60 5
New entry
New entry
 
Messaggi: 81
Iscritto il: 7 ago 2013, 17:06

Precedente

Torna a Elettrotecnica generale

Chi c’è in linea

Visitano il forum: Nessuno e 67 ospiti