ARDUINO : Accensione lampadina 220 volt con eENC28J60
29 messaggi
• Pagina 2 di 3 • 1, 2, 3
0
voti
e comunque.. scusa se ti ho chiamato Massimo.. Mauro 
0
voti
E' sabato e finalmente ci si rilassa..
in attesa che arrivi il dimmer ordinato, ho fatto le altre prove suggerite..
1. Allontanare relè da micro : lieve miglioramento, qualche accensione e spegnimento in più ma dopo 3 o 4 volte il problema persiste
2. applicando in parallelo al contatto del rele` un condesatore di 220nF 500V il problema rimane? (non ho ancora fatto questa prova)
3. utilizzando una lampadina di tecnologia diversa, il problema permane?
Problema risolto!
ho sostituito la lampadina ed ecco il risultato
in attesa che arrivi il dimmer ordinato, ho fatto le altre prove suggerite..
1. Allontanare relè da micro : lieve miglioramento, qualche accensione e spegnimento in più ma dopo 3 o 4 volte il problema persiste
2. applicando in parallelo al contatto del rele` un condesatore di 220nF 500V il problema rimane? (non ho ancora fatto questa prova)
3. utilizzando una lampadina di tecnologia diversa, il problema permane?
Problema risolto!
ho sostituito la lampadina ed ecco il risultato
2
voti
Ecco, appunto, non hai filtrato i disturbi che la bobina del rele` capta e porta sulla scheda logica.
Fai lo schema, fatto bene, fedele, con FidocadJ, della stuazione attuale. Poi si vede come intervenire.
Fai lo schema, fatto bene, fedele, con FidocadJ, della stuazione attuale. Poi si vede come intervenire.
-

Candy
32,5k 7 10 13 - CRU - Account cancellato su Richiesta utente
- Messaggi: 10123
- Iscritto il: 14 giu 2010, 22:54
0
voti
Candy ha scritto:Ecco, appunto, non hai filtrato i disturbi che la bobina del rele` capta e porta sulla scheda logica.
Fai lo schema, fatto bene, fedele, con FidocadJ, della stuazione attuale. Poi si vede come intervenire.
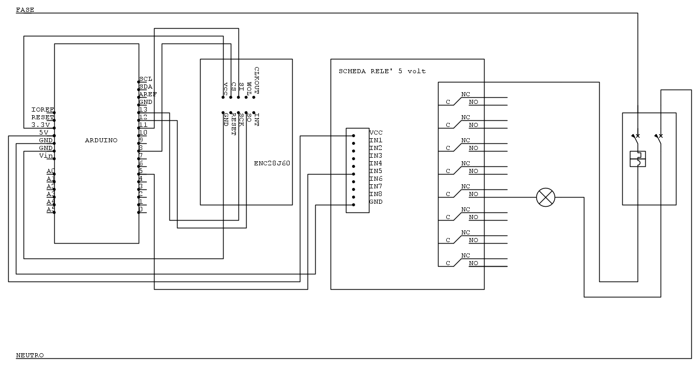
chiedo di avere pazienza è il mio primo schema in assoluto sia con fidocadJ che in generale.. anzi sono assolutamente ben accetti consigli critiche suggerimenti 'bacchettate' e quant'altro!!
0
voti
comunque questo è il tipo di lampada che crea disturbo: Philips 42w230volt 6b Halogen Classic 2800k 630lm
0
voti
l'ho sostituita con questa
0
voti
Il fatto e` che tu hai utilizzato componenti "commerciali" come Arduino e la scheda rele` che, ad esempio, io non conosco come sono fatte al loro "interno" e, quindi, diventa difficile dire come fare o non fare.
Sicuramente hanno entraqmbi gli oggetti manuali e datasheet da consultare. prescrizioni e restrizioni di impiego, (anche se mi sembra troppo banale l'accensione di una lampadina di 40 W come fonte di disturbo).
Saresti davvero a meno del minimo sindacale della compatibilita` EMC.
Verosimilmente il problema e` con la scheda di Arduino e la sua alimentazione. Da dove proviene la fonte di energia delle varie scheda. Rappresenta meglio l'alimentazione in c.c. di tutto il sistema.
Sicuramente hanno entraqmbi gli oggetti manuali e datasheet da consultare. prescrizioni e restrizioni di impiego, (anche se mi sembra troppo banale l'accensione di una lampadina di 40 W come fonte di disturbo).
Saresti davvero a meno del minimo sindacale della compatibilita` EMC.
Verosimilmente il problema e` con la scheda di Arduino e la sua alimentazione. Da dove proviene la fonte di energia delle varie scheda. Rappresenta meglio l'alimentazione in c.c. di tutto il sistema.
-

Candy
32,5k 7 10 13 - CRU - Account cancellato su Richiesta utente
- Messaggi: 10123
- Iscritto il: 14 giu 2010, 22:54
29 messaggi
• Pagina 2 di 3 • 1, 2, 3
Chi c’è in linea
Visitano il forum: Nessuno e 2 ospiti

Elettrotecnica e non solo (admin)
Un gatto tra gli elettroni (IsidoroKZ)
Esperienza e simulazioni (g.schgor)
Moleskine di un idraulico (RenzoDF)
Il Blog di ElectroYou (webmaster)
Idee microcontrollate (TardoFreak)
PICcoli grandi PICMicro (Paolino)
Il blog elettrico di carloc (carloc)
DirtEYblooog (dirtydeeds)
Di tutto... un po' (jordan20)
AK47 (lillo)
Esperienze elettroniche (marco438)
Telecomunicazioni musicali (clavicordo)
Automazione ed Elettronica (gustavo)
Direttive per la sicurezza (ErnestoCappelletti)
EYnfo dall'Alaska (mir)
Apriamo il quadro! (attilio)
H7-25 (asdf)
Passione Elettrica (massimob)
Elettroni a spasso (guidob)
Bloguerra (guerra)
