Esercizio andamento temporale della tensione
Moderatori:
g.schgor,
IsidoroKZ
0
voti
0
voti
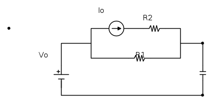
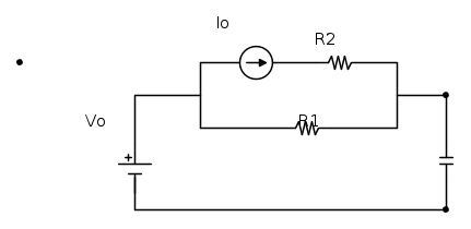
Supponendo il condensatore inizialmente carico a
, determinare l’andamento temporale della tensione 
, determinare l’andamento temporale della tensione 
0
voti
Ai capi del condensatore? Si é una strada, ma c'è un modo più conveniente. Questa rete è in pratica identica a quella dell'altro esercizio che hai postato, e in quest'ultimo ti è stata data una dritta..
0
voti
Bisogna trovare la
ai capi del condensatore
ai capi del condensatore0
voti
Questo senza dubbio. Ma dato che nella rete vi sono tutti ingressi costanti (presumo), il condensatore dopo un certo transistorio di tempo diventerà un circuito aperto, perché la tensione ai suoi capi sarà costante. Conosci l'equazione caratteristica di un condensatore e come la tensione ai suoi capi evolve in una rete del genere (intendo la legge matematica, la "formuletta")?
Torna a Elettrotecnica generale
Chi c’è in linea
Visitano il forum: Nessuno e 20 ospiti

Elettrotecnica e non solo (admin)
Un gatto tra gli elettroni (IsidoroKZ)
Esperienza e simulazioni (g.schgor)
Moleskine di un idraulico (RenzoDF)
Il Blog di ElectroYou (webmaster)
Idee microcontrollate (TardoFreak)
PICcoli grandi PICMicro (Paolino)
Il blog elettrico di carloc (carloc)
DirtEYblooog (dirtydeeds)
Di tutto... un po' (jordan20)
AK47 (lillo)
Esperienze elettroniche (marco438)
Telecomunicazioni musicali (clavicordo)
Automazione ed Elettronica (gustavo)
Direttive per la sicurezza (ErnestoCappelletti)
EYnfo dall'Alaska (mir)
Apriamo il quadro! (attilio)
H7-25 (asdf)
Passione Elettrica (massimob)
Elettroni a spasso (guidob)
Bloguerra (guerra)



