[phpBB Debug] PHP Warning: in file /var/www/ey/web/forum/latexrender/class.latexrender.php on line 278: copy(3cf7a6afc180c530958f7ab4782883b4.png): failed to open stream: No such file or directory
[phpBB Debug] PHP Warning: in file /var/www/ey/web/forum/latexrender/class.latexrender.php on line 298: unlink(/3cf7a6afc180c530958f7ab4782883b4.dvi): No such file or directory
[phpBB Debug] PHP Warning: in file /var/www/ey/web/forum/latexrender/class.latexrender.php on line 299: unlink(/3cf7a6afc180c530958f7ab4782883b4.ps): No such file or directory
[phpBB Debug] PHP Warning: in file /var/www/ey/web/forum/latexrender/class.latexrender.php on line 300: unlink(/3cf7a6afc180c530958f7ab4782883b4.png): No such file or directory
Problema mutua induttanza - transitorio - • Il Forum di ElectroYou
Cos'è ElectroYou | Login Iscriviti

ElectroYou - la comunità dei professionisti del mondo elettrico

Problema mutua induttanza - transitorio -

Circuiti, campi elettromagnetici e teoria delle linee di trasmissione e distribuzione dell’energia elettrica

Moderatori: Foto Utenteg.schgor, Foto UtenteIsidoroKZ

0
voti

[1] Problema mutua induttanza - transitorio -

Messaggioda Foto UtenteElet87 » 12 lug 2016, 12:52

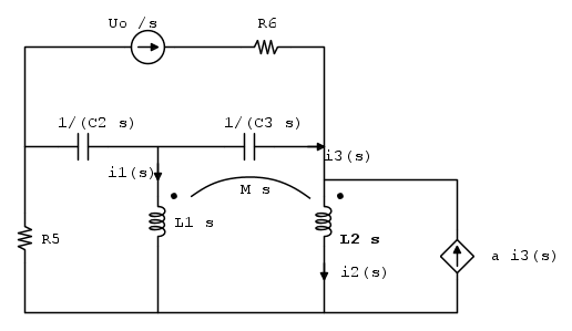
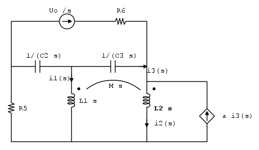
Salve ragazzi, questo è il mio primo post sul form electroyou di cui ho trovato moltissimo materiale utile e di cui ringrazio tutti i membri. Vorrei porre alla vostra attenzione tale circuito in transitorio per poter avere chiarezza in merito a sua risoluzione. ( I pallini presenti vicino le induttanze L1 e L2 è per dire che sono mutuamente accoppiate )



i Dati sono: Vc(0) = V0=1 V ; i1(0) = i1 = 2A ; 12(0) = i2 = 3A ; devo trovare V(t)

Come soluzione uso il metodo delle maglie, quindi avrei che:

\begin{cases}
0=R_5 im_1 + \frac{1}{C_4} \int_{0}^{t} [im_1 - u(t)] dt - VO + L_1 \frac{d}{dt} [im_1 - im_2] + M_12 \frac{d}{dt} m_2 + \alpha_i3 \\

0=R_3 [im \frac{d}{dt} L_1 \frac{d}{dt} [im\frac{d}{dt} L_2 \frac{d}{dt} im_2 + \alpha [im_2 - u(t)] - M_12  \frac{d}{dt} [im_2 + \alpha_i3] - M_21  \frac{d}{dt} [im_2 - im_1]
\end{cases}

Non so se la formula scritta si vede, mi sto cimentando ora a scrivere con LateX e non so come integrarlo qui, ho letto le regole generali ma trovo comunque difficoltà nell'inserimento del codice.

In sostanza il mio problema è capire il calcolo della mutua induttanza della prima maglia e della seconda maglia.

Nella prima maglia avrei che + M12 d/dt [im2 + ai3 ]

nella seconda maglia avrei che -M12 d/dt [im2 + ai3] - M21 d/dt [im2 - im1 ]

non mi è chiaro erchè c'è il segno + per M12 nella prima maglia e il segno - per stessa mutua induttanza per la maglia 2.

Potete darmi qualche suggerimento a riguardo cortesemente?

Grazie.
Avatar utente
Foto UtenteElet87
0 2
 
Messaggi: 4
Iscritto il: 9 lug 2016, 19:40

0
voti

[2] Re: Problema mutua induttanza - transitorio -

Messaggioda Foto UtenteElet87 » 12 lug 2016, 16:24

Fondamentalmente non riesco a capire come fare la mutua induttanza in tale circuito per le due maglie, c'è qualcuno che può gentilmente aiutarmi ? #-o
Avatar utente
Foto UtenteElet87
0 2
 
Messaggi: 4
Iscritto il: 9 lug 2016, 19:40

2
voti

[3] Re: Problema mutua induttanza - transitorio -

Messaggioda Foto UtenteNicolaTM » 12 lug 2016, 18:34

Non sarebbe meglio utilizzare Laplace?
Avatar utente
Foto UtenteNicolaTM
55 1 3
 
Messaggi: 40
Iscritto il: 23 giu 2016, 17:58

0
voti

[4] Re: Problema mutua induttanza - transitorio -

Messaggioda Foto UtenteNicolaTM » 12 lug 2016, 18:40

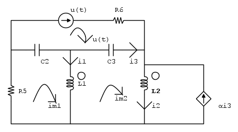
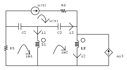
Così si potrebbe studiare semplicemente il circuito:

Edit:


Edit: dove U_0 è il valore di corrente costante che u(t) assume a t>0
e, ricavate le eq necessarie , dopo vari passaggi algebrici , si potrebbe facilmente antitrasformare.
Avatar utente
Foto UtenteNicolaTM
55 1 3
 
Messaggi: 40
Iscritto il: 23 giu 2016, 17:58

0
voti

[5] Re: Problema mutua induttanza - transitorio -

Messaggioda Foto UtenteElet87 » 12 lug 2016, 23:05

Ciao Nicola e grazie della risposta,

si diciamo che vado per step, considerando che mi devo trovare V (t) , mi scrivo prima le equazioni alle maglie nel dominio del tempo, e poi passo a Laplace, solamente che ho due dubbi abbastanza rognosi:

1) Il concetto preciso di come calcolare le mutue induttanze nel dominio del tempo, parlo dei segni soprattutto

2) il secondo problema è di impostare correttamente i segni sempre alle mutue induttanze e ai parametri iniziali, ad esempio sulle impedenze.

Comunque penso che una volta che ho capito in maniera corretta il punto 1) il secondo possa venire da se.

Chiedo un aiuto sulla scrittura corretta delle mutue induttanze per quanto riguarda tale rete nel dominio nel tempo.

Nel calcolo della mutua induttanza nella seconda maglia:

-M12 d \dt [im2 + ai3] - M21 d\dt [im2 - im1 ]

[unparseable or potentially dangerous latex formula]

è corretto? Se si, perché? se prendo come riferimento le correnti di maglia e verifico se escono o entrano entrambe nel "puntino" dell'induttanza allora la M >0 in caso contrario M<0; ma se applico ciò..non mi torna.

Grazie davvero a chi può darmi una mano.
Avatar utente
Foto UtenteElet87
0 2
 
Messaggi: 4
Iscritto il: 9 lug 2016, 19:40

1
voti

[6] Re: Problema mutua induttanza - transitorio -

Messaggioda Foto UtenteNicolaTM » 13 lug 2016, 0:50

Ascolta, il metodo che utilizzo io per risolvere questo tipo di circuiti è quello di calcolare prima le grandezze di stato su induttori (correnti) e condensatori (tensioni) , studiando il circuito quando è a regime (di solito per t<0). Da queste grandezze mi ricavo poi i generatori di Condizioni Iniziali da mettere nel mio circuito in t>0.

Quando passo a t>0, ho praticamente il circuito con tutti i componenti "trasformati" (in funzione di s), così da avere sistemi di equazioni semplici in funzione di s.(i metodi per ricavare queste eq si vedranno dopo)

Mi servono dei dati per continuare con lo studio del circuito in specifico, quali:

1) U(t) come si comporta? Vale 0 per t<0 ed Uo per t>0? perché se così fosse non ci sarebbero grandezze di stato per t<0 , quindi nessun generatore di C.I.

2) No capisco bene a cosa fanno riferimento questi dati:
Elet87 ha scritto:i Dati sono: Vc(0) = V0=1 V ; i1(0) = i1 = 2A ; 12(0) = i2 = 3A ; devo trovare V(t)

Sono quelli dati dalla traccia? Se si devi dirmi se è specificato quando il circuito è considerato a regime.

3) Ci sono altri dati noti? Ovvero i valori numerici di M , C_3 , C_2 ecc?

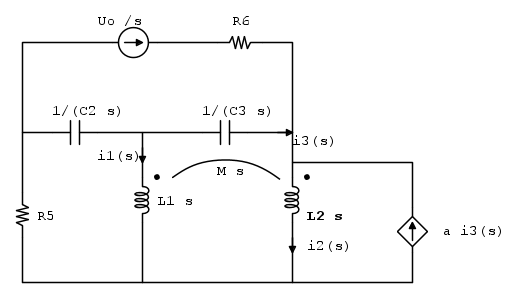
Per il calcolo della mutua impedenza, facendo fede al circuito qui sotto e notando il verso con cui le correnti attraversano gli induttori, il segno della mutua impedenza sarà lo stesso delle autoimpedenze. Per capirci, le formule sui rami contenenti gli induttori saranno :

sul ramo di L1:+L_1s i_1(s) + Ms i_2(s)
sul ramo di L2:+L_2s i_2(s) + Ms i_1(s)



Se invece avessi avuto una situazione dove le correnti attraversavano gli induttori nel verso opposto rispetto al riferimento (pallino) , come nel disegno qui sotto, avresti avuto :

sul ramo di L1:+L_1s i_1(s) - Ms i_2(s)
sul ramo di L2:+L_2s i_2(s) - Ms i_1(s)



(spero di non aver scritto cavolate vista l'ora :? )
Avatar utente
Foto UtenteNicolaTM
55 1 3
 
Messaggi: 40
Iscritto il: 23 giu 2016, 17:58

0
voti

[7] Re: Problema mutua induttanza - transitorio -

Messaggioda Foto UtenteIsidoroKZ » 13 lug 2016, 7:12

Elet87 ha scritto:-M_12 {d \dt} [im_2 + ai3] - M_21 {d\dt} [im_2 - im_1 ]


Questa formula non piace all'interprete latex del sito. Probabilmente hai definito un comando \dt nel tuo latex, ma l'interprete qui non lo capisce.

Quando scrivi una formula in latex, prima di fare "Invio" clicca su "Anteprima", cosi` vedi se funziona tutto.
Per usare proficuamente un simulatore, bisogna sapere molta più elettronica di lui
Plug it in - it works better!
Il 555 sta all'elettronica come Arduino all'informatica! (entrambi loro malgrado)
Se volete risposte rispondete a tutte le mie domande
Avatar utente
Foto UtenteIsidoroKZ
121,2k 1 3 8
G.Master EY
G.Master EY
 
Messaggi: 21059
Iscritto il: 17 ott 2009, 0:00

0
voti

[8] Re: Problema mutua induttanza - transitorio -

Messaggioda Foto UtenteElet87 » 13 lug 2016, 12:10

Mi servono dei dati per continuare con lo studio del circuito in specifico, quali:

1) U(t) come si comporta? Vale 0 per t<0 ed Uo per t>0? perché se così fosse non ci sarebbero grandezze di stato per t<0 , quindi nessun generatore di C.I.

Non è spiegato come si comporta

2) No capisco bene a cosa fanno riferimento questi dati:
i Dati sono: Vc(0) = V0=1 V ; i1(0) = i1 = 2A ; 12(0) = i2 = 3A ; devo trovare V(t)
Sono quelli dati dalla traccia? Se si devi dirmi se è specificato quando il circuito è considerato a regime.

Questa è appunto la traccia del problema ,non ho altro.

3) Ci sono altri dati noti? Ovvero i valori numerici di M , C_3 , C_2 ecc?

No, nessuno.


Scusami Nicola, ma non ho capito per quanto riguarda le mutue induttanze, nel dominio del tempo le ho scritte sopra come in teoria dovrebbero essere, ma mi sembrano errate per il verso delle correnti che sono poste sul circuito. Non riesco a capire perché nella seconda equazione di maglia che ho scritto riferito al circuito ( 1* post ) dovrei avere che -M12 {d/dt} [im2 + ai3] - M21 {d/dt} [im2 - im1 ]
Avatar utente
Foto UtenteElet87
0 2
 
Messaggi: 4
Iscritto il: 9 lug 2016, 19:40


Torna a Elettrotecnica generale

Chi c’è in linea

Visitano il forum: Nessuno e 86 ospiti