DLz ha scritto:Ho trovato la tensione![]()
Se per il GIT è stata usata una rappresentazione con fasore a valor massimo, ok
DLz ha scritto:La mia osservazione di teoria (post 7) riguardante i flussi nei rami comuni con generatori è giusta?
No di certo, e a leggere quello che scrivi
...
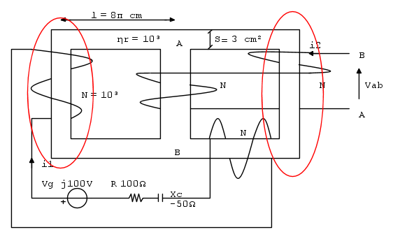
DLz ha scritto:... ho notato che le maglie principali del circuito elettrico equavalente, se non hanno tra loro in comune dei generatori... vanno studiate come se fossero staccate dal resto del circuito, se invece nei rami in comune ci sono generatori, allora non si possono separare. ... Nel circuito del post 1, scelti
e
come principali, non posso separare le due maglie perché esse in comune hanno un generatore.
mi viene da pensare che tu non abbia capito perché si possa considerare la sola KVL alla maglia esterna. Il motivo risiede nella equipotenzialità magnetica dei due nodi magnetici della rete (in [1]), che discende dall'uguaglianza dei due rami destro e sinistro della stessa e dalla concordanza di modulo e verso dei due generatori di f.m.m.
DLz ha scritto:... ...se dovessi trattare i flussi come correnti, scriverei
Assolutamente no, in base a quale principio lo scrivi?
Nella rete riportata in [7] non capisco perché non siano indicati i flussi nei rami verticali, ad ogni modo con un "taglio" a sinistra dei due nodi destri, grazie a Kirchhoff, puoi scrivere


Elettrotecnica e non solo (admin)
Un gatto tra gli elettroni (IsidoroKZ)
Esperienza e simulazioni (g.schgor)
Moleskine di un idraulico (RenzoDF)
Il Blog di ElectroYou (webmaster)
Idee microcontrollate (TardoFreak)
PICcoli grandi PICMicro (Paolino)
Il blog elettrico di carloc (carloc)
DirtEYblooog (dirtydeeds)
Di tutto... un po' (jordan20)
AK47 (lillo)
Esperienze elettroniche (marco438)
Telecomunicazioni musicali (clavicordo)
Automazione ed Elettronica (gustavo)
Direttive per la sicurezza (ErnestoCappelletti)
EYnfo dall'Alaska (mir)
Apriamo il quadro! (attilio)
H7-25 (asdf)
Passione Elettrica (massimob)
Elettroni a spasso (guidob)
Bloguerra (guerra)
... vanno studiate come se fossero staccate dal resto del circuito, se invece nei rami in comune ci sono generatori, allora non si possono separare. ... Nel circuito del post 1, scelti
e
come principali, non posso separare le due maglie perché esse in comune hanno un generatore.



perché come abbiamo detto
(se
fosse non nulla e diversa da
di destra da un verso del flusso concorde al generatore
di sinistra ma
) sul ramo destro che è equiversa a
dove
è la f.e.m indotta. 






,
e 



,
ed
usando le equazioni 











).
sono i flussi che circolano in ognuna delle tre maglie e che passano quindi in tutti e 4 i rami di ogni maglia.
sono i flussi che scorrono solo nei rami che contengono i generatori 

