OP-AMP, guadagno amplificazione e diagrammi di Bode.
Moderatori:
carloc,
g.schgor,
BrunoValente,
IsidoroKZ
30 messaggi
• Pagina 3 di 3 • 1, 2, 3
0
voti
allora la traslazione del diagramma andava fatta orizzontalmente e non verticalmente.
0
voti
IsidoroKZ ha scritto:L'asse verticale non e` a frequenza zero. Essendo un grafico logaritmico la frequenza zero e` MOLTO lontano a sinistra. Se in un punto del grafico c'e` la frequenza di 10Hz, e "tre dita" a sinistra c'e` 1Hz, altre tre dita a sinistra ci sara` 0.01Hz, altre tre dita 1mHz, nove dita piu` a sinistra 1uHz... e la frequenza zero non la si raggiunge mai.
Sono stato tratto in inganno dalla notazione usata sul grafico del testo dell'esercizio.
ma allora la traslazione del diagramma andava fatta orizzontalmente e non verticalmente.
0
voti
Guaffo ha scritto: A questo punto, se 0dB corrispondono al guadagno 1 (cosa che non sapevo)"
A questo proposito, prima di avventurarti negli esercizi proposti dal tuo professore, ti consiglio di chiarirti un po' le idee in merito ai diagrammi di bode, ai decibel e al dominio della frequenza in generale.
Cercando in giro la cosa significa decibel, troverai almeno 3 o 4 definizioni diverse, con i termini più fantasiosi, e scoprirai che le contraddizioni degli elettronici non hanno mai fine.
Ti consiglio questi video e PDF, che dovrebbero chiarirti la questione una volta per tutte. Ci sono diversi esempi. In particolare, il primo link è un video della University of Colorado che mi è stato molto utile durante il corso di elettrotecnica:
https://www.coursera.org/learn/converte ... grams-pole
http://www.ece.utah.edu/~ee3110/bodeplot.pdf
http://web.cecs.pdx.edu/~ece2xx/ECE222/ ... lotsx4.pdf
4
voti
Funzioni a valori complessi
Sia
, una funzione di variabile reale a valori in
allora
può essere rappresentata in forma cartesiana, o in forma polare.
Forma cartesiana

dove
![a(f)=\mathbb{R} e[ H(f)] a(f)=\mathbb{R} e[ H(f)]](/forum/latexrender/pictures/c07fd1e5df1154fcda3cb2bfd5d39c8a.png)
![b(f)=\mathbb{I} m[ H(f)] b(f)=\mathbb{I} m[ H(f)]](/forum/latexrender/pictures/500891720395de260fa615b59be13e5d.png)
Forma polare

dove
per il teorema di Pitagora
nel semipiano destro vale,
per definizione di tangente.
Rappresentazioni grafiche
Ora potremmo rappresentare
nel piano di Gauss, come una curva parametrizzata in
.
Oppure potremmo disegnare due grafici, uno per la fase e uno per i moduli di
, senza perdita di informazione.
Diagrammi di Bode
I diagrammi di bode sono due grafici, uno per la fase e uno per il modulo di
, in cui si fa la particolare scelta, di rappresentare le ascisse in scala logaritmica e le ordinate nel grafico dei moduli in decibel.
Quindi, vediamo dove si trova la frequenza
nel diagramma di bode:

Procediamo allo stesso modo per verificare la posizione dell'asse rappresentante
.

In generale

Zeri nell'origine
Sia ora,
essendo la parte reale nulla e la parte immaginaria positiva, sarà

Il modulo, invece:


per le proprietà dei logaritmi

Quindi, nel diagramma dei moduli, avremmo una retta, con pendenza +20 dB per decade, ed intercetta con l'asse
, in
.
Detto ciò, come dovrebbe essere il diagramma, nel tuo caso specifico?
Sia
, una funzione di variabile reale a valori in
allora
può essere rappresentata in forma cartesiana, o in forma polare. Forma cartesiana

dove
![a(f)=\mathbb{R} e[ H(f)] a(f)=\mathbb{R} e[ H(f)]](/forum/latexrender/pictures/c07fd1e5df1154fcda3cb2bfd5d39c8a.png)
![b(f)=\mathbb{I} m[ H(f)] b(f)=\mathbb{I} m[ H(f)]](/forum/latexrender/pictures/500891720395de260fa615b59be13e5d.png)
Forma polare

dove
per il teorema di Pitagora
nel semipiano destro vale,
per definizione di tangente.
Rappresentazioni grafiche
Ora potremmo rappresentare
nel piano di Gauss, come una curva parametrizzata in
.Oppure potremmo disegnare due grafici, uno per la fase e uno per i moduli di
, senza perdita di informazione.Diagrammi di Bode
I diagrammi di bode sono due grafici, uno per la fase e uno per il modulo di
, in cui si fa la particolare scelta, di rappresentare le ascisse in scala logaritmica e le ordinate nel grafico dei moduli in decibel. Quindi, vediamo dove si trova la frequenza
nel diagramma di bode: 
Procediamo allo stesso modo per verificare la posizione dell'asse rappresentante
.
In generale

Zeri nell'origine
Sia ora,

essendo la parte reale nulla e la parte immaginaria positiva, sarà

Il modulo, invece:


per le proprietà dei logaritmi

Quindi, nel diagramma dei moduli, avremmo una retta, con pendenza +20 dB per decade, ed intercetta con l'asse
, in
.Detto ciò, come dovrebbe essere il diagramma, nel tuo caso specifico?
0
voti
Nel mio caso specifico, l'intercetta sarebbe in 
Per il punto B
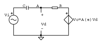
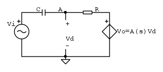
Ora, la tensione tra i due nodi di ingresso non è più nulla. Considero il circuito in questo modo:
La KCL al nodo A è:

da cui

inoltre vale

e allora

dove ho una costante di partenza, uno zero all'origine, e tre poli reali. Corretto?

Per il punto B
Ora, la tensione tra i due nodi di ingresso non è più nulla. Considero il circuito in questo modo:
La KCL al nodo A è:

da cui

inoltre vale

e allora

dove ho una costante di partenza, uno zero all'origine, e tre poli reali. Corretto?
0
voti
Guaffo ha scritto:Nel mio caso specifico...
Si, è corretto ma direi poco significativo.
Non hai infatti "quotato" l'asse delle frequenze,
o almeno indicato la il valore della frequenza
corrispondente a 0dB. (
, frequenza di taglio).Questa è data da:

Circa la risposta con l'amplificatore "reale",
ecco il risultato delle simulazione con Microcap
da 10Hz a 1MHz:
Domande?
0
voti
Guaffo ha scritto:Nel mio caso specifico, l'intercetta sarebbe in
Continui a non specificare nel grafico la frequenza dell'Asse verticale che disegni.
0
voti
Scusate, quando ho postato ero proprio cotto.
Passatemi il fatto di non aver quotato tutti gli assi.
Per la mia soluzione del punto B, mi sa che c'è qualcosa che non torna...
per f->0, H(f)=0. Poi ho uno zero all'origine e un polo reale alla stessa frequenza di 159Hz e due poli reali alla frequenza 3.9Hz.
Qualcosa non va...
Da qui vedo che si dovrebbe ottenere uno zero nell'origine con frequenza di taglio a circa 10Hz e un polo reale verso i 100kHz...
Passatemi il fatto di non aver quotato tutti gli assi.
Per la mia soluzione del punto B, mi sa che c'è qualcosa che non torna...
per f->0, H(f)=0. Poi ho uno zero all'origine e un polo reale alla stessa frequenza di 159Hz e due poli reali alla frequenza 3.9Hz.
Qualcosa non va...
g.schgor ha scritto:
Domande?
Da qui vedo che si dovrebbe ottenere uno zero nell'origine con frequenza di taglio a circa 10Hz e un polo reale verso i 100kHz...
1
voti
Per vedere che c'è uno 0 nell'origine, non c'è bisogno di fare nessun calcolo, basta guardare il circuito. Se f=0, cioè se la tensione applicata all'ingresso è in continua, come si comporta quel condensatore?
Il fatto di quotare gli assi, non è solo una questione di forma, è una necessità. Un diagramma logaritmico senza gli assi quotati non è interpretabile in alcun modo, non ha alcun senso, e quindi nessuna utilità.
Ad esempio, quel -64dB cosa vuol dire? a che frequenza è riferito?
Il fatto di quotare gli assi, non è solo una questione di forma, è una necessità. Un diagramma logaritmico senza gli assi quotati non è interpretabile in alcun modo, non ha alcun senso, e quindi nessuna utilità.
Ad esempio, quel -64dB cosa vuol dire? a che frequenza è riferito?
1
voti
E' che non mi ci trovo molto a fare grafici con fidocadj. devo sempre fare un paio di tentativi prima di ottenere quello buono.
Commenti sul punto B?
Commenti sul punto B?
30 messaggi
• Pagina 3 di 3 • 1, 2, 3
Chi c’è in linea
Visitano il forum: Nessuno e 177 ospiti

Elettrotecnica e non solo (admin)
Un gatto tra gli elettroni (IsidoroKZ)
Esperienza e simulazioni (g.schgor)
Moleskine di un idraulico (RenzoDF)
Il Blog di ElectroYou (webmaster)
Idee microcontrollate (TardoFreak)
PICcoli grandi PICMicro (Paolino)
Il blog elettrico di carloc (carloc)
DirtEYblooog (dirtydeeds)
Di tutto... un po' (jordan20)
AK47 (lillo)
Esperienze elettroniche (marco438)
Telecomunicazioni musicali (clavicordo)
Automazione ed Elettronica (gustavo)
Direttive per la sicurezza (ErnestoCappelletti)
EYnfo dall'Alaska (mir)
Apriamo il quadro! (attilio)
H7-25 (asdf)
Passione Elettrica (massimob)
Elettroni a spasso (guidob)
Bloguerra (guerra)















