Cos'è ElectroYou | Login Iscriviti

ElectroYou - la comunità dei professionisti del mondo elettrico

Come alimentare una lampada a led da tavolo

Elettronica lineare e digitale: didattica ed applicazioni

Moderatori: Foto Utentecarloc, Foto Utenteg.schgor, Foto UtenteBrunoValente, Foto UtenteIsidoroKZ

0
voti

[11] Re: Come alimentare una lampada a led da tavolo

Messaggioda Foto UtenteFedericoSibona » 16 lug 2016, 10:33

GuidoB ha scritto: Se non sono bruciati è solo grazie alla resistenza interna dell'alimentatore o delle pile (speriamo mezze scariche) che li ha salvati.

E sì, in effetti se, come sembra, ha utilizzato le pile cosiddette "transistor", è arduo che riescano a fornire mezzo ampere senza caduta di tensione significativa (specie se mezze scariche e non alcaline).
Comunque, come già scritto da Foto UtenteGuidoB, non farlo più ;-)

Foto Utenteduckforce, in futuro, quando intenderai riparare qualcosa, prendi sempre nota o fai qualche foto della posizione originaria di componenti e cavi. Ora per esempio, sarebbe molto interessante conoscere come e dove erano montati i resistori che hai citato. Tra quelli ce n'è uno più grande degli altri?

L'interesse per il contenuto della scatolina nera non è solo per capire il tipo ed il numero delle batterie, ma anche il loro collegamento.
Però aspetterei un momento ad aprirla. Dalla foto direi che le ministilo ci stiano un po' strette e non vorrei che fosse una qualche batteria cinese specifica (Pb o Li) . Puoi postare le misure esatte ?
Avatar utente
Foto UtenteFedericoSibona
5.022 3 5 8
Master
Master
 
Messaggi: 3951
Iscritto il: 19 mar 2013, 11:43

0
voti

[12] Re: Come alimentare una lampada a led da tavolo

Messaggioda Foto Utenteduckforce » 16 lug 2016, 11:34

Certo, le misure sono 9cm x 3,35cm x 2cm

Le tensioni dell'alimentatore e delle batterie sono state sempre misurate ai poli col multimetro prima di collegare ai led; io ho scritto i valori che mi apparivano sul display.

Stavo giusto cercando di disegnare il circuito della scherda per farvi capire meglio. Ci sto mettendo un sacco perché non l'ho mai fatto, ma tra poco dovrei riuscire a mandarvi lo screen.
Il condensatore che ho tolto, quello con capacità più piccola, è anche il più grosso.
Avatar utente
Foto Utenteduckforce
0 2
 
Messaggi: 16
Iscritto il: 14 lug 2016, 9:04

0
voti

[13] Re: Come alimentare una lampada a led da tavolo

Messaggioda Foto Utenteduckforce » 16 lug 2016, 12:46

Sono riuscito (credo) a disegnare il circuito, spero di averlo fatto bene. I diodi sono tutti uguali, ma il programma non mi permetteva di inserire la sigla che c'è scritta sopra: N4007 - KED
Allegati
Cattura di schermata (276).png
Avatar utente
Foto Utenteduckforce
0 2
 
Messaggi: 16
Iscritto il: 14 lug 2016, 9:04

0
voti

[14] Re: Come alimentare una lampada a led da tavolo

Messaggioda Foto Utenterichiurci » 16 lug 2016, 16:20

non mi quadra molto.... ma nella basetta entra direttamente la 220 V o c'è un trasformatorino esterno?

Poi sembra incompleto...dove vanno a finire i "cavi interruttore 1 e 2"?

Infine.. se come sembra sono tutti in parallelo non dovevi alimentarli direttamente a tensioni maggiori di 3V.

Potrebbe (dico POTREBBE) essere andato in corto uno o più LED, e di conseguenza gli altri non si accendono.

Sei capace di fare test con un minimo di misure?

Es alimentare la basetta LED con 3V (non di più) e misurare che corrente viene assorbita
Avatar utente
Foto Utenterichiurci
32,6k 7 11 13
G.Master EY
G.Master EY
 
Messaggi: 8800
Iscritto il: 2 apr 2013, 16:08

0
voti

[15] Re: Come alimentare una lampada a led da tavolo

Messaggioda Foto UtenteFedericoSibona » 16 lug 2016, 17:49

duckforce ha scritto: Le tensioni dell'alimentatore e delle batterie sono state sempre misurate ai poli col multimetro prima di collegare ai led; io ho scritto i valori che mi apparivano sul display.

Sì, ma le tensioni devi misurarle sotto carico, ossia con i LED collegati.

PS: gli schemi dovresti postarli usando FidoCad perché così sono facilmente modificabili da parte di chi vuole aiutarti. Leggi le "Regole del forum" qui sopra, nella fascia rosa ;-)
Avatar utente
Foto UtenteFedericoSibona
5.022 3 5 8
Master
Master
 
Messaggi: 3951
Iscritto il: 19 mar 2013, 11:43

0
voti

[16] Re: Come alimentare una lampada a led da tavolo

Messaggioda Foto Utentesetteali » 16 lug 2016, 19:00

controlla il valore di R1 non credo che sia 2,9ohm
O_/
Alex
https://www.facebook.com/Elettronicaeelettrotecnica

<< vedi di pigliare arditamente in mano, il dizionario che ti suona in bocca,
se non altro è schietto e paesano.
(Giuseppe Giusti) <<
Avatar utente
Foto Utentesetteali
11,9k 5 5 9
Master
Master
 
Messaggi: 5921
Iscritto il: 15 dic 2013, 21:09

0
voti

[17] Re: Come alimentare una lampada a led da tavolo

Messaggioda Foto Utenteduckforce » 16 lug 2016, 20:33

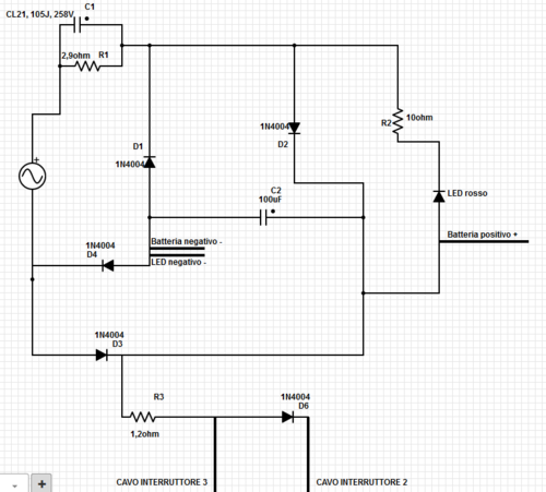
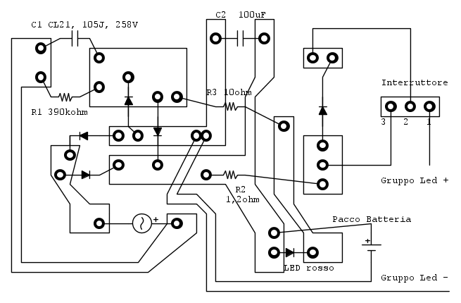
Ho tentato di smanettare su FidoCad, ma non sono riuscito a fare uno schema decente, quindi ho deciso di copiare la scheda papale papale e riportarla sempre su FidoCad. Le piste sono disegnate con dei poligoni, dovrebbe capirsi. Ecco lo schema

A parte l'interruttore, che non sapevo come disegnare, il resto è esattamente la scheda rovesciata. Non c'è nessun trasformatore, nella scheda entrano direttamente 220 V.

Avete ragione, non ho misurato le tensioni sotto carico. I LED si illuminano comunque tutti quanti allo stesso modo, non ce n'è nessuno bruciato, spero che con lo schema che ho postato si risolva qualcosa.

@setteali ho confuso i colori, il resistore è da 390kohm :mrgreen: grazie per avermelo fatto notare
Avatar utente
Foto Utenteduckforce
0 2
 
Messaggi: 16
Iscritto il: 14 lug 2016, 9:04

0
voti

[18] Re: Come alimentare una lampada a led da tavolo

Messaggioda Foto Utenterichiurci » 16 lug 2016, 22:05

Aaaarghhh!


Ma è un rompicapo così!

Se entra la 220 V è un classico esempio di alimentazione diretta da rete; prova a rifare lo schema in maniera "ortodossa" e più leggibile come in questo mio articolo:

http://www.electroyou.it/richiurci/wiki ... iera-a-led
Avatar utente
Foto Utenterichiurci
32,6k 7 11 13
G.Master EY
G.Master EY
 
Messaggi: 8800
Iscritto il: 2 apr 2013, 16:08

0
voti

[19] Re: Come alimentare una lampada a led da tavolo

Messaggioda Foto Utenteduckforce » 17 lug 2016, 12:52

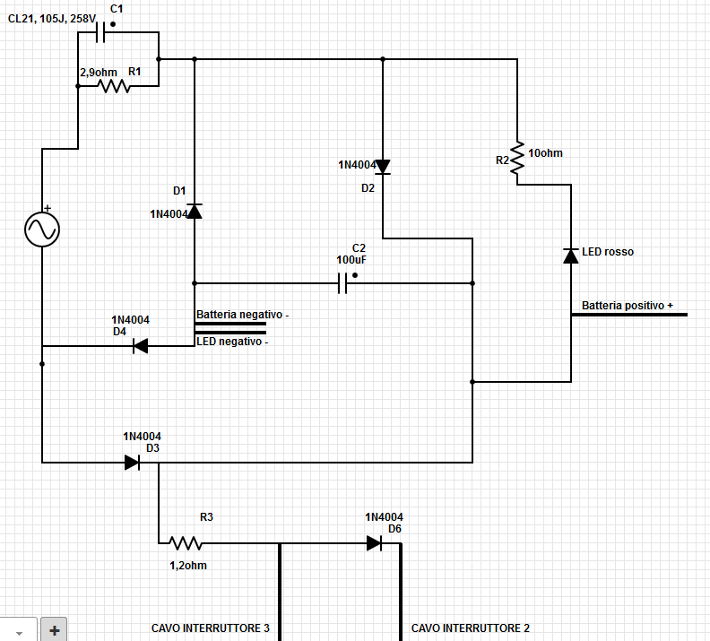
Ecco, ho cercato di fare del mio meglio; questo è quello che ne è venuto fuori:


@richiurci Ho letto l'articolo, complimenti è una bella idea. Penso che quando avrò abbastanza manualità con queste cose farò anche io un progettino basandomi sul tuo. Per adesso mi accontento di non far esplodere questa lampada cinese :lol:
Avatar utente
Foto Utenteduckforce
0 2
 
Messaggi: 16
Iscritto il: 14 lug 2016, 9:04

0
voti

[20] Re: Come alimentare una lampada a led da tavolo

Messaggioda Foto Utenterichiurci » 17 lug 2016, 20:42

continui a fare errori nello schema...

comunque...SEMBRA ci sia un partitore capacitivo da rete, che alimenta condensatore e batteria.

Ma la R serie di 1,2 Ohm esclude che i LED siano alimentati a 3V... ma finché non riuscirai a essere preciso non riusciremo a capirci granchè.

Il valore di R2 è misurato o dedotto dai colori? Sei riuscito a fare altre misure?
Avatar utente
Foto Utenterichiurci
32,6k 7 11 13
G.Master EY
G.Master EY
 
Messaggi: 8800
Iscritto il: 2 apr 2013, 16:08

PrecedenteProssimo

Torna a Elettronica generale

Chi c’è in linea

Visitano il forum: Nessuno e 46 ospiti