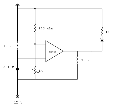
Salve ho un problema con un comparatore LM393 , sul mio circuito ho un diodo zener da 6,1 V che, definisce la mia soglia, per cui l’uscita del comparatore deve passare da 0 a 12 +
e un partitore resistivo con un trimmer che mi permette di testare il funzionamento del comparatore.
In pratica quando il comparatore si trova nei pressi del limite soglia 6 V il led oscilla paurosamente per un intervallo che va da 5,8 V a 6,3 V, il che mi crea un sacco di problemi sul circuito in cui devo inserire il comparatore.
L’unica soluzione che ho adottato per aver e un cambio senza oscillazioni del led è inserire un condesatore di 25 V 1000 uf tra i capi del led.
Questo è il circuito col problema senza condesatore :
Ora non so quale sia il problema di questa oscillazione, e perché l’uscita del comparatore non sia pulita. Ho notato che se sostituisco il diodo zener con un secondo partitore il problema non si presenta, ma per il mio progetto vorrei utilizzare una corrente stabilizzata, come soglia fissa al partitore, cioè che non varia al variare della tensione di ingresso.
Qualcuno sa indicarmi il motivo di questo problema , In modo poi da intuirne la possibile soluzione?
Uscita del comparatore Lm393 che oscilla, con diodo zener 6V
Moderatori:
carloc,
g.schgor,
BrunoValente,
IsidoroKZ
3 messaggi
• Pagina 1 di 1
2
voti
Devi introdurre una isteresi nel circuito.
Il rumore (disturbi anche modestissimi) lo fa commutare di continuo nell'intorno del punto di comparazione.
Probabilmentre lo risolvi mettendo un resistore da 47 kohm fra l'uscita e l'ingresso non invertente.
Affinchè io possa essere sicuro inserisci i simboli + e - nel comparatore e nomina A,B,C,..acc. i vari nodi del circuito. E ripresenta lo schema.
Il rumore (disturbi anche modestissimi) lo fa commutare di continuo nell'intorno del punto di comparazione.
Probabilmentre lo risolvi mettendo un resistore da 47 kohm fra l'uscita e l'ingresso non invertente.
Affinchè io possa essere sicuro inserisci i simboli + e - nel comparatore e nomina A,B,C,..acc. i vari nodi del circuito. E ripresenta lo schema.

0
voti
mmm ho risolto il problema in pratica era dovuto all'alimentatore che usavo per il progetto a quando sembra la corrente oscilla vistosamente (per onor di cronaca lo comprato dai cinesi), infatti inserendo semplicemnte un led direttamente sull alimentatore
la luce oscilla e non è stabile, e se inserisco il condesatore da 1000 uf sull'alimentatore in parallelo anche in questo caso il problema svanisce, (lo capito perche si sentiva tipoo bip bip sulla mia radio ahahahah, ogni volta inserivo qull'alimentatore) ... ho cambiato alimentatore e ora il difetto non si presenta, sicuramente sarà qualche condesatore sul primario andato a male
Si lo so dovro comunque inserire una resitenza di isteresi ma ancora sto studiando quell'argomento e devo capire come calcolare la resistenza.
Secondo te una resitenza di 47 k andrebbe bene, come si fa a calcolare la resistenza in base all'intervallo di isteresi voluto? Mi servirebbe tipo un intervallo di isteresi di 0,3 v ma devo capire come funziona la cosa sto ancora studiando argomento
la luce oscilla e non è stabile, e se inserisco il condesatore da 1000 uf sull'alimentatore in parallelo anche in questo caso il problema svanisce, (lo capito perche si sentiva tipoo bip bip sulla mia radio ahahahah, ogni volta inserivo qull'alimentatore) ... ho cambiato alimentatore e ora il difetto non si presenta, sicuramente sarà qualche condesatore sul primario andato a male
MarcoD ha scritto:Devi introdurre una isteresi nel circuito.
Il rumore (disturbi anche modestissimi) lo fa commutare di continuo nell'intorno del punto di comparazione.
Probabilmentre lo risolvi mettendo un resistore da 47 kohm fra l'uscita e l'ingresso non invertente.....
Si lo so dovro comunque inserire una resitenza di isteresi ma ancora sto studiando quell'argomento e devo capire come calcolare la resistenza.
Secondo te una resitenza di 47 k andrebbe bene, come si fa a calcolare la resistenza in base all'intervallo di isteresi voluto? Mi servirebbe tipo un intervallo di isteresi di 0,3 v ma devo capire come funziona la cosa sto ancora studiando argomento
3 messaggi
• Pagina 1 di 1
Chi c’è in linea
Visitano il forum: Nessuno e 54 ospiti

Elettrotecnica e non solo (admin)
Un gatto tra gli elettroni (IsidoroKZ)
Esperienza e simulazioni (g.schgor)
Moleskine di un idraulico (RenzoDF)
Il Blog di ElectroYou (webmaster)
Idee microcontrollate (TardoFreak)
PICcoli grandi PICMicro (Paolino)
Il blog elettrico di carloc (carloc)
DirtEYblooog (dirtydeeds)
Di tutto... un po' (jordan20)
AK47 (lillo)
Esperienze elettroniche (marco438)
Telecomunicazioni musicali (clavicordo)
Automazione ed Elettronica (gustavo)
Direttive per la sicurezza (ErnestoCappelletti)
EYnfo dall'Alaska (mir)
Apriamo il quadro! (attilio)
H7-25 (asdf)
Passione Elettrica (massimob)
Elettroni a spasso (guidob)
Bloguerra (guerra)



