Quindi potrei evitare di regolare la corrente nel mio circuito, anche se ho un alimentatore che puo erogare 4 amper?
Potrei quidi eliminare senza problemi il primo LM317 che regola la corrente a 500 mA e mandare sulla batteria 4 amper a 13,6 V ?
Carica tampone per batteria al piombo, dubbi sulle tensioni
Moderatori:
carloc,
g.schgor,
BrunoValente,
IsidoroKZ
25 messaggi
• Pagina 3 di 3 • 1, 2, 3
0
voti
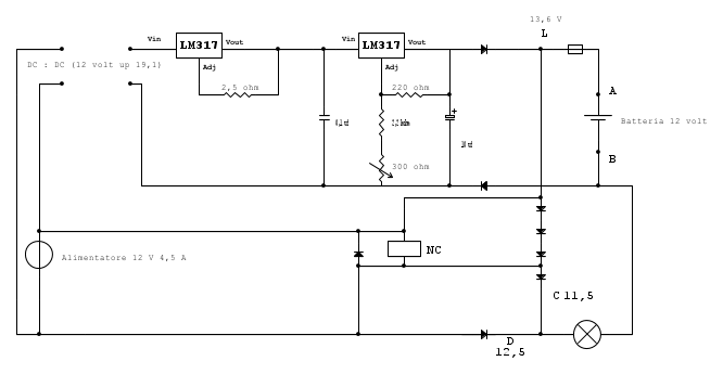
Raga ne approfitto per postare il mio circuito nella nuova versione, in cui sto cercando di risolvere un problemino rognoso :
Ho modificato il circuito e ho aggiunto un rele, in pratica e non so se sto sbagliando o se esiste un modo più elegante e corretto per farlo, ma vi spiego in soldoni cosa dovrebbe fare quel relè e a cosa mi serve. In pratica il relè non fa altro che controllare se è presente l'alimentazione di rete, nel caso in cui c'è alimentazione, la tensione che esce dall' LM317 (punto L), di 13,6 V, carica la batteria, ma grazie alla serie di diodi (in basso) la abbassa a 11,5 volt (punto C), rendendola minore dei 12,5 V (punto D) dell'alimentatore e quindi in quel caso i miei carichi sono alimentati dall'alimentatore e non dalla batteria.
Ora però se la corrente va via, il rele elimina la caduta di tensione provocata dalla
catena di diodi, permettendo alla batteria di fornire i volt necessari ad alimentare i miei carichi anche senza corrente.
Mi serviva questo sistema perché, se mettevo semplicemnte il rele senza i diodi, il circuito nel momento che passa da alimentatore/batteria fa calare a 0 i volt la tensione del circuito per pochi secondi, condizione che non voglio perché a monte c'è un PIC che non voglio che si resetta se c'è un blackout. Se invece c'è alimentazione la catena di diodi assicuri che i carichi sono alimentati da solo generatore perché in quel caso il punto (D) 12,5 V è > (C) 11,5 V.
Mi chiedo, ci sono alternative più eleganti per risolvere questo problema? Io per ora ho trovato solo questa soluzione e semba funzionare, lo so un po artificiosa come soluzione ma non mi vengono altre ide per ora ....
Grazie dei possibili suggerimenti
Ho modificato il circuito e ho aggiunto un rele, in pratica e non so se sto sbagliando o se esiste un modo più elegante e corretto per farlo, ma vi spiego in soldoni cosa dovrebbe fare quel relè e a cosa mi serve. In pratica il relè non fa altro che controllare se è presente l'alimentazione di rete, nel caso in cui c'è alimentazione, la tensione che esce dall' LM317 (punto L), di 13,6 V, carica la batteria, ma grazie alla serie di diodi (in basso) la abbassa a 11,5 volt (punto C), rendendola minore dei 12,5 V (punto D) dell'alimentatore e quindi in quel caso i miei carichi sono alimentati dall'alimentatore e non dalla batteria.
Ora però se la corrente va via, il rele elimina la caduta di tensione provocata dalla
catena di diodi, permettendo alla batteria di fornire i volt necessari ad alimentare i miei carichi anche senza corrente.
Mi serviva questo sistema perché, se mettevo semplicemnte il rele senza i diodi, il circuito nel momento che passa da alimentatore/batteria fa calare a 0 i volt la tensione del circuito per pochi secondi, condizione che non voglio perché a monte c'è un PIC che non voglio che si resetta se c'è un blackout. Se invece c'è alimentazione la catena di diodi assicuri che i carichi sono alimentati da solo generatore perché in quel caso il punto (D) 12,5 V è > (C) 11,5 V.
Mi chiedo, ci sono alternative più eleganti per risolvere questo problema? Io per ora ho trovato solo questa soluzione e semba funzionare, lo so un po artificiosa come soluzione ma non mi vengono altre ide per ora ....
Grazie dei possibili suggerimenti

0
voti
a parte che non hai disegnato il contatto comandato dal relè... ma a che serve? Non puoi alimentare i tuoi circuiti a 13,6V? Al limite abbassi l'uscita di LM che so...a 13 V e usi direttamente la batteria (tenuta carica da LM) per alimentare il circuito...
0
voti
Era per vitare di tenere sempre sotto carica la batteria (stressare meno gli Lm317) e magari non rovinare inutilmente la batteria, visto che comunque ho un alimentatore che già mi fornisce i 12 V a 5 6 amper. Altrimenti a quel punto l'alimentatore sarebbe inutile averlo cosi potente. Per la tensione sull' LM317, in effetti volevo diminuirlo
da 13,6 a 13,3, ma devo fare delle prove, sicuramente andra meglio, ma penso che non carichera completamente la batteria al 100 %, se dalle prove la batteria la carica almeno a 12,50 V sicuramente abbassero quella tensione
Mi chiedevo è' possibile sostituire il rele con un mosfet o un transistor, in questo caso come potrei ridisegnare il circuito relatvo al rele e i diodi ?
comunque grazie ragazzi e sopratutto devo ringraziare
richiurci perche all'inizio il circuito che avevo fatto era completamente sbagliato e c'erano due grossi errori 
da 13,6 a 13,3, ma devo fare delle prove, sicuramente andra meglio, ma penso che non carichera completamente la batteria al 100 %, se dalle prove la batteria la carica almeno a 12,50 V sicuramente abbassero quella tensione
Mi chiedevo è' possibile sostituire il rele con un mosfet o un transistor, in questo caso come potrei ridisegnare il circuito relatvo al rele e i diodi ?
comunque grazie ragazzi e sopratutto devo ringraziare

0
voti
se la tieni sempre carica a 13V, o addirittura a 12,8...la stressi ben poco anzi!
In pratica la tieni sempre "quasi" piena invece che riempirla totalmente ...ed eviti tutto sto casino di relè e altro.
Quando la batteria arriva a 13V o 12,8 o cosa decidi lei non assorbe più niente, gli LM daranno in media solo quanto assorbito dal circuito, ricaricando la batteria di quel poco che si scaricherà nei momenti di richiesta elevata
In pratica la tieni sempre "quasi" piena invece che riempirla totalmente ...ed eviti tutto sto casino di relè e altro.
Quando la batteria arriva a 13V o 12,8 o cosa decidi lei non assorbe più niente, gli LM daranno in media solo quanto assorbito dal circuito, ricaricando la batteria di quel poco che si scaricherà nei momenti di richiesta elevata
25 messaggi
• Pagina 3 di 3 • 1, 2, 3
Chi c’è in linea
Visitano il forum: Nessuno e 111 ospiti

Elettrotecnica e non solo (admin)
Un gatto tra gli elettroni (IsidoroKZ)
Esperienza e simulazioni (g.schgor)
Moleskine di un idraulico (RenzoDF)
Il Blog di ElectroYou (webmaster)
Idee microcontrollate (TardoFreak)
PICcoli grandi PICMicro (Paolino)
Il blog elettrico di carloc (carloc)
DirtEYblooog (dirtydeeds)
Di tutto... un po' (jordan20)
AK47 (lillo)
Esperienze elettroniche (marco438)
Telecomunicazioni musicali (clavicordo)
Automazione ed Elettronica (gustavo)
Direttive per la sicurezza (ErnestoCappelletti)
EYnfo dall'Alaska (mir)
Apriamo il quadro! (attilio)
H7-25 (asdf)
Passione Elettrica (massimob)
Elettroni a spasso (guidob)
Bloguerra (guerra)



