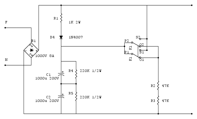
Buona sera, devo realizzare un ponte raddrizzatore monofase a diodi da collegare ad un integrato IRAM136-1060B che assolve alla funzione di inverter, tutto cio' poi completato da un microcontrollore per la realizzazione di un controllo vettoriale di un motore asincrono trifase.
Per quel che riguarda il raddrizzatore ho trovato in rete uno schema di massima che ho riprodotto con FidoCadj che riporto a fondo pagina, bene, ho alcuni dubbi che spero possiate aiutarmi a eliminare:
1) l'elemento a 6 morsetti è un commutatore?
2) nello stato in cui è disegnato l'invertitore (se realmente lo è) lo schema realizza una carica senza correnti impulsive dei condensatori, cioè all'inserzione in rete lascio il commutatore in quella posizione, le capacità si comportano da c.to c.ti e l'unica resistenza che limita la corrente è quell'R1 da 1K e 2W giusto? se cio' che dico è giusto allora non capisco perché debba essere da 2W, ho simulato il circuito in simulink e c'è un isatante in cui la corrente (attraverso R1) e la tensione (ai capi di R1) valgono rispettivamente 0,32A e 323V circa, per cui un circa 100W di Pj, quindi perché 2W? mi perdo qualcosa?
Per il momento cerco di capire questo con il vostro aiuto dopo esporro' ulteriori dubbi!
Il circuito:
Dimensionamento resistenze ponte raddrizzatore
Moderatori:
carloc,
g.schgor,
BrunoValente,
IsidoroKZ
7 messaggi
• Pagina 1 di 1
0
voti
100 W si riferiscono alla potenza massima istantanea che dura circavalgono rispettivamente 0,32A e 323V circa, per cui un circa 100W di Pj, quindi perché 2W? mi perdo qualcosa?
10 ms. La potenza media dopo (supponiamo 1 secondo) è molto meno, per cui 2 W potrebbero andare bene. Ti chiederai: perché non 4 o 1 W? Non saprei come dimensionarlo con precisione.
Dipende anche dalle caratteristiche di dissipazione teoricamente fornite dal costruttore.
Attendiamo l'intervento di altri più esperti.

p.s.: non capisco a cosa servono R2, R3 da 47 kohm. Per scaricare i condensatori potrebbero bastare i resistori R4, R5 in parallelo.
0
voti
Ciao Marco, il tuo ragionamento è giusto, vedo di calcolarmi la potenza media in simulazione e vediamo se ci siamo come ordine di grandezza.
Per quel che riguarda l'invertitore potrei sostituirlo con un banale relè con almeno un N.O e N.C ?
Per quel che riguarda l'invertitore potrei sostituirlo con un banale relè con almeno un N.O e N.C ?

0
voti
C'è una cosa che i soli schemi elettrici non sempre dicono: le esatte caratteristiche dei componenti !
1K (ohm) e 2W sono le caratteristiche basilari di una resistenza ma, come in questo caso che il componente lavora in regime transitorio, qual è la potenza di picco che può reggere ?
Nel primo istante di accensione, quando C1 e C2 sono scarichi, dipende dalla tensione di rete in quell'istante, ma nel caso peggiore abbiamo quasi i 100J che tu hai calcolato.
Regge una resistenza (qualsiasi) questo picco di energia ? Dipende !
Una resistenza a strato di carbone, probabilmente no.
Una resistenza a filo, forse si, perché c'è il metallo del filo che fa da massa termica.
Poi ci sono delle resistenze specifiche in cui l'effetto di massa termica è esaltato che riescono a reggere per brevi istanti anche 100 volte la potenza nominale.
Ecco perché uno schema elettrico "serio" (fatto bene) dovrebbe definire anche altri dati sui componenti critici.
Cosa che dubito dell'originale che hai riprodotto ... vista, ad esempio, l'assoluta inutilità di D4.
Bye
Ser.Tom
1K (ohm) e 2W sono le caratteristiche basilari di una resistenza ma, come in questo caso che il componente lavora in regime transitorio, qual è la potenza di picco che può reggere ?
Nel primo istante di accensione, quando C1 e C2 sono scarichi, dipende dalla tensione di rete in quell'istante, ma nel caso peggiore abbiamo quasi i 100J che tu hai calcolato.
Regge una resistenza (qualsiasi) questo picco di energia ? Dipende !
Una resistenza a strato di carbone, probabilmente no.
Una resistenza a filo, forse si, perché c'è il metallo del filo che fa da massa termica.
Poi ci sono delle resistenze specifiche in cui l'effetto di massa termica è esaltato che riescono a reggere per brevi istanti anche 100 volte la potenza nominale.
Ecco perché uno schema elettrico "serio" (fatto bene) dovrebbe definire anche altri dati sui componenti critici.
Cosa che dubito dell'originale che hai riprodotto ... vista, ad esempio, l'assoluta inutilità di D4.
Bye
Ser.Tom0
voti
peppe855 ha scritto:... potrei sostituirlo con un banale relè con almeno un N.O e N.C ?
Ma scusa, ti appresti a "progettare" un inverter per motore trifase ... e hai questi dubbi ?
Bye
Ser.TomP.S: osserva bene lo schema che hai disegnato e hai la risposta sotto gli occhi !
0
voti
Ciao SerTom io guardando lo schema capisco che all'inizio prima di flussare il motore devo caricare le due capacità quindi il commutatore (o relè) deve stare in quella posizione, poi dopo una 15s lo si fa' commutare cosi' da cortocircuitare la resistenza e il diodo, quindi da li' in poi posso procedere con flussaggio e aumentare il riferimento di velocità.
Ora secondo me la risposta è si, posso usare un relè ponendo il comune appena sotto D4 e poi il N.A connesso al +Vdc ed il N.C al ramo che collega le due resistenza in serie.
Va bene?
Per quel che riguarda il dimensionamento delle resistenze ho verificato che i 2watt sono sufficienti! un saluto
Ora secondo me la risposta è si, posso usare un relè ponendo il comune appena sotto D4 e poi il N.A connesso al +Vdc ed il N.C al ramo che collega le due resistenza in serie.
Va bene?
Per quel che riguarda il dimensionamento delle resistenze ho verificato che i 2watt sono sufficienti! un saluto

0
voti
Esatto.
Con quei valori la resistenza può essere bypassata dopo 2,5s.
Se devi fare un inverter per motore avrai altri problemi (emissioni e PFC) tali per cui quello schema potrebbe essere fortemente rivisto.
Se il lavoro che stai facendo non è solo didattico ... ti aspetta una forte salita. Auguri.
Bye
Ser.Tom
Con quei valori la resistenza può essere bypassata dopo 2,5s.
Se devi fare un inverter per motore avrai altri problemi (emissioni e PFC) tali per cui quello schema potrebbe essere fortemente rivisto.
Se il lavoro che stai facendo non è solo didattico ... ti aspetta una forte salita. Auguri.
Bye
Ser.Tom
7 messaggi
• Pagina 1 di 1
Chi c’è in linea
Visitano il forum: Nessuno e 168 ospiti

Elettrotecnica e non solo (admin)
Un gatto tra gli elettroni (IsidoroKZ)
Esperienza e simulazioni (g.schgor)
Moleskine di un idraulico (RenzoDF)
Il Blog di ElectroYou (webmaster)
Idee microcontrollate (TardoFreak)
PICcoli grandi PICMicro (Paolino)
Il blog elettrico di carloc (carloc)
DirtEYblooog (dirtydeeds)
Di tutto... un po' (jordan20)
AK47 (lillo)
Esperienze elettroniche (marco438)
Telecomunicazioni musicali (clavicordo)
Automazione ed Elettronica (gustavo)
Direttive per la sicurezza (ErnestoCappelletti)
EYnfo dall'Alaska (mir)
Apriamo il quadro! (attilio)
H7-25 (asdf)
Passione Elettrica (massimob)
Elettroni a spasso (guidob)
Bloguerra (guerra)





