Cos'è ElectroYou | Login Iscriviti

ElectroYou - la comunità dei professionisti del mondo elettrico

Alimentatore HV x circuiti a valvole e TV

Elettronica lineare e digitale: didattica ed applicazioni

Moderatori: Foto Utentecarloc, Foto Utenteg.schgor, Foto UtenteBrunoValente, Foto UtenteIsidoroKZ

0
voti

[1] Alimentatore HV x circuiti a valvole e TV

Messaggioda Foto UtenteBeppeTV » 8 ago 2016, 19:07

Saluti a tutti, sono nuovo del forum, O_/
avrei da chiedere una cortesia, siccome lavoro spesso con radio e TV a valvole ( le restauro/riparo ),
mi servirebbe lo schema di un ali a componenti discreti che sia regolabile da circa 50/60 v a circa 300 V, con 150/200 mA, in rete si trovano spesso schemi a valvole, non sono male ma vorrei farlo con qualche regolatore tipo LM 317 o Lm2576 ecc...qualcuno ha qualcosa? Ho visto su ebay un francese che ne vende uno a transistor ( evidentemente BU o Mj 15005 ecc..) ma vuole circa 40 euro + spedizione!!.
Grazie a tutti, saluti. Beppe :ok:
Avatar utente
Foto UtenteBeppeTV
20 3
 
Messaggi: 20
Iscritto il: 8 ago 2016, 13:40

0
voti

[2] Re: Alimentatore HV x circuiti a valvole e TV

Messaggioda Foto UtenteKagliostro » 8 ago 2016, 20:07

Ciao

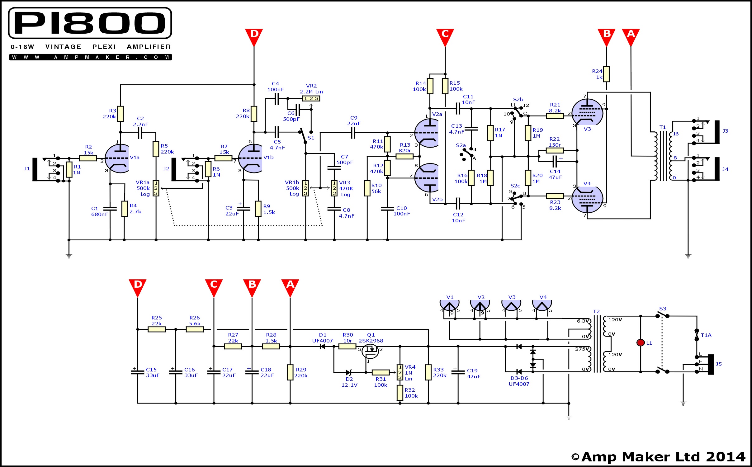
Se non ti serve stabilizzato, puoi copiare la parte di alimentatore con il mosfet di questo amplificatore (il mosfet canale N lo puoi cambiare con altri)

http://www.ampmaker.com/images/ak03kit/p18sc02.jpg

p18sc02.jpg


K
Avatar utente
Foto UtenteKagliostro
6.396 4 5 7
Master
Master
 
Messaggi: 4830
Iscritto il: 19 set 2012, 11:32

0
voti

[3] Re: Alimentatore HV x circuiti a valvole e TV

Messaggioda Foto UtenteBeppeTV » 8 ago 2016, 21:04

Grazie Kagliostro, sarebbe meglio stabilizzato, ma come base di partenza può andare.....dovrebbe avere un range di tensioni in uscita abbastanza ampio...
saluti. B. O_/
Avatar utente
Foto UtenteBeppeTV
20 3
 
Messaggi: 20
Iscritto il: 8 ago 2016, 13:40

0
voti

[4] Re: Alimentatore HV x circuiti a valvole e TV

Messaggioda Foto UtenteKagliostro » 8 ago 2016, 23:38

Per variare il range delle tensioni puoi lavorare sul valore di R32 ed eventualmente aggiungere una resistenza tra VR4 ed il pin 2 del mosfet

K

EDIT: Foto UtenteBeppeTV

Come stabilizzatore usabile fino a 440v ci sarebbe l'LR8

http://it.rs-online.com/web/p/regolator ... i/8293266/

ma bisognerebbe supportarlo con un qualche transistor o mosfet

in quanto può erogare al massimo 30mA di corrente

solo che non so dirti esattamente come in quanto di stato solido ne capisco praticamente nulla

K
Avatar utente
Foto UtenteKagliostro
6.396 4 5 7
Master
Master
 
Messaggi: 4830
Iscritto il: 19 set 2012, 11:32

0
voti

[5] Re: Alimentatore HV x circuiti a valvole e TV

Messaggioda Foto UtenteBeppeTV » 9 ago 2016, 18:33

:D Grazie di nuovo Kagliostro, si, ho provato riducendo la r32 da 100k a 10k e l'uscita va quasi a zero (12/14v).
Ottimo, non resta che dotare il mosfet di un abbondante dissipatore.....con tensioni basse in uscita deve lavorare parecchio....poveraccio...
ho provato con un IRF740 e con un 2SK2611, i risultati sono gli stessi....
avrei una cortesia da chiederti, il link della RS non mi funziona, potresti mandarmi lo schema tu?

Mi da questo errore:
This page contains the following errors:
error on line 106 at column 248: EntityRef: expecting ';'
Below is a rendering of the page up to the first error.

Grazie ancora, saluti. B O_/
Ultima modifica di Foto UtenteBeppeTV il 9 ago 2016, 18:38, modificato 1 volta in totale.
Avatar utente
Foto UtenteBeppeTV
20 3
 
Messaggi: 20
Iscritto il: 8 ago 2016, 13:40

0
voti

[6] Re: Alimentatore HV x circuiti a valvole e TV

Messaggioda Foto UtenteBeppeTV » 9 ago 2016, 18:36

:D NO problem Kagliostro ho risolto, era il browser.....(Chrome).
ciao... :-P
Sembrano ottimi regolatori lineari, si potrebbe provare , come x i vari 78xx, con un bel BU208 o BU508 per aumentare la I d'uscita, magari limitando il range di tensione in uscita min-max in funzione della potenza max che può sopportare il BU.....da provare...
ciao.
Avatar utente
Foto UtenteBeppeTV
20 3
 
Messaggi: 20
Iscritto il: 8 ago 2016, 13:40

0
voti

[7] Re: Alimentatore HV x circuiti a valvole e TV

Messaggioda Foto UtenteKagliostro » 9 ago 2016, 19:40

Sì, il sistema dovrebbe più o meno essere quello usato quando si aumenta la corrente gestibile da un LM317

ma proprio non saprei come arrangiare la cosa nello specifico

EDIT: Foto UtenteBeppeTV

Ho trovato un circuito dal quale si potrebbe partire per arrivare a coprire le tue richieste (200mA)

solo che ci vorrebbe qualcuno in grado di valutare cosa modificare

https://el34world.com/Forum/index.php?action=dlattach;topic=20715.0;attach=60169

Ah, quasi dimenticavo, naturalmente per limitare lo stress del componente che deve gestire la corrente sarebbe meglio poter disporre almeno di due diversi livelli di tensione in input, così da alimentare il tutto con una tensione più bassa quando si vuol tirar fuori una tensione più bassa

Ciao

K
Avatar utente
Foto UtenteKagliostro
6.396 4 5 7
Master
Master
 
Messaggi: 4830
Iscritto il: 19 set 2012, 11:32

0
voti

[8] Re: Alimentatore HV x circuiti a valvole e TV

Messaggioda Foto UtenteBeppeTV » 10 ago 2016, 12:20

GRAZIE !! Kagliostro è proprio quello che cercavo! :D
per correnti superiori basta sostituire il TIP50 con un transistor + performante oppure metterne 2/3 in parallelo....
il tutto su un generoso heatsink....ovviamente, penso anche ad una protezione in uscita tramite un SCR...
ottimo davvero grazie. Ho ordinato il regolatore, appena arriva vi faccio sapere....
saluti. B O_/
Avatar utente
Foto UtenteBeppeTV
20 3
 
Messaggi: 20
Iscritto il: 8 ago 2016, 13:40

0
voti

[9] Re: Alimentatore HV x circuiti a valvole e TV

Messaggioda Foto UtenteKagliostro » 10 ago 2016, 12:39

OK Foto UtenteBeppeTV, se ti ci capisci ... ottimo

fammi sapere come si sviluppa la cosa

Ciao

K
Avatar utente
Foto UtenteKagliostro
6.396 4 5 7
Master
Master
 
Messaggi: 4830
Iscritto il: 19 set 2012, 11:32

1
voti

[10] Re: Alimentatore HV x circuiti a valvole e TV

Messaggioda Foto UtenteBeppeTV » 13 ago 2016, 10:37

Regolatore arrivato, montato su basetta millefori con R1 da 1,8k, R2 potenziometro da 500K lineare, transistor BU508D (VCE 1500V, Ic 8A Pd 125W con diodo incorporato) in uscita dal regolatore, tensione in uscita da circa 40V a 295V ( in ingresso ho messo 315V), ho ciucciato fino a 180mA, con caduta tra carico e senza carico di circa 1 volt !, ( poi mi sono fermato perché la R di carico andava a fuoco essendo da 11W e dovendo dissiparne circa 33!). BU 508 tiepidino ( su dissipatore non molto grosso...).
Non resta che provvedere ad una protezione in uscita ed ad un case dignitoso....
saluti. O_/
Avatar utente
Foto UtenteBeppeTV
20 3
 
Messaggi: 20
Iscritto il: 8 ago 2016, 13:40

Prossimo

Torna a Elettronica generale

Chi c’è in linea

Visitano il forum: Nessuno e 38 ospiti